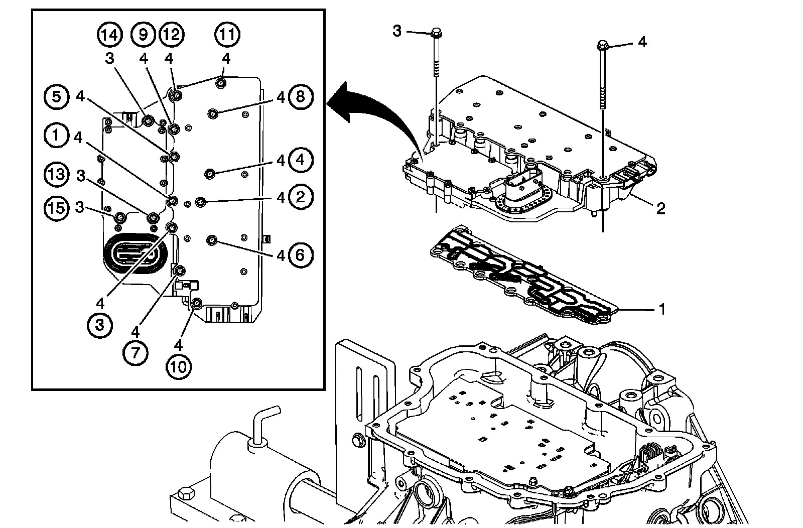
Control Solenoid Valve and Transmission Control Module Assembly Installation
47. Control Solenoid Valve and Transmission Control Module Assembly Installation
Need a step-by-step guide?
Get an AI-powered repair guide with parts lists, cost estimates, and clear instructions for your Chevrolet hyperlink.
Control Solenoid Valve and Transmission Control Module Assembly Installation