Cruise Control: Service and Repair

Need a step-by-step guide?

Get an AI-powered repair guide with parts lists, cost estimates, and clear instructions for your 2013 Volvo.

AI Repair Guides











Cruise control



























INTRODUCTION
- Read through all of the instructions before starting installation.
- Notifications and warning texts are for your safety and to minimize the risk of something breaking during installation.
- Ensure that all tools stated in the instructions are available before starting installation.
- Certain steps in the instructions are only presented in the form of images. Explanatory text is also given for more complicated steps.
- In the event of any problems with the instructions or the accessory, contact your local Volvo dealer.






Cruise control





- Turn the ignition key to position I to release the steering wheel lock.
- Disconnect the battery negative lead.

Note! The SRS system remains active for a brief period after power is cut off. Thus, wait 3 minutes before starting work.





- Turn the steering wheel a quarter turn so that the holes on the reverse of the steering wheel are accessible.





- Insert a screwdriver in the hole (1) on the reverse of the steering wheel, at right angles to the rear surface of the steering wheel. Insert the screwdriver as far as possible to determine the position of the end of the spring clip (2).
- Position the end of the screwdriver on the top of the spring clip as illustrated
- Pry the screwdriver upwards towards the upper edge of the hole (1) so that the end of the screwdriver presses the spring clip down (2) until one side of the steering wheel module springs out and releases from the mounting.
- Turn the steering wheel a half turn in the opposite direction. Carry out the same operation on the other side
- Turn the steering wheel to a neutral position.





- Fold the steering wheel module out.
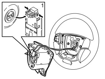
- Remove the two connectors (1) for the ignition cables for the airbag. First press in the catches on the sides. Then pull the connectors straight out.

Note! The connectors are tightly secured. However, tools must not be used when removing.

- Place the steering wheel module to one side.

Warning! Position the steering wheel module with the front upwards in a secure position while carrying out the work.





- Remove the left keypad/keypad dummy from the steering wheel by carefully prying it off using a plastic weatherstrip tool. Twist the weatherstrip tool to pry it out. The keypad/keypad dummy is firmly held in place by three lugs in the steering wheel, so some force is required to remove it.
- Disconnect the connector and place it to one side. The connector will not be reused.





- Take the new keypad from the kit. Plug in the connector and press the keypad into the steering wheel.





- Check that the two springs (1) are in position.
- Check that the ignition cables are correctly positioned in the holder (2).
- Position the steering wheel module and press the two connectors to the ignition cables for the airbag.
- Insert the two pins on the reverse of the steering wheel module in the two springs. Ensure that the ignition cables are not trapped.
- Press the steering wheel module firmly into its mountings. Two clearly audible clicks should be heard.

Installing the negative lead after working with SRS components





Warning! Make sure that no one is in the vehicle when this is done.

- Install the negative cable




- Download the software (application) for the accessory's function.