Function
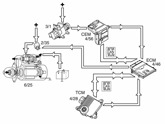
Start
The starter motor (6/25) is supplied with power via the starter motor relay (2/35), the starter motor relay is controlled by the engine control module (ECM) (4/46).
The start process is as follows:
1. The ignition key is turned to start position (position III)
2. A high signal (Ubat) from the ignition switch (3/1) is transmitted to the engine control module (ECM) via the central electronic module (CEM) (4/56). The engine control module (ECM) interprets this high signal as a request to activate the starter motor.
3. The engine control module (ECM) activates the starter motor solenoid by grounding and powering the coil for the starter motor relay.
4. The relay closes the circuit between the starter motor solenoid and the fuse in the relay/fuse box in the engine compartment, activating the starter motor.
5. The engine control module (ECM) activates the starter motor until the engine starts (the engine speed (rpm) exceeds a certain value)
Auto start
If the ignition key returns to ignition position (position II) before the engine is started, the starter motor continues to run. The starter motor runs until the engine is started or until a certain time has elapsed. The engine temperature dictates the running time of the starter motor:
- 0 °C or higher, approximately 3 seconds
- less than 0 °C, up to approximately 5 seconds.
If the engine does not turn or if the engine speed is extremely low when the start relay is activated, the engine control module (ECM) interrupts start relay activation.
Activation of the starter motor is not permitted or is interrupted if:
- the engine is running (the engine speed (RPM) above a certain value)
- the immobilizer function does not allow a start. For further information also see Design and Function, Immobilizer
- the gear selector is not in position "P" or "N" (automatic transmissions). The engine control module (ECM) receives a signal indicating the position of the gear selector from the transmission control module (TCM) (4/28) via both the controller area network (CAN) and from a directly connected cable between the engine control module (ECM) and transmission control module (TCM). Also see Design and Function, transmission control module (TCM).
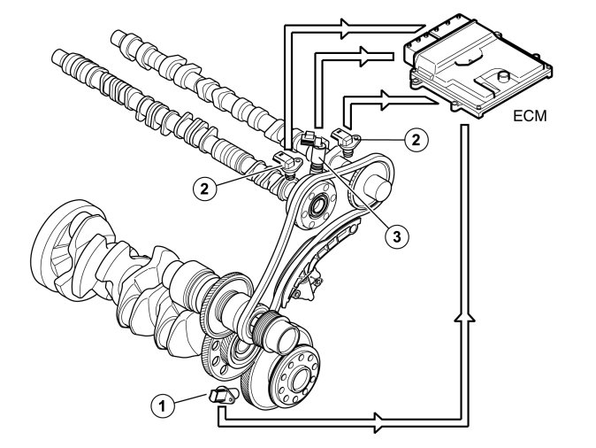
Camshaft control (CVVT)
Only the intake camshaft can be controlled by the Engine control module (ECM) via a reset valve.
The intake camshaft is located in the engine's leading edge (in the travel direction) and the exhaust camshaft in the trailing edge (towards the passenger compartment).
The camshafts are driven by the crankshaft via a gear housing located on the engine's top side.
When each camshaft is adjusted in the factory, its position is aligned with the crankshaft's position. The camshaft's position at alignment against the crankshaft is called the camshaft's 0-position (basic setting).
At camshaft control (CVVT), the camshaft's 0-position is displaced so that the camshaft's angle position is changed. Thus, opening and closing of the exhaust and inlet valves changes relative to the crankshaft.
By controlling the camshaft's angle position, the engine's performance can be increased, idle quality can be improved, and emissions can be reduced.
The engine control module (ECM) detects the position of the camshafts by comparing the signals from the engine speed (RPM) sensor (1) (crankshaft position) and the camshaft position (CMP) sensors (2) (camshaft positions). The engine control module (ECM) then controls the angle of the camshaft by controlling the oil flow to the CVVT unit using the reset valve camshaft (3).
There are diagnostics for this function. See also: Camshaft diagnostics (CVVT) Camshaft Diagnostics (CVVT)
Controlling, reset valve camshaft
1. Oil filter reset valve camshaft.
2. Oil channel (pressure, inlet).
3. Channel connected with CVVT-unit's chamber (triggering).
4. Channel connected with CVVT-unit's chamber (re-triggering).
The camshaft reset valve controls the oil flow to the continuous variable valve timing (CVVT) unit. The engine control module (ECM) uses a pulse width modulation (PWM) signal to control the valve. See also: Design, B6324S5 Design
The continuous variable valve timing (CVVT) unit allows the position of the camshaft to be adjusted relative to the crankshaft.
The camshaft is secured to the CVVT-unit's rotor. The rotor (and thus, the camshaft) can rotate in relation to the timing belt pulley by the oil pressure building up on one or the other side of the rotor's vanes in the CVVT-unit.
Control occurs according to the following during deployment/return of the camshaft.
A: Inlet camshaft
- Oil pressure from the lubrication system (1) of the engine.
- The oil passes the filter for the camshaft reset valve (2) and then on to the reset valve (3).
- The engine control module (ECM) controls the oil flow to one of the CVVT unit chambers (4) depending on whether it is to be deployed/returned by the camshaft.
The reset valve is controlled by the engine control module (ECM) by high frequency, switching for deployment and return. This results in rapid and precise control. The inlet camshaft can be triggered up to approx. 40 crankshaft degrees.
Controlling the generator
The engine control module (ECM) (4/46) regulates the charge voltage of the alternator (GEN) (6/26) (via LIN communication) when requested by the central electronic module (CEM) (4/56) (via CAN communication).
The engine control module (ECM) can change the requested charging voltage from the central electronic module (CEM) in order to adapt it to certain operating conditions such as starting, idling or high engine loads.
The value of requested charge voltage from the engine control module (ECM) and the charge current of the generator can be read off.
The alternator control module (ACM) (6/26) transmits information to the engine control module (ECM) regarding any faults). The diagnostic trouble codes (DTCs) are stored in the engine control module (ECM) in the event of a fault. In the event of certain faults, information about these faults is also transmitted to the central electronic module (CEM).
For additional information on regulating the alternator, see Design and Function, Alternator and Design and Function, central electronic module (CEM).
Variable intake system
General
Today's modern car engines often utilize systems with variable length of the intake manifolds.
In older engines with fixed lengths, the length had to be adapted to a certain specific engine speed range.
Today's system gives greater flexibility as well as additional torque without any costs in the form of, e.g., fuel consumption or emissions.
In the variable intake system, there are two actuators with associated throttles to change the length of the intake manifolds. These are:
- Actuator variable intake manifold, upper (6/139)
- Actuator variable intake manifold, lower (6/140)
The primary throttle is activated at engine speed over approx. 4800 rpm and the secondary throttle is activated between approx. 3800 rpm and 4800 rpm (applies at + 20 °C).
Different throttle combinations:
- Position 1: Both throttles are closed at engine speeds lower than approx. 3800 rpm.
- Position 2: The secondary throttle opens at approx. 3800 rpm and this shortens the length some more.
- Position 3: Both throttles are fully open to minimize the length at higher engine speeds (over 4800 rpm).
The valve for variable intake is controlled by the engine control module (ECM) (4/46).
The actuators for variable intake function can be activated and the function for variable intake can be diagnosed by the engine control module (ECM).
Variable camshaft profile (CPS)
1. High lift
2. Low lift
To maintain low fuel consumption at different loads and engine speeds, there is a system for variable camshaft profile (CPS, Cam Profile Shifting) that can vary the duration and lift height of the valves on the intake camshaft.
Duration = part of the rotating camshaft's revolution that the camshaft acts on the valve.
The system is made up of hydraulic valve depressors where the Engine control module (ECM), via oil channels, can set the valve depressors in two positions, one low position and one high position.
At start and at low temperatures (oil temperature below +40 °C, the system is pressureless and thus in its low position (spring loaded).
To minimize stresses the Engine control module (ECM) pressurizes the depressors that are not loaded at the moment. For this, two cam profile solenoids are needed.
Cam profile solenoid 1 (CPS1) supplies cylinder 1, 2, and 4, and cam profile solenoid 2 (CPS2) supplies cylinder 3, 5, and 6 with pressurized oil.
Oil monitoring
General
The following components are used for oil monitoring:
- oil level sensor (7/35)
- engine control module (ECM) (4/46)
- driver information module (DIM) (5/1).
The oil level sensor, via the driver information module (DIM), is used to inform the driver if oil filling is required.
Detecting the oil level
The integrated electronics of the sensor calculates the oil level using the measured value for the oil temperature.
For the correct oil level to be calculated, temporary oil level changes in the oil trough must also be included in the calculation, which can occur when driving on hills, around bends or similar for example. The engine control module (ECM) makes these calculations using the oil level sensor signal and a number of other parameters, for example, vehicle speed signal and load signal.
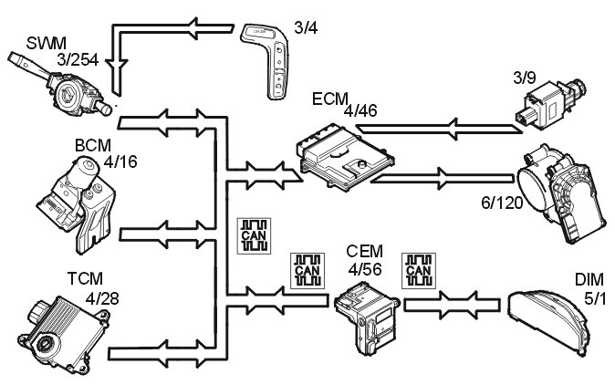
Controlling the cruise control
The following components are used when controlling the cruise control:
- engine control module (ECM) (4/46)
- steering wheel module (SWM) (3/254)
- control unit cruise control (3/4)
- central electronic module (CEM) (4/56)
- brake control module (BCM) (4/16) (brake pedal position, speed signal)
- driver information module (DIM) (5/1) (cruise control light)
- transmission control module (TCM) (4/28)
- electronic throttle unit (6/120)
- brake light switch (3/9).
To activate cruise control, the function must be switched on using the "CRUISE" button. Then a light is activated in the driver information module (DIM).
The driver activates the function by pressing the SET+ or SET- button. A message is then transmitted via the low speed side of the CAN network to the central electronic module (CEM) which then transmits the message on via the high speed side of the CAN network to the engine control module (ECM).
The engine control module (ECM) controls the throttle angle so that a constant speed is maintained using the vehicle speed signal from the Brake Control Module (BCM). The transmission control module (TCM) also receives a message indicating that cruise control is active via the Controller area network (CAN), so that the transmission follows certain shifting patterns when the cruise control is active.
If the accelerator pedal (AP) is depressed the vehicle speed increases as normal and then resumes the stored value when the driver releases the accelerator pedal (AP) again.
The engine control module (ECM) continually stores the speed. If the cruise control is disengaged, for example, if the driver depresses the brake pedal, the previous speed can be resumed by pressing the "RESUME" button.
The cruise control cannot be activated below a certain speed.
Cruise control is switched off:
- when the driver depresses the brake pedal
- when the driver presses the "CRUISE" button on the steering wheel
- when the driver depresses the "0" button on the steering wheel
- if "P" or "N" position is transmitted on the controller area network (CAN)
- if the speed deviates too much from the set value
- when the control system detects a fault that prevents activation. (For further information, see diagnostic trouble code (DTC) information for the relevant diagnostic trouble codes (DTCs)).
Fuel trim
Overview
Fuel trim reduces exhaust emissions. Fuel trim reduces nitrous oxides (NOx), carbon monoxide (CO) and hydrocarbon (HC) emissions.
Theoretically, if the correct amount of oxygen is added during combustion, fuel can be converted to water (H2O) and carbon dioxide (CO2). Emissions would then be completely safe.
In practice considerable amounts of hydro-carbons (HC) and varying amounts of carbon monoxide (CO) and carbon dioxide (CO2) remain.
Due to the high temperature and pressure, nitrous oxides such as NO and NO2 are also formed. The common designation for these gases is nitrous oxides NOx.
By speeding up the reaction between the remaining reactive components using a catalytic converter, these can be converted to water (H2O), carbon dioxide (CO2) and nitrogen (N2).
However this can only happen if the balance of hydro-carbons (HC), carbon monoxide (CO), oxygen (O2) and nitrous oxides (NOx) is exactly right in the exhaust. This happens when the fuel air mixture before combustion is 14.7 kg of air per kg of fuel. The Lambda value is then said to be one, (lambda=1).
A base program in the engine control module (ECM) calculates the injection period based on data about load, i.e. the measured air mass and engine speed (rpm). The calculated injection time (from the base program) is then modified by a circuit (short-term fuel trim). The signal from the heated oxygen sensor (HO2S) is used to finely adjust the injection period so that lambda=1 is reached. The short-term fuel trim is a circuit that finely adjusts the injection period so that the fuel/air mixture is optimized (lambda=1). The control module also used the signals from the front and rear heated oxygen sensors (HO2S) to correct the front heated oxygen sensor (HO2S) (offset adjustment) and thereby the injection period. This gives a higher degree of accuracy during fuel trim. Fuel trim is a rapid process which may take place several times a second. Adjustment of the injection period calculated in the base program is limited.
The short-term fuel trim can be read off.
Adaptive functions
Certain factors, for example, tolerance deviations on certain components such as mass air flow (MAF) sensor and injectors, air leakage on the intake side, fuel pressure etc. affect the fuel / air mix. In order to compensate for this, the engine control module (ECM) has adaptive (self learning) functions. When the engine is new the short term fuel trim varies cyclically around a nominal central line (A) 1.00, with, for example, a ±5% change of injection time when fuel trim is in operation.
If there is air leakage for example, the short-term fuel trim will quickly be offset to a new position (B) and will then work for example between 1.10 (+10%) and 1.20 (+20%), although still at an amplitude of 5%, but with an offset in relation to the original center line (A). The injection period has then been increased to compensate the increase in the amount of air.
The adaptive functions will correct the change, so that the short-term fuel trim will work around the new center line (B) where it will again have its full range of control available.
Put simply, fuel trim is a measurement of the difference (C) between the original short-term fuel trim center line (A) and the new center line (B).
The adaptive functions are split into various operational ranges based on the load and speed of the engine.
The different adaption ranges can be read off.
The adaptive adjustments of injection time are continuously stored in the engine control module (ECM). This means that, at different operating ratios, the correct mixture ratio is achieved before the heated oxygen sensor (HO2S) reaches operating temperature.
The diagnostic trouble code (DTC) is stored in the engine control module (ECM) if any adaption value is too high or too low.