Specifications, Mechanical

Need a step-by-step guide?

Get an AI-powered repair guide with parts lists, cost estimates, and clear instructions for your 2005 Volvo.

AI Repair Guides





Specifications, mechanical

Note! The illustrations in this service information are used for different model years and/or models. Some variation may occur. However, the essential information in the illustrations is always correct.

Engine manufacture number, engine serial number and type





The engine serial number and type are stamped on the left side of the cylinder block at the top of the mounting for the water pump.
There is also a decal on the timing casing with the engine type, manufacturing number, and serial number.

Classification of main bearings





The marking is stamped on the cylinder block and crankshaft.




1. Classification cylinder block
2. Classification crankshaft
3. Cylinder block
4. Intermediate section

General data (engine capacities)






Cylinder block









The bore classification is stamped on top of the engine block. For example: 1CCDDE is read as cyl 1=C, cyl 2=C, cyl 3=D, cyl 4=D, cyl 5=E.

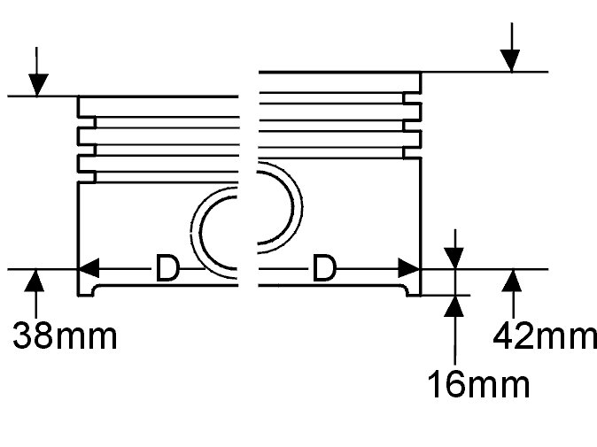
Pistons (engine capacities)









Classification is marked on the top of the piston.










Piston rings




Upper compression ring.0.030-0.070 mm
Lower compression ring.0.030-0.070 mm
Oil control ring assembly.0.038-0.142 mm
Upper.1,200 -0.010/-0.030 mm
Lower.1,500 -0.010/-0.030 mm
Spring.1.510 ± 0.020 mm
Rail.0.460 ± 0.011 mm

Piston pin





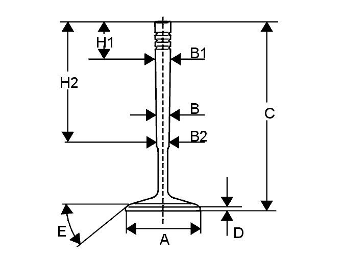
Valves




Inlet.31.00 ± 0.15 mm
Exhaust.27.00± 0.15 mm
Inlet (early versions).6.970 +0/-0.015mm
Inlet (late versions).5.970 +0/-0.015mm





Inlet.102.00 ± 0.07 mm
Exhaust.101.05± 0.07 mm
Inlet and exhaust.1.50 mm
Minimum height after grinding.1.20 mm
Inlet and exhaust.44.5°




Valve stem height.48.4± 0.5 mm
Maximum machining of the valve stem.0.5 mm

Valve seats










Tappets




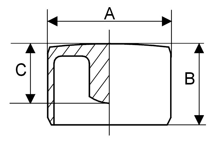
Tappets, dimensions
External diameter (A).32.000 +0.025/-0.041 mm
External height (B).26.0± 0.5 mm
Solid valve lifter shaft length (C)
15.96 mm at 0.02 mm intervals up to 16.16 mm. The dimensions are listed on the inside of each valve lifter.

Valve springs
Length.45.1 + 1.5/-0.5 mm
Type.Conical

Valve guides




Inlet/Exhaust.0.03-0.06 mm
Inlet/Exhaust.0.15 mm

Camshafts






Cylinder head




Front-rear.0.50 mm
Lateral.0.20 mm
Cylinder head height.129.00± 0.05 mm
Maximum machining.0.30 mm

Caution! Scratches and corrosion to the cylinder head gasket face should only be machined on a flat cylinder head.

Crank mechanism




Main bearing journal radial runout. maximum 0.040 mm
Axial play (Measured in the engine with the intermediate section tightened). 0.08-0.19 mm
Main bearing journal radial runout. 0.020-0.043 mm




Diameter, standard. 50.000 +0/-0.016
Bearing recess width. 26.0 ± 0.1 mm
Maximum out-of-round. 0.004 mm
Maximum taper. 0.004 mm

The variation in diameter for each bearing journal must not exceed 0.008 mm.

Diameter, standard. 65.000 +0.003/-0.016 mm
Axial bearing width. 26.00 +0/-0.04mm
Maximum out-of-round. 0.004 mm
Maximum taper. 0.004 mm

The variation in diameter for each bearing journal must not exceed 0.008 mm.










Engine oil
Oil volume including filter.6.6 liters
According to API Service.lowest SH or SJ.
According to ACEA.Grade A2, A2/B2, A3 or A3/B3.
13.3 r/s (800 rpm).0.10 Mpa
14.2 r/s (850 rpm).0.10 Mpa
66.7 r/s (4000 rpm).0.35 Mpa
Maximum oil pressure (the relief valve opens).0.48 Mpa

The oil pressure given is for an oil temperature of 100 °C, which is reached after 10-15 minutes driving.

Fuel line pressure






Cooling system
Marking. 90
Starts to open at. 90°C
Fully open at. 105°C