Pistons

Need a step-by-step guide?

Get an AI-powered repair guide with parts lists, cost estimates, and clear instructions for your 2005 Volvo.

AI Repair Guides




Pistons (Engine Capacities)










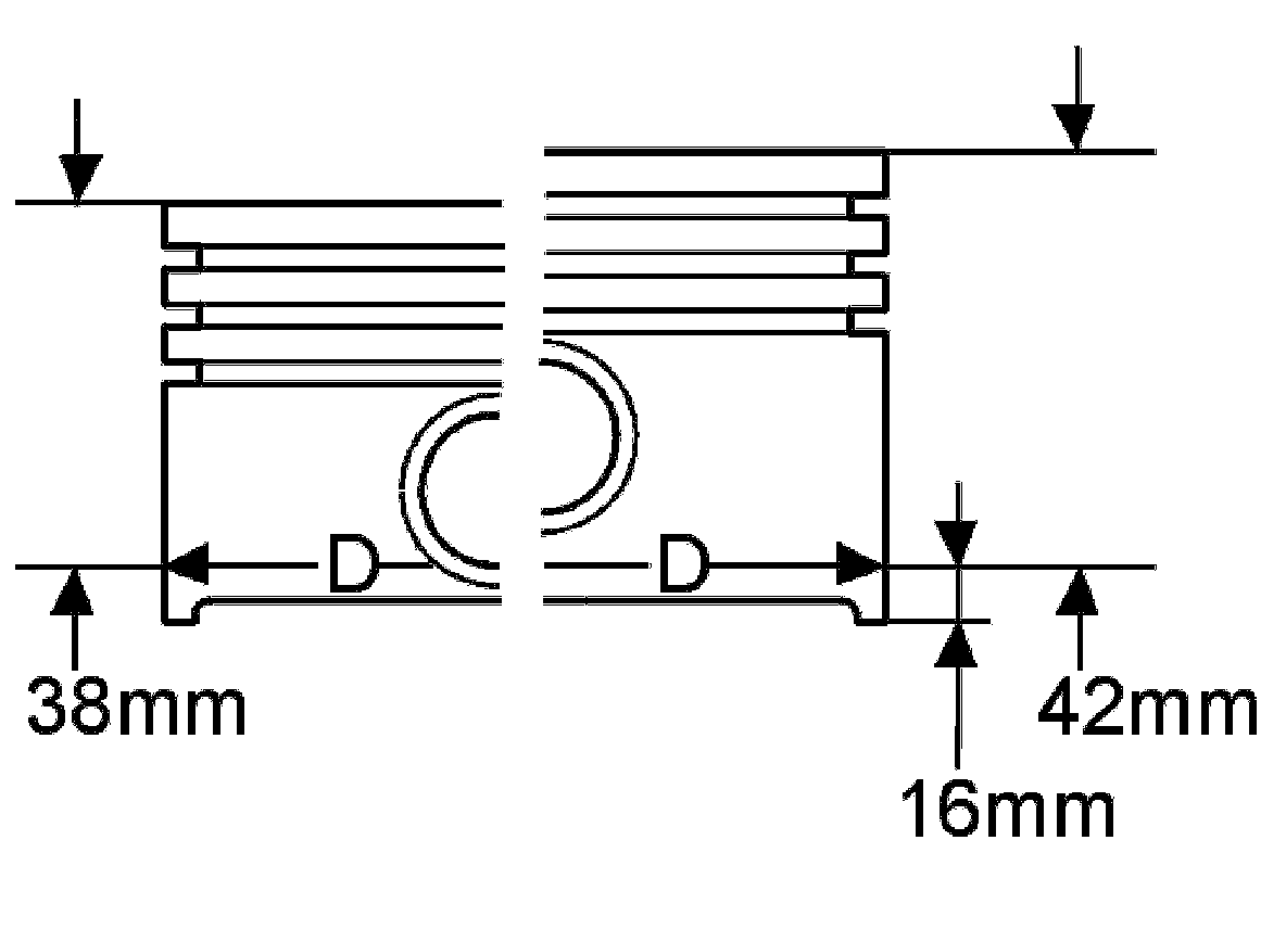
Piston running clearance (example)







Measured cylinder diameter 83.015 mm
Measured piston diameter 82.995 mm
The piston running clearance is 0.020 mm
The piston running clearance must be 0.010 - 0.030 mm

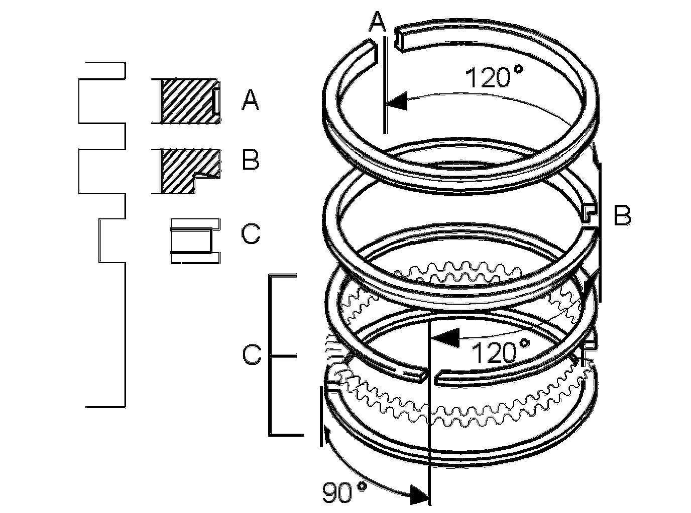
Piston rings

Axial clearance
Upper compression ring 0.030 - 0.070 mm
Lower compression ring 0.030 - 0.070 mm
Oil control ring assembly 0.038 - 0.142 mm

Compression ring dimension
Upper 1,200 -0.010/-0.030 mm
Lower 1,500 -0.010/-0.030 mm







Dimension, three piece oil ring
Spring 1,510 ± 0.020 mm
Rail 0.460 ± 0.011 mm

Piston pin







Installing piston rings