Cruise Control: Service and Repair

Need a step-by-step guide?

Get an AI-powered repair guide with parts lists, cost estimates, and clear instructions for your 2005 Volvo.

AI Repair Guides





Cruise control

Note! This accessory requires software unique to the car.

Preparations




- Turn the ignition key to position "0". Remove the ignition key from the ignition switch
- Wait five minutes. Then disconnect the battery negative lead before separating the connectors or removing other electrical equipment.

Disassembling, the steering wheel




- Turn the steering wheel a quarter turn so that the holes on the reverse of the steering wheel are accessible.




- Insert a screwdriver in the hole (2) on the reverse of the steering wheel, at right angles to the rear surface of the steering wheel.
Insert a screwdriver as far as possible to determine the position of the end of the spring clip (1)
- Position the end of the screwdriver on the top of the spring clip as illustrated
- Pry the screwdriver upwards towards the upper edge of the hole so that the end of the screwdriver presses the spring clip down (1) until one side of the steering wheel module springs out and releases from the mounting
- Turn the steering wheel a half turn in the opposite direction. Carry out the operation on the other side.
- Turn the steering wheel to the neutral position.




- Fold the steering wheel module out
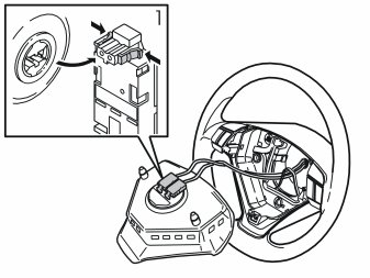
- Remove the two connectors (1) for the ignition cables for the airbag. First press in the catches on the sides. Then pull the connectors straight out.

Note! The connectors are tightly secured. However, tools must not be used when removing.

- Place the steering wheel module to one side.




- Remove the screw (1). Remove the ground lead
- Disconnect the connector (2) for the horn and the keypads
- Remove the three screws (3). Lift the horn out (4).

Applies to cars with pre-routed wiring




- Press in the catch (1) on the connectors for the left dummy button. Remove the connectors.

Applies to all cars




- Remove the screw (1) in the dummy button on the left hand side of the horn
- Press in the catch (2). At the same time pull the dummy button from its socket. Place the dummy button to one side.
If there is existing wiring: continue to relevant point.

Note! If there is no existing wiring the horn must be replaced. A new horn is in the kit.

Applies to cars without existing wiring




- Remove the screw (1) in the dummy button on the right hand side of the horn
- Press in the catch (2). At the same time pull the dummy button from its socket.

Note! Be careful with the dummy button, it will be reused.

- Place the old horn to one side. The horn will not be reused.

Applies to cars without existing wiring




- Install the new horn into place.
- Insert the right dummy button into the groove until the catch engages
- Install the screw. Tighten the dummy button
- Connect the connector to the dummy button.

Installing, the keypad for the cruise control

Applies to all cars




- Insert the new keypad for the cruise control into the grooves until the catch engages
- Install the screw. Tighten the keypad
- Connect both connectors to the keypad.

- Reinstall the horn. Ensure that the three springs are correctly positioned. Check that the ground lead is not trapped
- Tighten the screws crosswise. Tighten to 6.5 Nm (5 ft.lb.)
- Reinstall the ground lead using the screw. Tighten the ground lead
- Connect the connector for the horn and the keypads
- Check the function of the horn. Press the horn all the way round its circumference. (A metallic noise should be heard).




- Check that the two springs (1) are in position
- Connect the two connectors for the ignition cables for the steering wheel module
- Insert the two pins on the reverse of the steering wheel module in the two springs. Ensure that the ignition cables are not trapped
- Press the steering wheel module into the mountings (two clicks should be heard).

Finishing work




- Turn the ignition key to position "II"
- Connect the battery negative lead
- Program the software according to the service information in VIDA.