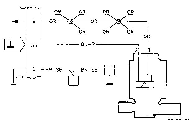
MFI #33 No Idle Air Control Valve Signal

Need a step-by-step guide?

Get an AI-powered repair guide with parts lists, cost estimates, and clear instructions for your 1991 Volvo.

AI Repair Guides


TR. MFI#33

MFI#33 No idle air control (IAC) valve signal

Fault Message Conditions:

The fault message is logged if voltage is below 2.5 V for 300 ms.

Causes of fault:




Break or grounding between MFI#33 and the valve.

Break or grounding in the IAC valve.

Fault symptoms:

Low idle speed.

TR1

Volvo ST, Test Box




-Disconnect the ST in accordance with QA2. Connecting The Volvo Scan Tool (ST)

Connect the test box to MFI and check the GND points in accordance with P1-P2.

-Continue with Checking the wiring and valve resistance.

TR2.

Checking The Wiring And Valve Resistance

-Ignition off.

Connect an ohmmeter between MFI#33 and MFI#9.

The ohmmeter should read approx. 8 OHMS.

If this value is OK

-Check the wiring's resistance to GND TR3.

If the reading is incorrect

-Check the valve resistance TR6.

TR3

Checking The Wiring's Resistance To GND




-Ignition off.

-Disconnect the IAC valve.

Connect an ohmmeter between MFI#33 and MFI#5 (GND). The ohmmeter should read infinite resistance.

If this value is OK

-Check the signal to valve TR4.

If the reading deviates

-Check the wiring between the control modules for grounding in accordance with NA3. Checking the Wiring

TR4

Checking The Power Supply




-Connect the control module to the test box.

-Connect the IAC valve

-Install the fuse.

-Ignition on.

Connect a voltmeter between MFI#33 and MFI#5 (GND).

The voltmeter should read battery voltage.

If this value is OK

-Check the control of #33 TR5.

If the reading deviates

-Check the wiring between MFI#33 and the valve and between MFI#9 and the valve for breaks in accordance with NA2. Checking the Wiring

TR5

Checking Control #33




-Start the engine and let it idle. The voltmeter should read 7-10 V.

If this value is OK

Intermittent fault.

-Check the connections for loose contacts in accordance with NA5. Checking the Wiring

If the voltage does not drop

-Try using a new control module.

TR6

Checking The Valve Resistance




-Ignition off.

-Disconnect the IAC valve.

Connect an ohmmeter between terminals 1 and 2 on the valve. The ohmmeter should read approx. 8 OHMS.

If this value Is OK:

-Check the wiring between MFI#33 and the valve and the wiring between MFI#9 and the valve for breaks. Checking the Wiring

If he reading Is incorrect:

-Try using a new IAC valve.