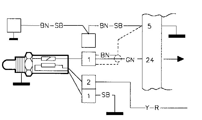
MFI #24 Heated Oxygen Sensor Signal Faulty

Need a step-by-step guide?

Get an AI-powered repair guide with parts lists, cost estimates, and clear instructions for your 1991 Volvo.

AI Repair Guides


TP MFI #24

MFI#24 Heated oxygen sensor (HO2S) signal faulty

Fault Message Conditions:

The fault message is logged if the voltage difference between high and low signals has been less than 0.3 V. for more than 10 seconds.

This measurement is not carried out if engine speed is above 2500 rpm, the idle switch is closed, the fuel is shut off or the engine temperature is under 70°C (158°F).

Causes Of Fault:

Grounding or voltage in the wiring between MFI#24 and HC2S.




Break in the wiring to the HO2S power supply.

Fault symptoms:

High fuel consumption.

NOTE: When checking wiring, the ST should be disconnected. Checking the Wiring

TP1

Monitor Test




-Check the HO2S signal in Monitor Test.

The signal should vary between low signal (<0.2V) and high signal (>0.7 V) about every other second.

If the signal is OK

-Check the connections for loose contacts in accordance with NA5. Checking the Wiring

If the signal is a constant approx. 0 V

-Check the wiring between MFI#24 and HO2S for grounding.

If the signal Is a constant 0.5 V

-Check wiring between HC2S sensor fuse 11 for open circuit in accordance with NA2. Checking the Wiring

If the signal is a constant 1.0 V or over

-Check the wiring between MFI#24 and the HO2S for short circuits in accordance with NA4. Checking the Wiring