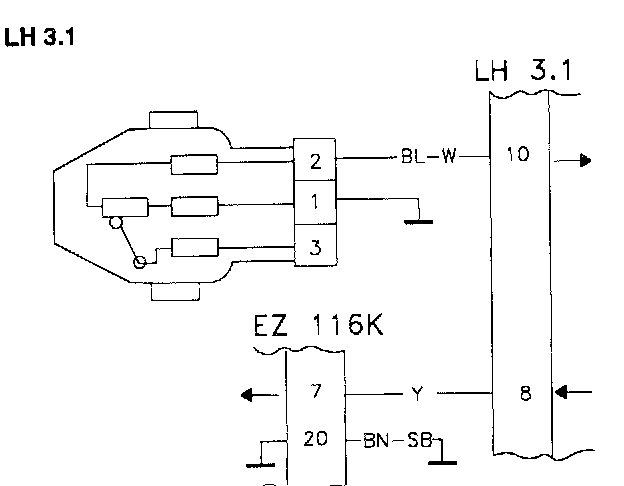
LH #8/EZ #7 (3.1) Idle Contact Signal Absent

Need a step-by-step guide?

Get an AI-powered repair guide with parts lists, cost estimates, and clear instructions for your 1991 Volvo.

AI Repair Guides


TH.LH#8/EZ#7 (LH 3.1)

LH#8/EZ#7 Idle contact status varies

DTC Conditions:

A DTC is set if the voltages at LH#8 and EZ#7 differ, i.e. they are not above or below 1.2 V. simultaneously.

Causes of fault:




Break in wire between LH#8 and EZ#7.

Fault symptoms:

Idling problems.

TH1

Volvo System Tester (ST), Test Box.




-Disconnect System Tester as in QA2. Connecting The Volvo Scan Tool (ST)

-Connect test box to EZ K and check ground points.

-Continue with Check signal TH2

TH2

Check Signal

-Connect control module to test box.

-Re-install system fuse.




-Ignition on.

Connect a voltmeter between EZ#7 and EZ#20 (GND).

Voltmeter reading should be around 0 V. in idling position and over 4 V. at full load.

If both values are OK:

Intermittent fault.

-Check wiring between EZ#7 and LH#8 for loose contacts.

If voltmeter shows 0 V In both readings:

-Check wiring between EZ#7 and LH#8 for breaks as in NA2. Checking the Wiring