Steering Column Switch, Through 05.10, Overview

Need a step-by-step guide?

Get an AI-powered repair guide with parts lists, cost estimates, and clear instructions for your 2012 Volkswagen.

AI Repair Guides





Steering Column Switch, Through 05.10, Overview






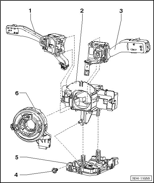
1 - Turn Signal Switch

A component of the Steering column combination switch (E595) => [ Steering Column Combination Switch (E595), Through 05.10 ] Steering Column Combination Switch (E595), Through 05.10.

Observe removal and installation sequence. Refer to => [ Steering Column Switch Components, Removal and Installation Sequence ] Steering Column Switch Components, Removal and Installation Sequence.

Removing and installing, refer to => [ Turn Signal Switch (E2) ] Turn Signal Switch (E2).

The "turn signal switch" contains the Turn signal switch (E2) , the Headlamp dimmer/flasher switch (E4) and Cruise control switch (E45) (depending on the vehicle equipment level).

In the illustration, the "turn signal switch" is depicted without Cruise Control Switch (E45).

2 - Base Carrier For Steering Column Switches

A component of the Steering column combination switch (E595) => [ Steering Column Combination Switch (E595), Through 05.10 ] Steering Column Combination Switch (E595), Through 05.10.

Observe removal and installation sequence. Refer to => [ Steering Column Switch Components, Removal and Installation Sequence ] Steering Column Switch Components, Removal and Installation Sequence.

Removing and installing, refer to => [ Steering Column Switch Base Plate ] Steering Column Switch Base Plate.

3 - Windshield Wiper Switch (E)

A component of the Steering column combination switch (E595) => [ Steering Column Combination Switch (E595), Through 05.10 ] Steering Column Combination Switch (E595), Through 05.10.

Observe removal and installation sequence. Refer to => [ Steering Column Switch Components, Removal and Installation Sequence ] Steering Column Switch Components, Removal and Installation Sequence.

Removing and installing, refer to => [ Windshield Wiper Switch (E) ] Windshield Wiper Switch (E).

4 - Bolt

5 - Steering Column Electronic Systems Control Module (J527)

Observe removal and installation sequence. Refer to => [ Steering Column Switch Components, Removal and Installation Sequence ] Steering Column Switch Components, Removal and Installation Sequence.

Removing and installing, refer to => [ Steering Column Electronic Systems Control Module (J527) ] Steering Column Electronic Systems Control Module (J527).

Coding, refer to => [ Steering Column Electronic Systems Control Module (J527), Through 05.10, Coding ] Steering Column Electronic Systems Control Module (J527), Through 05.10, Coding.

6 - Airbag Spiral Spring/Return Spring With Slip Ring (F138)

Observe removal and installation sequence. Refer to => [ Steering Column Switch Components, Removal and Installation Sequence ] Steering Column Switch Components, Removal and Installation Sequence.

Removing and installing, refer to => [ Airbag Spiral Spring/Return Spring With Slip Ring (F138) ] Airbag Spiral Spring/Return Spring With Slip Ring (F138).