Servicing

Need a step-by-step guide?

Get an AI-powered repair guide with parts lists, cost estimates, and clear instructions for your 2004 Volkswagen.

AI Repair Guides



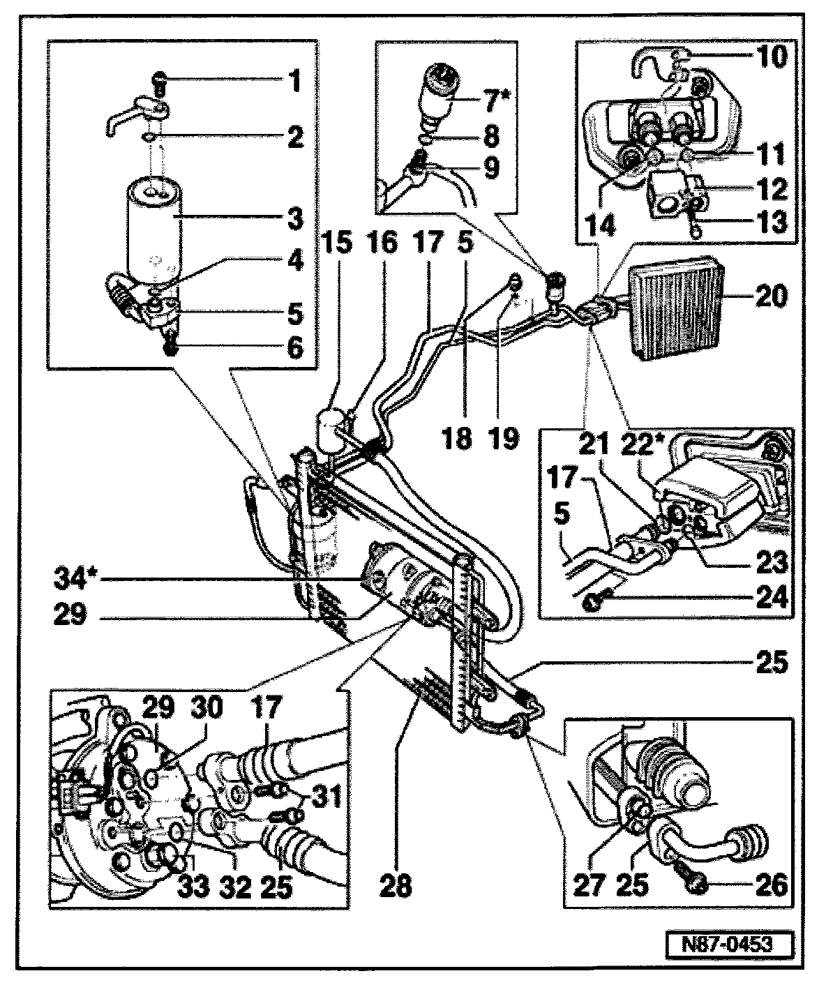
A/C Refrigerant System, Servicing







NOTE:
- Before carrying out any work on the A/C refrigerant system, refer to A/C refrigerant system safety measures.
- Except where indicated with *, all components illustrated must only be serviced or replaced after discharging refrigerant system. Use kent Moore ACR4 or equivalent.
- O-rings used on R-134a systems may be red, green, violet or black.
- Always plug open refrigerant line connections to prevent did and moisture contamination.


1 - Bolt
- 15 Nm (11 ft lb)
2 - O-ring
- Always replace
- 10.8 mm; 1.8 mm
3 - Receiver drier
- Always replace
4 - O-ring
- Always replace
- 10.8 mm; 1.8 mm
5 - Refrigerant line
- From receiver drier to expansion valve
6 - 6- Bolt
- 15 Nm (11 ft lb)
7 - A/C pressure switch -F129-* or high pressure sensor -G65-*
- 15 Nm (11 ft lb)
- Tightening torque 8 Nm (71 in. lb)
- Always replace O-ring (note Part No.).
- -G65- monitored by On Board Diagnostic of Engine Control Module (ECM).

Function:
- -F129- switches the coolant fan - V7- to next higher speed when pressure increases in refrigerant circuit.
- -F129- switches off A/C clutch whenever excessive refrigerant system pressure is present (e.g.: insufficient air flow over condenser or if system is overcharged).
- -F129- switches off A/C clutch whenever insufficient refrigerant system pressure is present (e.g.: refrigerant has leaked out).
- -G65- supplies refrigerant system pressure signal to coolant fan control module -J293- and ECM.
8 - O-Ring
- Always replace
- 10.8 mm; 1.8 mm
9 - Schrader valve
10 - Threaded plate
11 - O-ring
- Always replace
- 10.8 mm; 1.8 mm
12 - Expansion valve
- Located in right side of engine compartment
- Hole for refrigerant lines at bulkhead must be must be sealed against splash water
13 - Bolt
- 8 Nm (71 in. lb)
14 - O-ring
- Always replace
- 14 mm; 1.8 mm
15 - Damper
16 - Low pressure service valve
- Only use Kent Moore ACR4 or equivalent.
- Removing and installing See Fig. 1
17 - Refrigerant hose
- From expansion valve to compressor
- With damper
18 - High pressure service valve
- Only use Kent Moore ACR4 or equivalent.
19 - O-ring
- Always replace
- 10.8 mm; 1.8 mm
20 - Evaporator
- In heating and A/C unit (in passenger compartment)
21 - O-ring
- Always replace
- 16.7 mm; 1.8 mm
22 - Insulation*
23 - O-ring
- Always replace
- 7.6 mm; 1.8 mm
24 - Bolt
- 8 Nm (71 in. lb)
25 - Refrigerant hose
- From compressor to condenser
26 - Bolt
- 15 Nm (11 ft lb)
27 - O-ring
- Always replace
- 10.8 mm; 1.8 mm
28 - Condenser
29 - Compressor
- Manufacturer: Sanden, designation: SD7V16
- Manufacturer: Zexel, designation: DCW-17D
- With A/C clutch -N25-
30 - O-ring
- Always replace
- 14.3 mm; 2.4 mm
31 - Bolt
- 20 Nm (15 ft lb)
32 - O-ring
- Always replace
- 10.8 mm; 1.8 mm
33 - Pressure relief valve
34 - A/C clutch -N25-*

Fig. 1 Low pressure service valve, removing







- Discharge refrigerant system before replacing valve -3-. Only use Kent Moore ACR4 or equivalent.


NOTE: Protect all opened components against contamination of did and moisture with suitable plastic caps.


1 - Base with outside thread and groove for -O-ring
2 - O-ring
- Always replace
- 7,6 mm; 1,8 mm
3 - Service valve
4 - O-ring
- Always replace
- 7,6 mm; 1,8 mm
5 - Cap

Fig. 2 High pressure service valve, removing







- Discharge refrigerant system before replacing valve -3-. Only use Kent Moore ACR4 or equivalent.

NOTE: Protect all opened components against contamination of did and moisture with suitable plastic caps.

1 - Base with inside thread
2 - O-ring
- Always replace
- 10,8 mm; 1,8 mm
3 - Service valve with groove and inside thread for cap.
4 - O-ring
- Always replace
- 10,8 mm; 1,8 mm
6 - Cap

Fig. 3 Pressure relief valve, checking







- Function: Protects refrigerant circuit from excessive pressure.
- The pressure relief valve shows whether valve has opened. An adhesive sticker is pushed out.