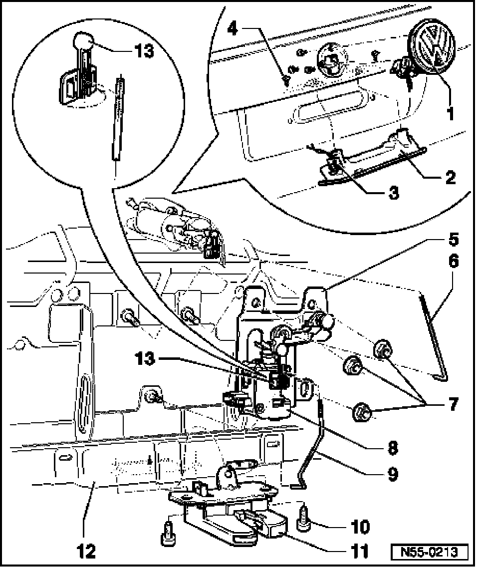
Trunk / Liftgate Lock

Need a step-by-step guide?

Get an AI-powered repair guide with parts lists, cost estimates, and clear instructions for your 2004 Volkswagen.

AI Repair Guides


Rear Lid Lock, Removing And Installing







1. Lock cylinder housing
2. Handle
- Remove bolt Item -4-, disconnect connector for switch Item -3- and remove handle from lid.
3. Tailgate/trunk lid release switch E165
4. Bolt
- 7 Nm
5. Carrier plate
6. Operating rod
- Press actuator lever with linkage clip Item -13- against stop and engage operating rod free of tension
7. Nut
- 7 Nm
8. Tailgate/trunk lid release motor V139
- Removing
- Disconnect connector from motor.
- Unclip operating rod, See Item -6- from lock cylinder housing.
- Unclip operating rod Item -9- from motor for rear lid release.
- Unclip operating rod Item -9- from motor for rear lid release.
- Remove hex nuts Item -7- and remove carrier plate Item -5-.
- Remove motor for rear lid release Item -8- from carrier plate.
9. Operating rod
- Press actuator lever with operating rod Item -13- against stop and engage operating rod free of tension
10. Bolt
- 22 Nm
11. Lock
- Removing
- Remove lid trim
- Disconnect connector from lock.
- Unclip operating rod, See Item -9- , remove bolt Item -10- (2 pieces) and remove lock.
12. Rear lid
13. Actuator lever with linkage clip