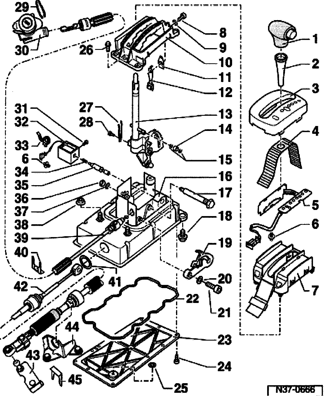
Shifter A/T

Need a step-by-step guide?

Get an AI-powered repair guide with parts lists, cost estimates, and clear instructions for your 2004 Volkswagen.

AI Repair Guides


4 Speed Automatic 01M





1. Selector lever handle
2. Sleeve
3. Cover
4. Cover strip
5. Selector lever position display
6. Retainer
7. Frame
8. Bolt, 7 Nm
9. Shim
10. Locking segment
11. Plate
12. Locating spring with roller
13. Selector lever
14. Roller
15. Circlip
16. Selector lever housing
17. Fulcrum pin
18. Bolt, 25 Nm
19. Locking lever
20. Shim
21. Bolt
22. Gasket
23. Cover
24. Bolt
25. O-ring
26. Bolt, 8 Nm
27. Contact spring
28. Bolt, 4 Nm
29. Clip
30. Steering lock
31. Bolt
32. Shift lock solenoid -N110-
33. Cable tie
34. Spring
35. Locking pin
36. Nut, 13 Nm
37. Washer
38. Nut, 25 Nm
39. Locking cable
40. Circlip
41. Gasket
42. Selector lever cable
43. Lever
44. Support bracket
45. Circlip