System Specifications

Need a step-by-step guide?

Get an AI-powered repair guide with parts lists, cost estimates, and clear instructions for your 1996 Volkswagen.

AI Repair Guides
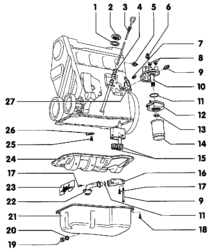
Lubrication system, components and specifications






1. Gasket
2. Cap
3. Oil dipstick
4. Dipstick tube

5. 0.3 bar Oil Pressure Switch -F22-
Wire: blue/black
Engines > 07.95
Housing: brown
Engines 08.95 >
Housing: blue

6. Oil Pressure Switch -F1-
7. Check valve 5 Nm (44 in lb)
8. Plug
9. 20 Nm (15ft lb)
10. Oil filter bracket
11. O-ring
12. Oil cooler
13. 25 Nm (18 ft lb)
14. Oil filter
15. Oil pump gears
16. Oil pump cover with pressure relief valve
17. 10 Nm (7 ft lb)
18. 20 Nm (15 ft lb)
19. Oil drain plug 30 Nm (22 ft lb)
20. Seal
21. Oil pan
22. Suction line
23. Baffle
24. Gasket

25. Pressure relief valve
Not applicable 08.95 >

26. Oil spray nozzle
Not applicable 08.95 >

27. Gasket