System Components

Need a step-by-step guide?

Get an AI-powered repair guide with parts lists, cost estimates, and clear instructions for your 1996 Volkswagen.

AI Repair Guides

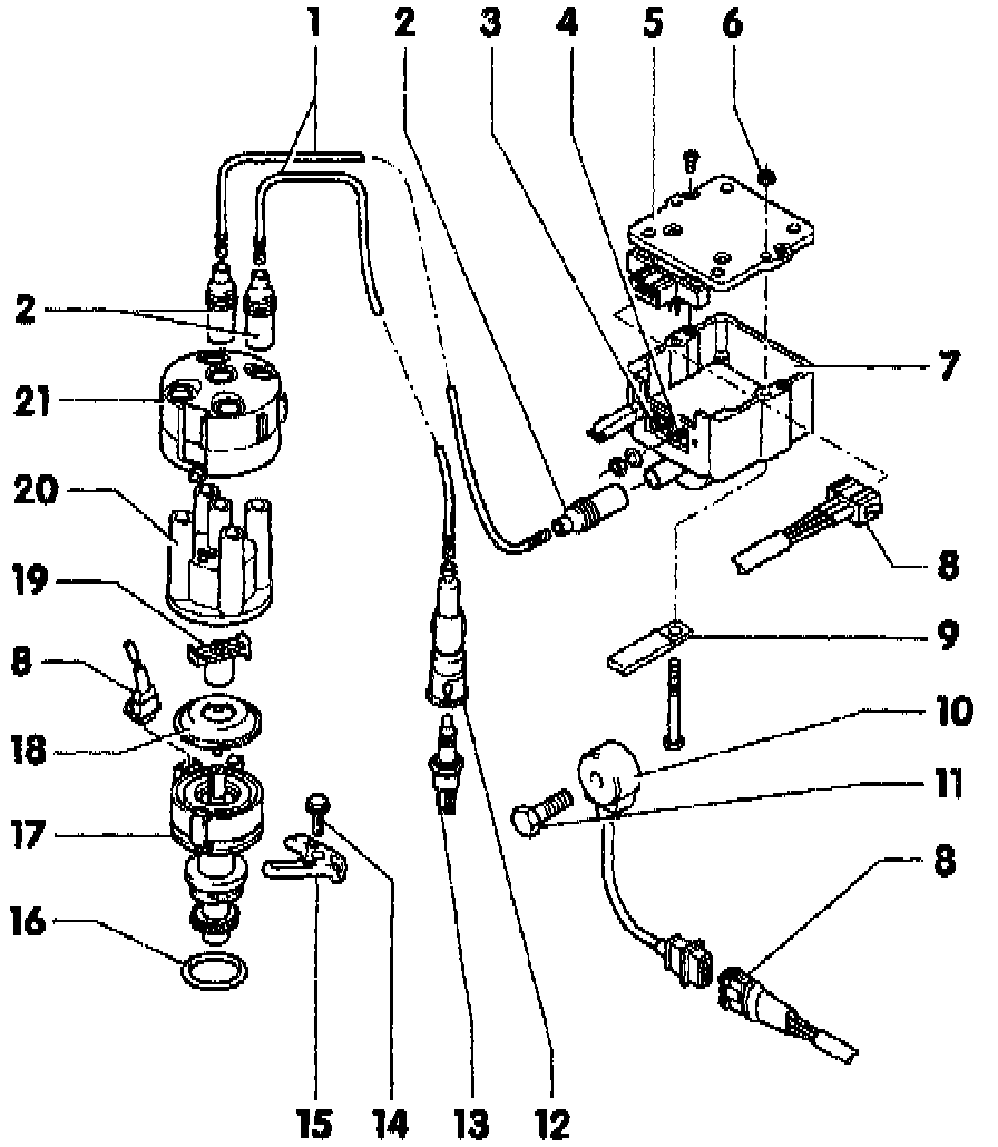
Ignition System Components:




1 - Ignition wire
- Check for continuity
2 - Interference suppression connector
- Resistance: 600 - 1400 Ohms.
3 - Terminal 1
4 - Terminal 15
5 - Ignition Coil Power Output Stage (N157)
6 - 10 Nm (7 ft lb)
7 - Ignition Coil (N152)
8 - Connector
- 3-pin
9 - Ground strap
10 - Knock Sensor 1 (G61)
11 - 20 Nm (15 ft lb)
- Incorrect tightening torque affects
function of knock sensor
12 - Spark Plug connector
- Resistance: 4000 - 6000 Ohms
- Remove and install with VW 3277
13 - Spark Plug
- Tightening torque: 30 Nm (22 ft lb)
- Remove and install with 3122 B
14 - 25 Nm (18 ft lb)
15 - Clamp
16 - O-ring
- Always replace
17 - Ignition Distributor with Camshaft
Position Sensor (G40)
18 - Dust cap
19 - Rotor for Ignition Distributor
- Identification: R1
- Resistance: 600 - 1400 Ohms.
20 - Distributor cap
- Check for cracks, traces of current leaks
- Check for wear on contacts
- Clean before installing
- Check carbon brushes for wear and freedom of movement.
21 - Interference suppression cap