EVAP System

Need a step-by-step guide?

Get an AI-powered repair guide with parts lists, cost estimates, and clear instructions for your 1996 Volkswagen.

AI Repair Guides


EVAP system components, servicing, Vehicles up to 1996

Note: From 08.95 to 10.95 vehicles were produced with a Leak Detection Pump (LDP) installed, but not activated. Beginning 11.95 the pump was no longer installed. The pump was then reintroduced for the 1997 model year

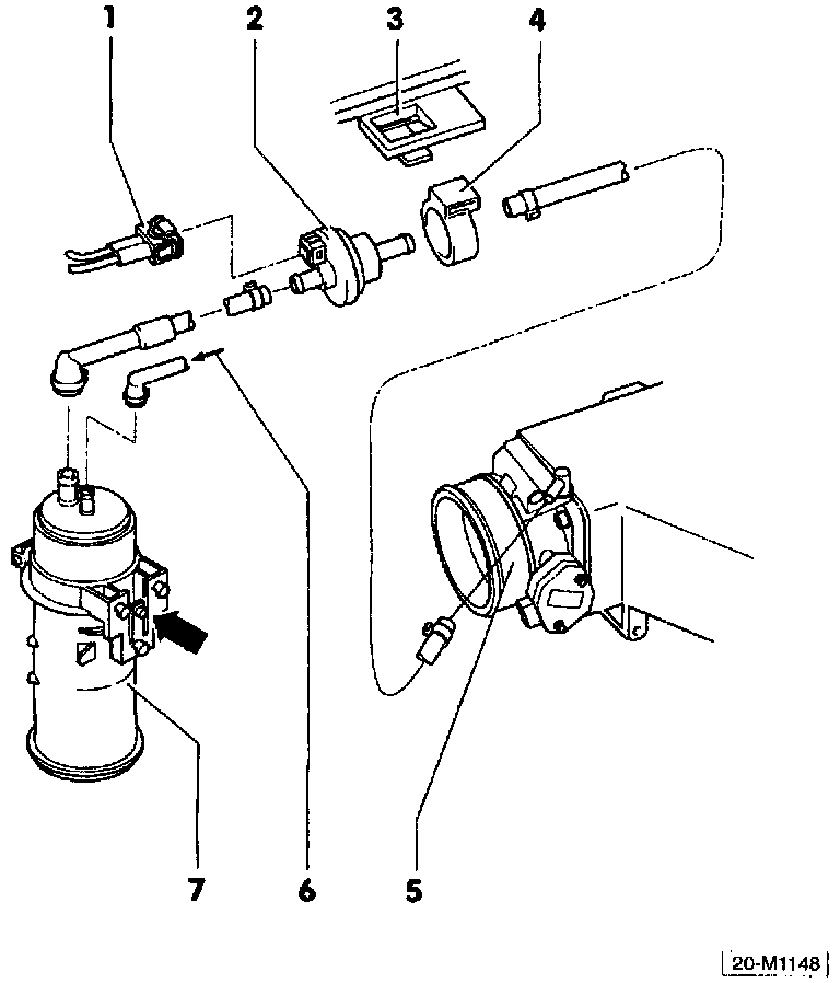
Evaporative Emission Components:






1. 2-pin harness connector
2. Evaporative Emission (EVAP) Canister Purge Regulator Valve -N8O-
3. Bracket on Air Cleaner (ACL) Housing, lower
4. Retainer
5. Throttle valve
6. From gravity valve
7. Evaporative Emission (EVAP) canister