Refrigerant System Components

Need a step-by-step guide?

Get an AI-powered repair guide with parts lists, cost estimates, and clear instructions for your 1996 Volkswagen.

AI Repair Guides
If the location of the component that you are looking for is not found in this section (Locations, Components), look under Diagrams, Exploded Views. Exploded Views




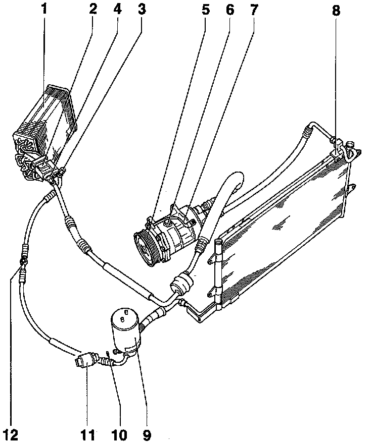
1 - Evaporator
2 - Expansion valve
- Located on right side of engine compartment
3 - High-pressure service valve
4 - Low.pressure service valve
5 - A/C clutch -N25-
6 - Oil filler plug/Drain plug
7 - Compressor
8 - Condenser
9 - Receiver drier
10 - O-ring
11 - A/C pressure switch -F129-
12 - Sight glass
- Not applicable to all vehicles.