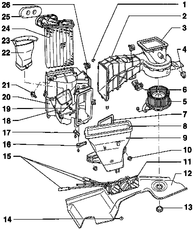
Heater Core Case

Need a step-by-step guide?

Get an AI-powered repair guide with parts lists, cost estimates, and clear instructions for your 1996 Volkswagen.

AI Repair Guides

Without A/C:




1 - Clip
2 - Air duct with main shut-off flap
- Do not disassemble further
3 - Gasket
4 - Wire clip
5 - Fresh air blower -V2-
6 - Fresh air blower series resistance with fuse -N24-
7 - Gasket
8 - Gasket
- Always replace
9 - Air duct
10 - Nut
11 - Fresh air/heating controls
12 - Cover
13 - Plug
14 - Clip
15 - Control cables
- When replacing, first remove cover -12-
16 - Central flap lever
17 - Temperature flap lever
18 - Footwell/defrost flap lever
19 - Self-tapping screw
20 - Air distribution housing
- Do not disassemble further
21 - Wire clip
22 - Air duct connector
23 - Gasket
- Always replace
24 - Heater core
25 - Gasket
- Always replace
26 - Wire clip