B. Replace Engine Control Module (ECM) All Models

Need a step-by-step guide?

Get an AI-powered repair guide with parts lists, cost estimates, and clear instructions for your 1996 Volkswagen.

AI Repair Guides
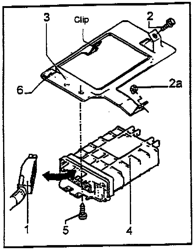
1. Remove ECM

Note:
Prior to removing ECM, connect VAG 1551; check DTC (Diagnostic Trouble Codes) readout and correct if other than P0125/16509.

^ Ignition switch off





^ Remove plenum changer cover, right side

^ Disconnect 68 pin connector -1-

^ Remove bolt and nuts -2- and -2a-

^ Pull out mounting plate -3- with ECM -4-

^ Separate mounting plate from ECM, removing screws -5-

^ Do not remove felt pads -6- from mounting plate

2. Install and Set New ECM

Note:
When installing the ECM, identification label must be upward

^ Install latest version ECM

^ Ensure that plastic clip - see illustration - is properly in position

^ Tighten bolt and nut -2- and -2a- (1O NM - 7 ft lb)

^ Ignition switch on

^ Code Control Module (Scan Tool Function 07). Follow procedure in appropriate repair manual

^ Check DTC Memory (Scan Tool Function 02). Follow procedure in appropriate repair manual

^ Erase DTC memory (Scan Tool Function 05). Follow procedure in appropriate repair manual

3. Perform Basic Setting

^ Press buttons -0- and -4- to select "Basic Setting" function 04 and press -0- button to confirm input

^ Press buttons -0-, -9- and -8- to input display 098 and press -0- to confirm input

Note:
Do not depress accelerator pedal.

^ VAG 1551 display in channel 4 will indicate adaptation completed by showing I.O."

If display does NOT show "I.O.", stop procedure at this step; find cause and repair. Begin again with "Basic Setting.7, If "I.O." continue with next step.

^ Wait at least 30 seconds before ending basic selling then press --> button

^ Press button -0- and -6- and press -Q- button to confirm input - (end output)

^ Disconnect VAG 1551

^ Start engine and let idle until coolant temperature is above 80 degrees Centigrade

^ Reconnect VAG 1551

^ Check DTC memory (Scan Tool Function 02).
Follow procedure in appropriate repair manual

^ Set and verify readiness code - 01.29 - 01.54.
Follow procedure in appropriate repair manual