Ignition System

Need a step-by-step guide?

Get an AI-powered repair guide with parts lists, cost estimates, and clear instructions for your 1996 Volkswagen.

AI Repair Guides



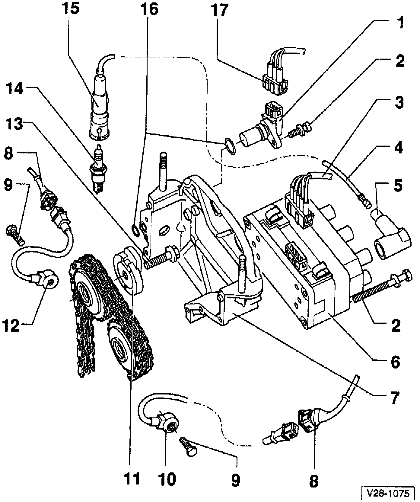
1 - Camshaft Position (CMP) Sensor G40
^ note spacer rings

2 - 10 Nm (7 ft lb)
3 - Connector
^ 5-pin
^ for ignition coil N152

4 - Ignition Cable
^ check for continuity

5 - Suppressor
^ resistance: 0.6 - 1.4 k Ohms.

6 - Ignition Coil
^ with ignition cable identification, do not interchange

7 - Camshaft sprocket cover
8 - Connector
^ 3-pin

9 - 20 Nm (15 ft lb)
^ tightening torque influences function of Knock Sensor

10 - Knock Sensor 2 G66
^ mounting location: cylinder block, intake side

11 - Sensor wheel
^ for Camshaft Position (CMP) sensor G40
^ contact surface on camshaft sprocket must be dry
^ if sensor wheel has been removed, check ignition timing
after installation

12 - Knock Sensor 1 G61
^ mounting location: cylinder block, exhaust side

13 - 100 Nm (74 ft lb)
^ removing/installing: counterhold with 24 mm wrench
on camshaft
^ oil bolt head contact surface

14 - Spark Plug
^ tightening torque: 25 Nm (18 ft lb)
^ remove and install with 3122 B

15 - Spark Plug connector
^ use tool 3277 to connect and disconnect
^ resistance: 4 - 6 k Ohms.

16 - O-ring
^ replace if damaged

17 - Connector
^ 3-pin
^ for Camshaft Position (CMP) Sensor G40