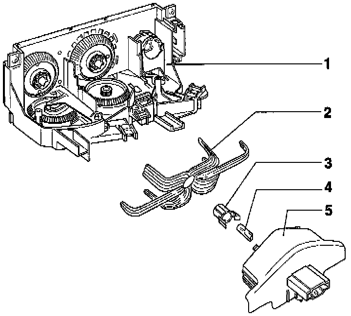
Control Assembly, HVAC

Need a step-by-step guide?

Get an AI-powered repair guide with parts lists, cost estimates, and clear instructions for your 1996 Volkswagen.

AI Repair Guides




1 - Fresh air/heating controls
- Includes fresh air blower switch -E9-
2 - Light transmitting tube
3 - Color filter
4 - Fresh air control lever light -L16-
5 - Cover