System Diagram

Need a step-by-step guide?

Get an AI-powered repair guide with parts lists, cost estimates, and clear instructions for your 1996 Volkswagen.

AI Repair Guides

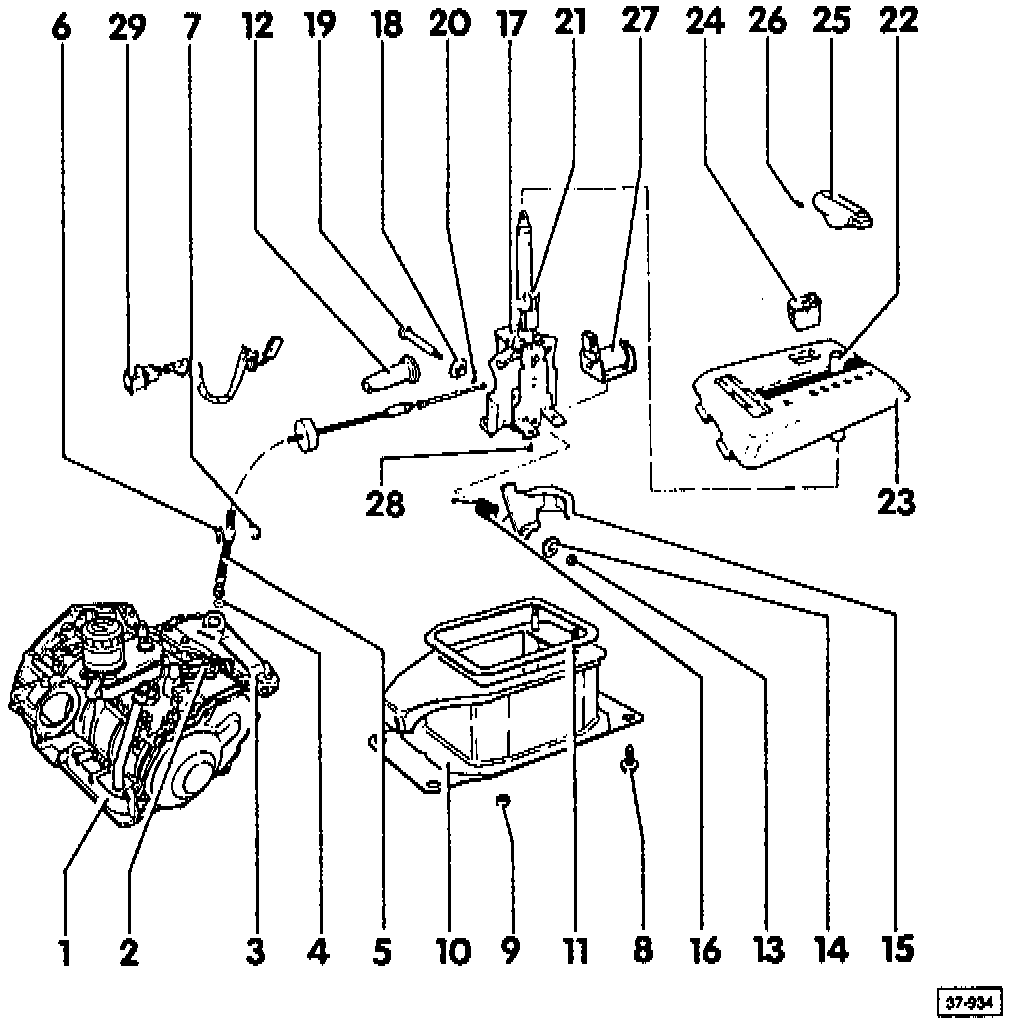
Shifter And Related Components:






1 - Transmission

2 - Lever for selector cable

3 - Bracket for selector cable

4 - Washer

5 - Selector lever cable

6 - Shoulder screw - 25 Nm (18 ft lb)

7 - Clip for selector lever cable

8 - Bolt 25 Nm (18 ft lb)

9 - Nut 15 Nm (11 ft lb)

10 - Selector support

11 - Gasket always replace

12 - Boot

13 - Nut 10 Nm (7 ft lb)

14 - Bushing

15 - Lock lever locks selector lever in "N" or "P"

16 - Spring

17 - Selector lever assembly

18 - Bushing

19 - Bolt

20 - Clip

21 - Bulb holder

22 - Sleeve

23 - Cover

24 - Program switch - E122

25 - Handle

26 - Set screw

27 - Selector lever lock solenoid

28 - Screw 3 Nm (27 in. lb or 31 cm kg)

29 - Wiring harness for scale illumination and selector lock solenoid - N110