Mono-Motronic Engine Control Module (ECM)

Need a step-by-step guide?

Get an AI-powered repair guide with parts lists, cost estimates, and clear instructions for your 1994 Volkswagen.

AI Repair Guides
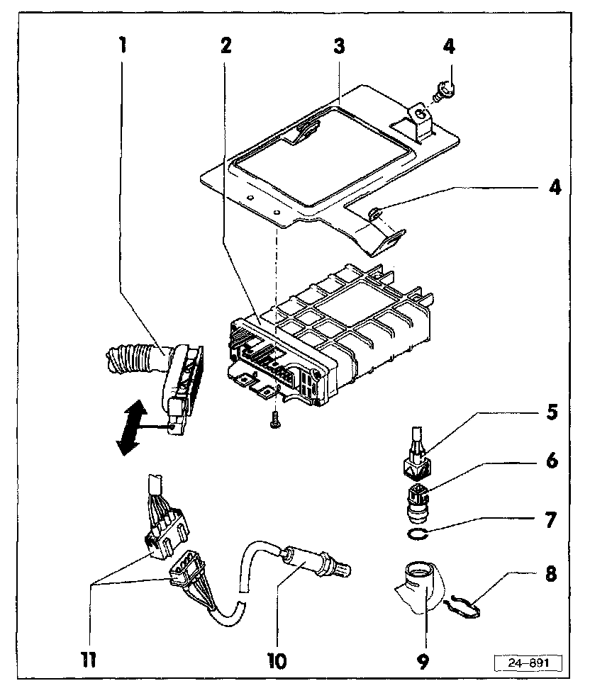
Mono-Motronic Engine Control Module (ECM), component layout





1 - ECM harness connector
^ Disconnect with ignition switched OFF
2 - Mono-Motronic Engine Control Module (ECM) (J257)*
^ For fuel injection system, oxygen sensor control, knock regulation, speed sensor, ignition, diagnostic trouble code memory and on-board diagnostic
^ Location: in plenum on right side
3 - ECM mounting bracket
^ For Mono-Motronic Engine Control Module (J257)
4 - 10 Nm (7 ft lb)
5 - Harness connector
^ Four-pin
6 - Engine Coolant Temperature (ECT) Sensor (G62)
^ Resistance values, Fig 1 below
7 - O-ring
^ Always replace
8 - Clip
9 - Connector flange
10 - Heated Oxygen Sensor (H026) (G39)
^ Tightening torque: 50 Nm (37 ft lb)
^ Lubricate only with G5
^ Lubricant must not enter slots in sensor
^ Checking heating circuit power supply. Testing and Inspection
^ Check continuity of sensor heater
11 - Harness connector
^ Four-pin
^ For Heated Oxygen Sensor (G69) (sensor and heater circuits)

* Tested by On Board Diagnostic program. Testing and Inspection





Fig. 1 - Temperature sensor resistance
^ Engine Coolant Temperature (ECT) Sensor (G62)