System Diagram

Need a step-by-step guide?

Get an AI-powered repair guide with parts lists, cost estimates, and clear instructions for your 1994 Volkswagen.

AI Repair Guides

Cooling System Components, Engine Side:




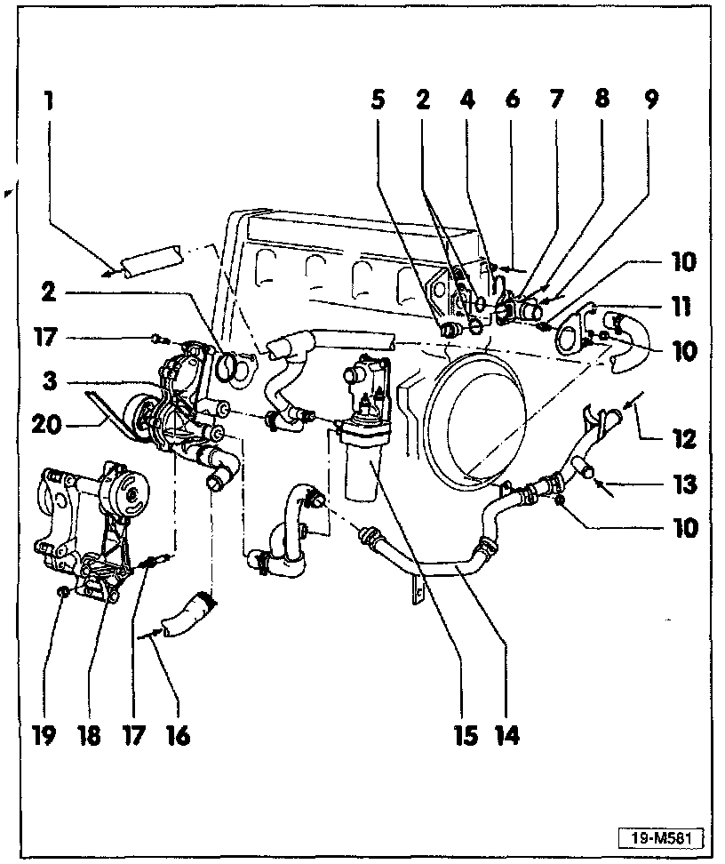
COOLING SYSTEM COMPONENTS, ENGINE SIDE
Image Reference:
1. To upper radiator
2. 0-ring (Always replace)
3. Coolant pump
4. Clip
5. Engine Coolant Temperature (ECT) Sensor (G62), with ECT Sensor (G2)
6. From expansion tank
7. Connector flange
8. To heater core
9. From expansion tank (vehicles with automatic transmission)
10. 10 Nm (7 ft lb)
11. Bracket
12. From heater core
13. From expansion tank (manual trans.) or ATF cooler (automatic trans.)
14. Coolant pipe
15. Oil cooler
16. To lower radiator
17. 20 Nm (15 ft lb) plus /14 turn (9O°) Always replace
18. Generator (GEN) bracket
19. 30 Nm (22 ft lb)
20. Poly-ribbed belt

Coolant Pump, Exploded View:




COOLANT PUMP, EXPLODED VIEW
Image Reference:
1. 2O Nm (15 ft lb)
2. Coolant pump pulley (For poly-ribbed belt)
3. Coolant pump
4. Gasket (Always replace)
5. Thermostat
6. Connector pipe
7. 0-ring (Always replace)
8. Clip
9. 10 Nm (7 ft lb)
10. Flange
11. Coolant pump pulley (For V-belt)