Engine Control Module: Locations

Need a step-by-step guide?

Get an AI-powered repair guide with parts lists, cost estimates, and clear instructions for your 1982 Volkswagen.

AI Repair Guides

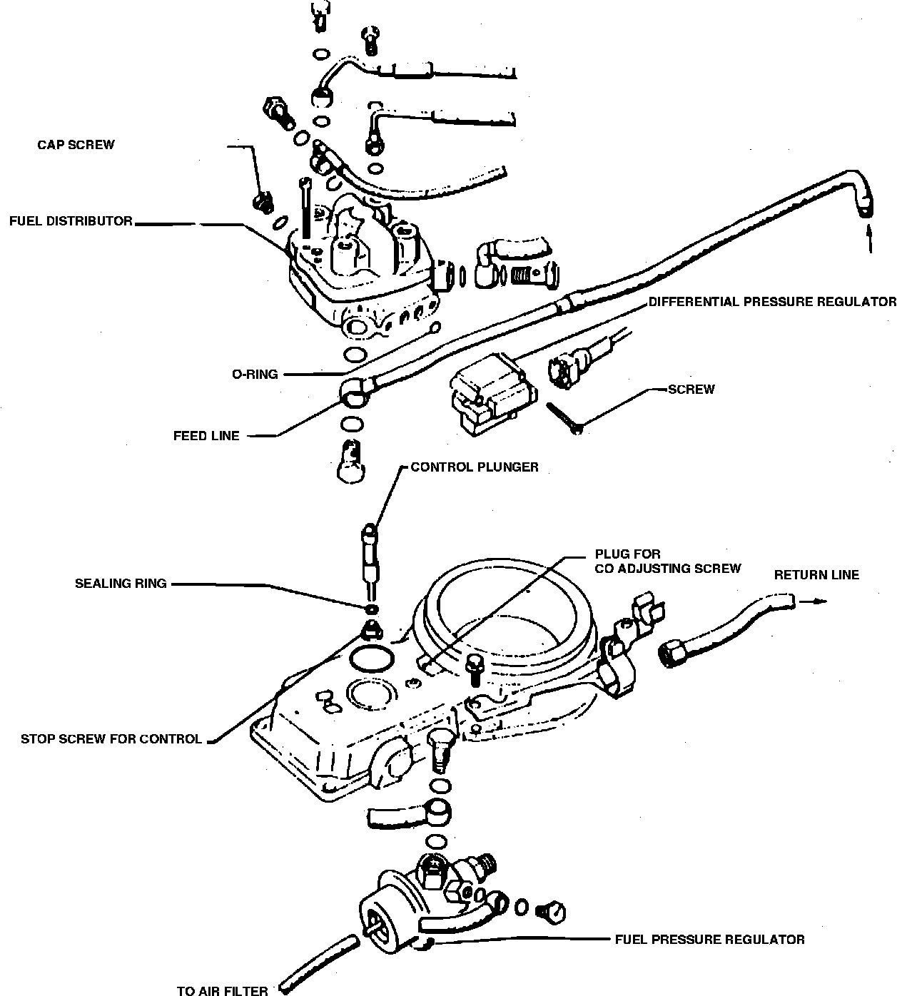
Fuel Injection System Components (Part 1 of 4).:





Fuel Injection System Components (Part 2 of 4).:





Fuel Injection System Components (Part 3 of 4).:





Fuel Injection System Components (Part 4 of 4).:





LH Side Of Plenum

Applicable to: 1985-86 Golf, GTI & Jetta W/CIS, 16 Valve Engine