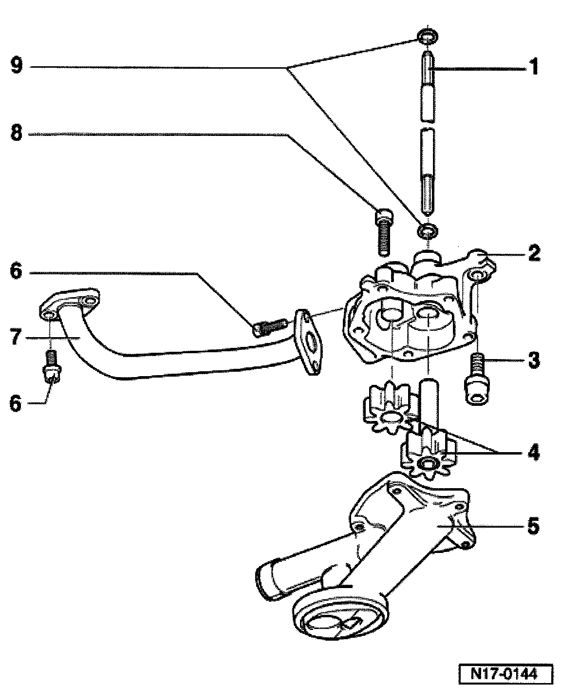
Oil Pump Torque

Need a step-by-step guide?

Get an AI-powered repair guide with parts lists, cost estimates, and clear instructions for your 2003 Volkswagen Truck.

AI Repair Guides


Oil pump, disassembling and assembling






Threaded Connection Torque

Oil Pump Housing Bolts:

Item 3: 25 Nm

Item 8: 10 Nm

Oil Pressure Pipe Bolt: 10 Nm