Ignition System, Components

Need a step-by-step guide?

Get an AI-powered repair guide with parts lists, cost estimates, and clear instructions for your 1999 Volkswagen Truck.

AI Repair Guides



Ignition System, Component Overview







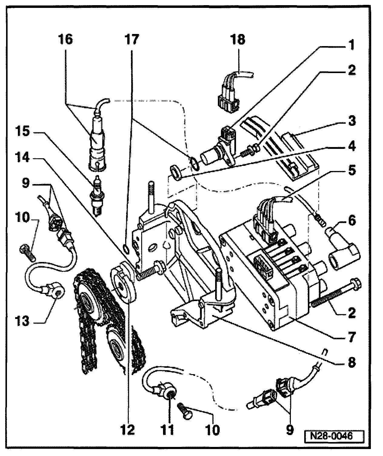
1 - Camshaft Position sensor -G40-*
- Note spacer ring (item 4)
- To remove, unclip ignition coil cable duct (item 3)
2 - 10 Nm (7 ft lb)
3 - Cable duct
- For ignition coil -N152- (item 7)
4 - Spacer ring
5 - 5-pin harness connector
- For ignition coil -N152-
6 - Suppressor
- 0.6 to 1.4 Kohms
7 - Ignition coil -N152-
- With ignition cable identification, do not interchange
8 - Camshaft sprocket cover
9 - 3-pin harness connector
- For knock sensor
1 : white
- For knock sensor
2 : black
- Sensor and connector terminals are gold-plated
10 - 20 Nm (15 ft lb)
- Tightening torque influences knock sensor function
11 - Knock sensor 2 -G66-*
- Installation location: cyl. block exhaust side
12 - Sensor wheel
- For Camshaft Position sensor -G40-
- Contact surface of timing chain and sensor wheel must be dry when installing
- If sensor wheel has been removed, check timing after installation:
13 - Knock sensor 1 -G61-*
- Installation location: cylinder block, exhaust side
- Sensor and connector terminals are gold-plated
14 - 100 Nm (75 ft lb)
- to remove and install:
counter- hold with 24 mm open end wrench on camshaft
- Oil bolt head terminal surface
15 - Spark plug
- 25 Nm (18 ft lb)
- Remove and install using 3122B spark plug wrench
16 - Spark-plug connector
- 4 to 6 KOhms
- Use tool 3277 A when pulling off or pressing on
- To pull off spark plug connector for cylinders 2,4 and 6, remove radiator grille and fold lock carrier which radiator out forward.
17 - O-ring
- Always replace
18 - 3-pin-harness connector
- Black
- For Camshaft Position sensor -G40-