Starter Signal Circuit

Need a step-by-step guide?

Get an AI-powered repair guide with parts lists, cost estimates, and clear instructions for your 2010 Toyota.

AI Repair Guides




2GR-FE ENGINE CONTROL: SFI SYSTEM: Starter Signal Circuit
- Starter Signal Circuit

DESCRIPTION

1. w/o Smart Key System

While the engine is being cranked, current flows from terminal ST1 of the ignition switch assembly to the park/neutral position switch assembly and also flows to terminal STA of the ECM (STA Signal).

2. w/ Smart Key System

While the engine is being cranked, current flows from terminal STAR of the power management control ECU to the park/neutral position switch assembly and also flows to terminal STA of the ECM (STA signal).

WIRING DIAGRAM









INSPECTION PROCEDURE

NOTICE:
Inspect the fuses for circuits related to this system before performing the following inspection procedure.

HINT
This diagnosis procedure is based on the premise that the engine can crank normally. If the engine cannot crank normally, proceed to the Problem Symptoms Table Symptom Related Diagnostic Procedures.

PROCEDURE

1. READ VALUE USING TECHSTREAM (STARTER SIGNAL)

(a) Connect the Techstream to the DLC3.

(b) Turn the ignition switch to ON.

(c) Turn the Techstream on.

(d) Enter the following menus: Powertrain / Engine / Data List / Starter Signal.

(e) Read the value displayed on the Techstream when the ignition switch is turned to ON and the engine is started.

OK:





NG -- CHECK ST RELAY (POWER SOURCE)

OK -- PROCEED TO NEXT SUSPECTED AREA SHOWN IN PROBLEM SYMPTOMS TABLE Symptom Related Diagnostic Procedures

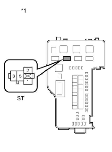
2. CHECK ST RELAY (POWER SOURCE)

(a) Remove the ST relay from the engine room relay block.





(b) Measure the voltage according to the value(s) in the table below.

Standard Voltage:





Text in Illustration

Text in Illustration:





HINT
The engine will not crank because the relay is not installed.

(c) Reinstall the ST relay.

NG -- CHECK HARNESS AND CONNECTOR (ST RELAY - PARK/NEUTRAL POSITION SWITCH ASSEMBLY)

OK -- REPAIR OR REPLACE HARNESS OR CONNECTOR (ECM - PARK/NEUTRAL POSITION SWITCH ASSEMBLY)

3. CHECK HARNESS AND CONNECTOR (ST RELAY - PARK/NEUTRAL POSITION SWITCH ASSEMBLY)

(a) Remove the ST relay from the engine room relay block.

(b) Disconnect the park/neutral position switch assembly connector.

(c) Measure the resistance according to the value(s) in the table below.

Standard Resistance (Check for Open):





Standard Resistance (Check for Short):





(d) Reinstall the ST relay.

(e) Reconnect the park/neutral position switch assembly connector.

NG -- REPAIR OR REPLACE HARNESS OR CONNECTOR (ST RELAY - PARK/NEUTRAL POSITION SWITCH ASSEMBLY)
OK -- Continue to next step.

4. INSPECT PARK/NEUTRAL POSITION SWITCH ASSEMBLY

(a) Inspect the park/neutral position switch assembly On-Vehicle Inspection.

Result:





C -- REPLACE PARK/NEUTRAL POSITION SWITCH ASSEMBLY Removal

B -- CHECK HARNESS AND CONNECTOR (POWER MANAGEMENT CONTROL ECU - ECM)
A -- Continue to next step.

5. CHECK HARNESS AND CONNECTOR (IGNITION SWITCH ASSEMBLY - ECM)

(a) Disconnect the ignition switch assembly connector.

(b) Disconnect the ECM connector.

(c) Measure the resistance according to the value(s) in the table below.

Standard Resistance (Check for Open):





Standard Resistance (Check for Short):





(d) Reconnect the ECM connector.

(e) Reconnect the ignition switch assembly connector.

NG -- REPAIR OR REPLACE HARNESS OR CONNECTOR (IGNITION SWITCH ASSEMBLY - ECM)
OK -- Continue to next step.

6. CHECK HARNESS AND CONNECTOR (PARK/NEUTRAL POSITION SWITCH - IGNITION SWITCH ASSEMBLY)

(a) Disconnect the park/neutral position switch assembly connector.

(b) Disconnect the ignition switch assembly connector.

(c) Measure the resistance according to the value(s) in the table below.

Standard Resistance (Check for Open):





Standard Resistance (Check for Short):





(d) Reconnect the park/neutral position switch assembly connector.

(e) Reconnect the ignition switch assembly connector.

NG -- REPAIR OR REPLACE HARNESS OR CONNECTOR (PARK/NEUTRAL POSITION SWITCH - IGNITION SWITCH ASSEMBLY)
OK -- Continue to next step.

7. CHECK HARNESS AND CONNECTOR (PARK/NEUTRAL POSITION SWITCH ASSEMBLY - ECM)

(a) Disconnect the ECM connector.

(b) Disconnect the park/neutral position switch assembly connector.

(c) Measure the resistance according to the value(s) in the table below.

Standard Resistance (Check for Open):





Standard Resistance (Check for Short):





(d) Reconnect the ECM connector.

(e) Reconnect the park/neutral position switch assembly connector.

NG -- REPAIR OR REPLACE HARNESS OR CONNECTOR (PARK/NEUTRAL POSITION SWITCH ASSEMBLY - ECM)
OK -- Continue to next step.

8. INSPECT IGNITION SWITCH ASSEMBLY

(a) Disconnect the ignition switch assembly connector.





(b) Measure the resistance according to the value(s) in the table below.

Standard Resistance:





Text in Illustration

Text in Illustration:





(c) Reconnect the ignition switch assembly connector.

NG -- REPLACE IGNITION SWITCH ASSEMBLY Removal

OK -- REPAIR OR REPLACE HARNESS OR CONNECTOR (IGNITION SWITCH ASSEMBLY - BATTERY)

9. CHECK HARNESS AND CONNECTOR (POWER MANAGEMENT CONTROL ECU - ECM)

(a) Disconnect the power management control ECU connector.

(b) Disconnect the ECM connector.

(c) Measure the resistance according to the value(s) in the table below.

Standard Resistance (Check for Open):





Standard Resistance (Check for Short):





NG -- REPAIR OR REPLACE HARNESS OR CONNECTOR (POWER MANAGEMENT CONTROL ECU - ECM)
OK -- Continue to next step.

10. CHECK HARNESS AND CONNECTOR (PARK/NEUTRAL POSITION SWITCH - POWER MANAGEMENT CONTROL ECU)

(a) Disconnect park/neutral position switch assembly connector.

(b) Disconnect the power management control ECU connector.

(c) Measure the resistance according to the value(s) in the table below.

Standard Resistance (Check for Open):





Standard Resistance (Check for Short):





(d) Reconnect the power management control ECU connector.

(e) Reconnect the park/neutral position switch assembly connector.

NG -- REPAIR OR REPLACE HARNESS OR CONNECTOR (PARK/NEUTRAL POSITION SWITCH - POWER MANAGEMENT CONTROL ECU)
OK -- Continue to next step.

11. CHECK HARNESS AND CONNECTOR (PARK/NEUTRAL POSITION SWITCH ASSEMBLY - ECM)

(a) Disconnect the ECM connector.

(b) Disconnect the park/neutral position switch assembly connector.

(c) Measure the resistance according to the value(s) in the table below.

Standard Resistance (Check for Open):





Standard Resistance (Check for Short):





(d) Reconnect the ECM connector.

(e) Reconnect the park/neutral position switch assembly connector.

NG -- REPAIR OR REPLACE HARNESS OR CONNECTOR (PARK/NEUTRAL POSITION SWITCH ASSEMBLY - ECM)

OK -- GO TO SMART KEY SYSTEM Problem Symptoms Table