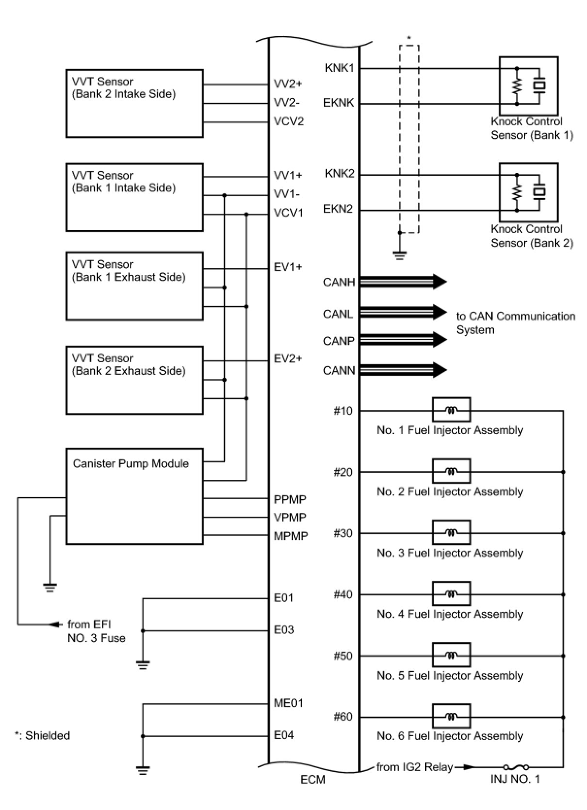
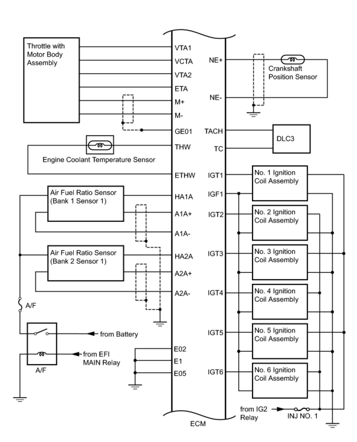
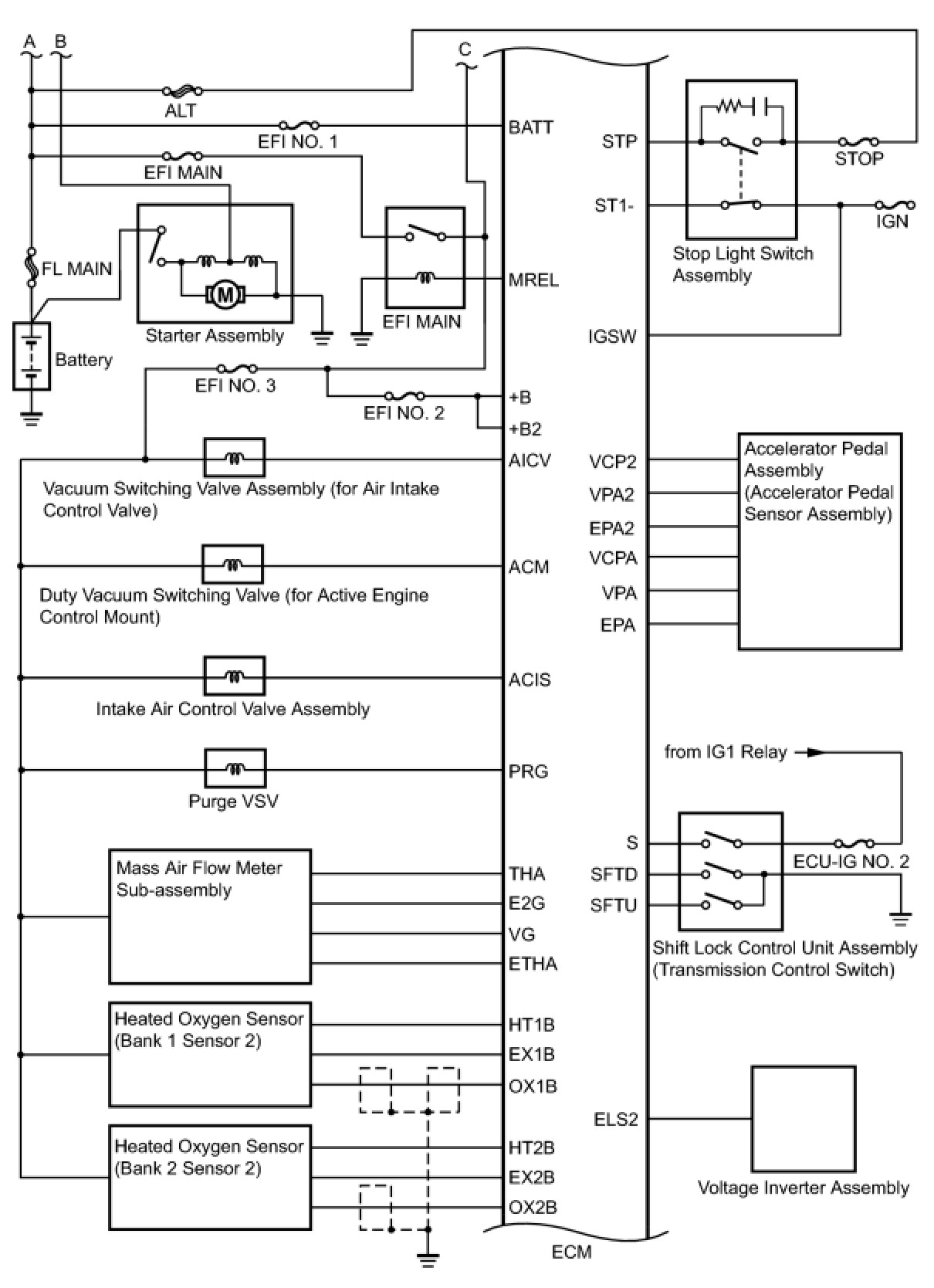
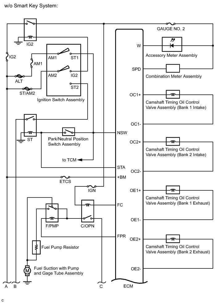
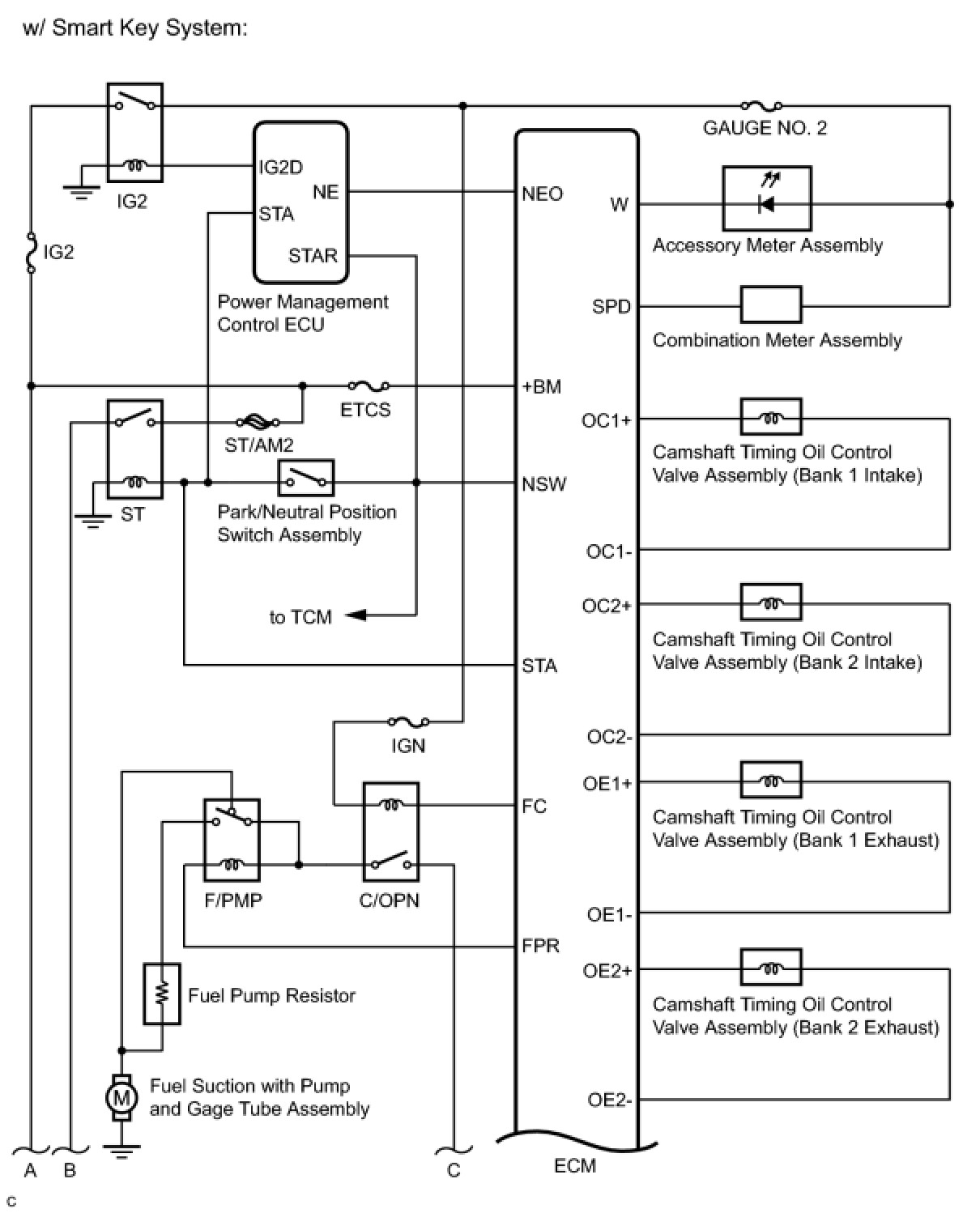
2GR-FE ENGINE CONTROL: SFI SYSTEM: SYSTEM DIAGRAM
Computers and Control Systems: Description and Operation
Need a step-by-step guide?
Get an AI-powered repair guide with parts lists, cost estimates, and clear instructions for your 2010 Toyota.
2GR-FE ENGINE CONTROL: SFI SYSTEM: SYSTEM DIAGRAM