Engine Control Part 11

Need a step-by-step guide?

Get an AI-powered repair guide with parts lists, cost estimates, and clear instructions for your 2010 Toyota.

AI Repair Guides

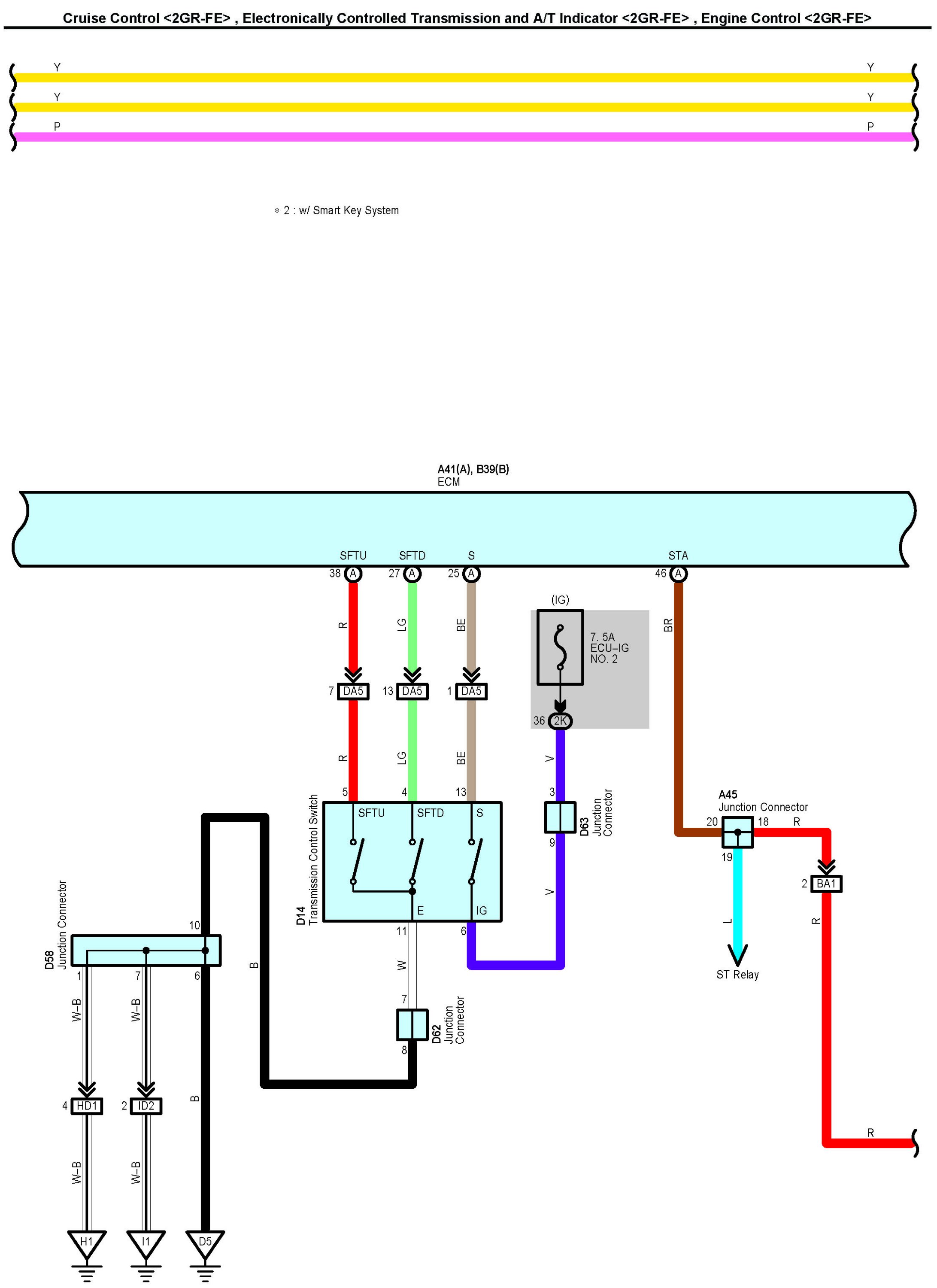
Cruise Control, Electronically Controlled Transmission and A/T Indicator, Engine Control Part 11:




Connectors Part 1:




Connectors Part 2:




Connectors Part 3:




Connectors Part 4:




Connectors Part 5:




Connectors Part 6:




Connectors Part 7:




Connectors Part 8:






Next Diagram Engine Control Part 12

Previous Diagram Engine Control Part 10

Locations: The locations of components, connectors, ground points, and splices referred to within these diagrams can be found at Vehicle Locations. Locations