Memory Positioning Systems

Need a step-by-step guide?

Get an AI-powered repair guide with parts lists, cost estimates, and clear instructions for your 2010 Toyota.

AI Repair Guides

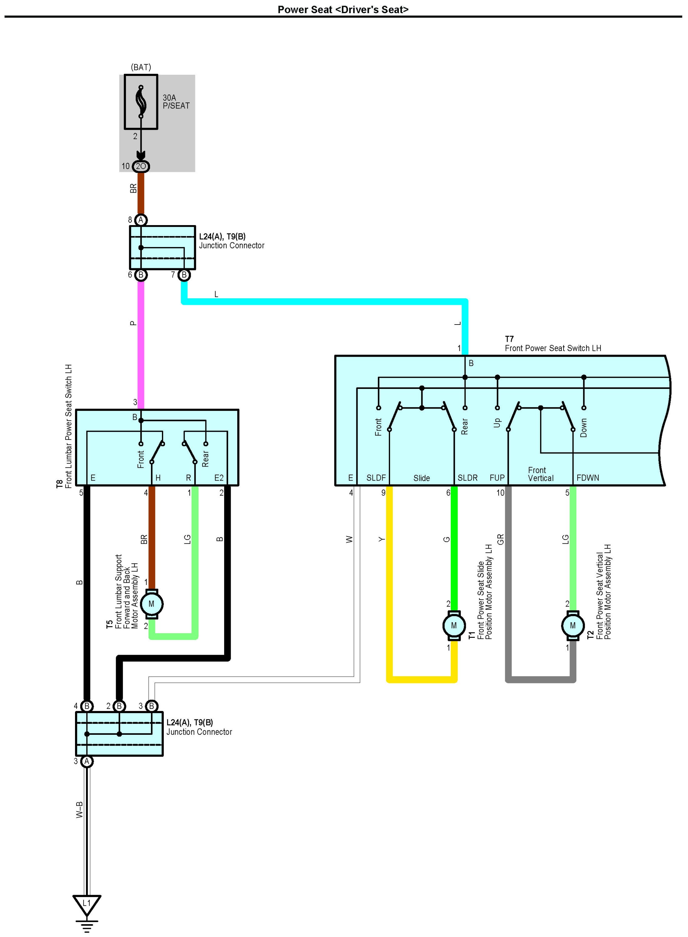
Power Seat [Driver's Seat] Part 1:




Power Seat [Driver's Seat] Part 2:




Connectors:






Locations: The locations of components, connectors, ground points, and splices referred to within these diagrams can be found at Vehicle Locations. Locations