Headlamp Alignment Control Module

Need a step-by-step guide?

Get an AI-powered repair guide with parts lists, cost estimates, and clear instructions for your 2010 Toyota.

AI Repair Guides

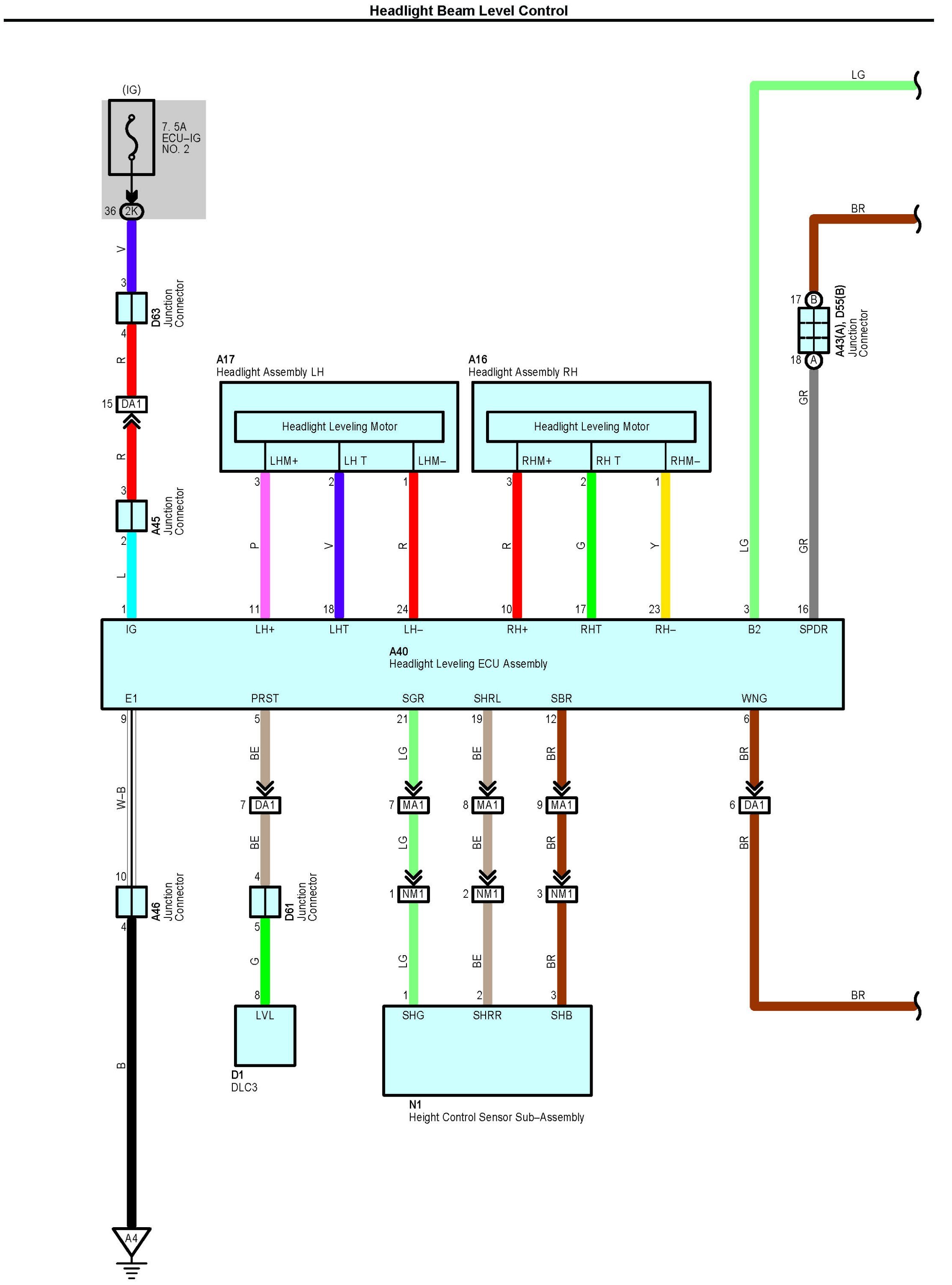
Headlight Beam Level Control Part 1:




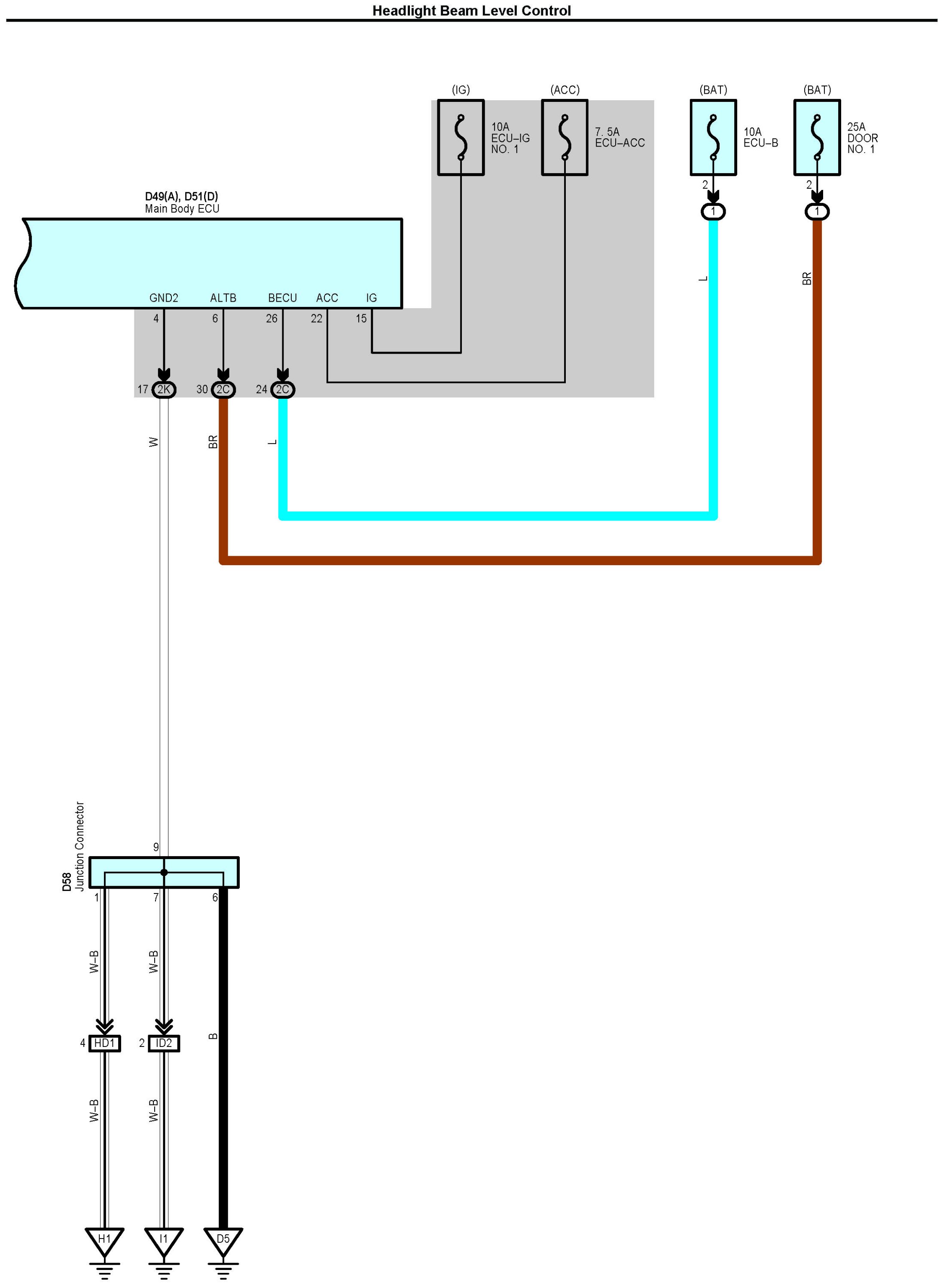
Headlight Beam Level Control Part 2:




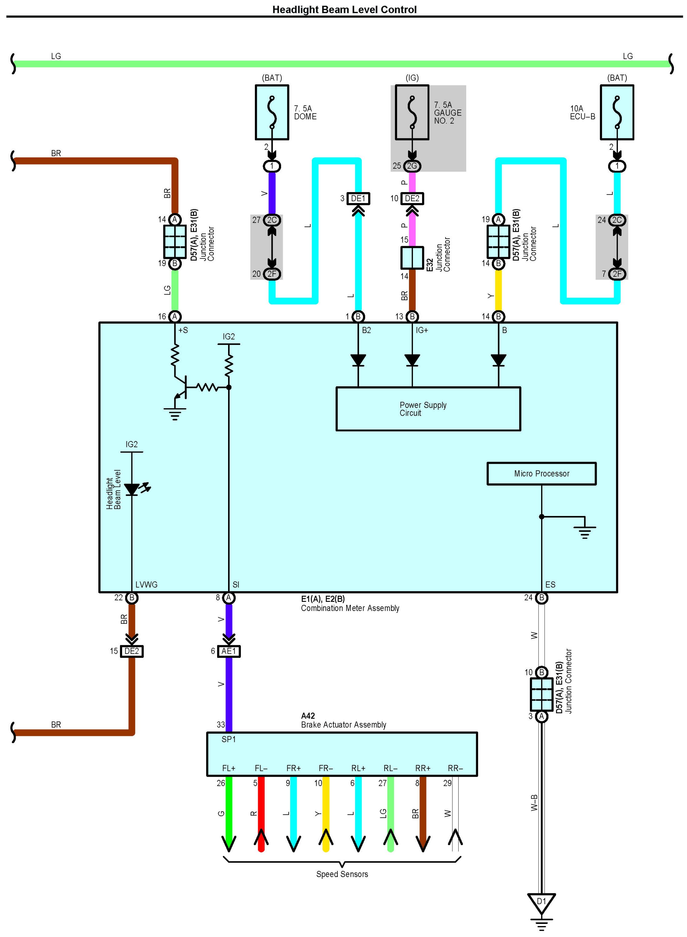
Headlight Beam Level Control Part 3:




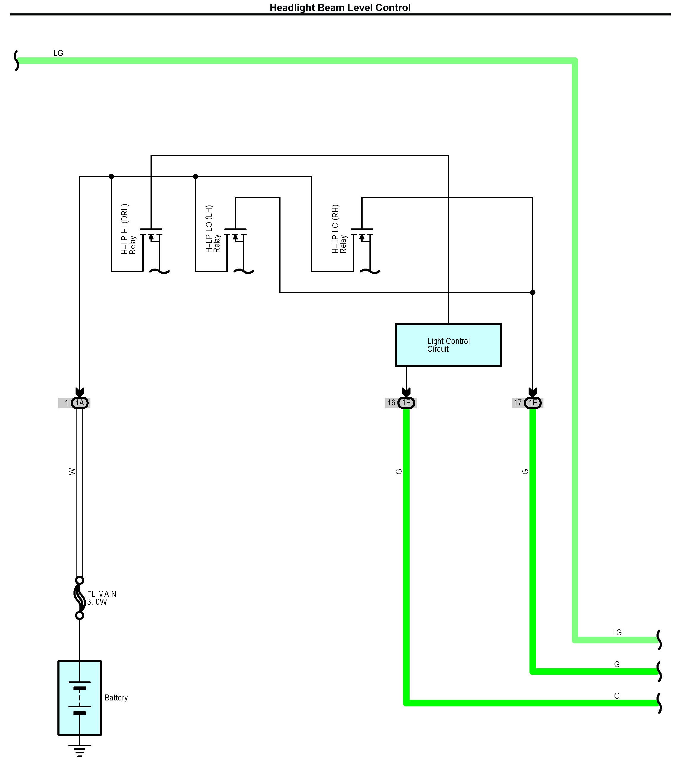
Headlight Beam Level Control Part 4:




Headlight Beam Level Control Part 5:




Connectors Part 1:




Connectors Part 2:




Connectors Part 3:




Connectors Part 4:






Locations: The locations of components, connectors, ground points, and splices referred to within these diagrams can be found at Vehicle Locations. Locations