ECU Power Source Circuit

Need a step-by-step guide?

Get an AI-powered repair guide with parts lists, cost estimates, and clear instructions for your 2010 Toyota.

AI Repair Guides




THEFT DETERRENT / KEYLESS ENTRY: ENGINE IMMOBILISER SYSTEM (w/o Smart Key System): ECU Power Source Circuit
- ECU Power Source Circuit

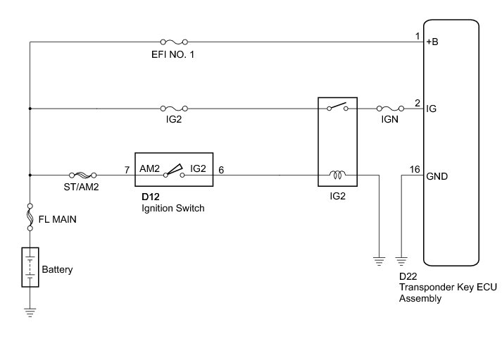
DESCRIPTION

This circuit provides power to operate the transponder key ECU assembly.

WIRING DIAGRAM





INSPECTION PROCEDURE

NOTICE:
If the transponder key ECU assembly is replaced, register the key and ECU communication ID Engine Immobiliser System (W/O Smart Key System).

PROCEDURE

1. CHECK HARNESS AND CONNECTOR (TRANSPONDER KEY ECU - BATTERY AND BODY GROUND)

(a) Disconnect the transponder key ECU assembly connector.





(b) Measure the voltage and resistance according to the value(s) in the table below.

Standard Voltage:





Standard Resistance:





Text in Illustration

Text in Illustration:





NG -- REPAIR OR REPLACE HARNESS OR CONNECTOR, OR REPLACE FUSE

OK -- PROCEED TO NEXT SUSPECTED AREA SHOWN IN PROBLEM SYMPTOMS TABLE Engine Immobiliser System (w/o Smart Key System)