Component Inspection

Need a step-by-step guide?

Get an AI-powered repair guide with parts lists, cost estimates, and clear instructions for your 2003 Toyota.

AI Repair Guides
INSPECTION

1. THERMISTOR, COOLER




a. Check resistance between terminals 1 and 2 of cooler thermistor No.1 at each temperature, as shown in the chart.




Resistance:

If resistance value is not as specified, replace the sensor.

2. AIR CONDITIONING CONTROL ASSY







a. Inspect blower switch continuity.
If continuity is not as specified, replace the air conditioner control assy.

b. Inspect illumination operation.
Connect the positive (+) lead from the battery to terminal 2 and negative (-) lead to terminal 3 then check that the illuminations light up.
If there is bulb not light up, replace the bulb.

3. COMBINATION SWITCH ASSY







a. Inspect switch continuity.
Check the continuity between terminals while switch is pressed, as shown in the chart.
If continuity is not as specified, replace the cooler switch.

b. Inspect illumination operation.
Connect the positive (+) lead from the battery to terminal 4 and negative (-) lead to terminal 3 then check that the illuminations light up.
If operation is not as specified, replace the cooler switch.

c. Inspect indicator operation.
1. Connect the positive (+) lead from the battery to terminal 2 and the negative (-) lead to terminal 1.
2. Push the A/C button in and then check that the indicator lights up.
If operation is not as specified, replace the cooler switch.

d. Inspect dimming operation
1. Connect the positive (+) lead from the battery to terminal 2 and the negative (-) lead to terminal 1 while press the switch.
2. Connect the positive (+) lead from battery to terminal 4 and then check that the indicator dims.
If operation is not as specified, replace the cooler switch.







4. BLOWER RESISTOR
a. Measure resistance between terminals, as shown in the chart.
If resistance is not as specified, replace the blower resistor.




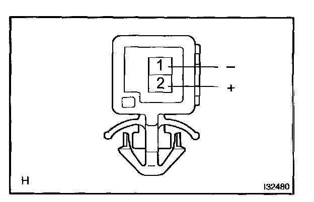
5. BLOWER W/FAN MOTOR SUB-ASSY
a. Connect the positive (+) lead from the battery to terminal 2 and negative (-) to terminal 1, then check that the motor operation smoothly.
If operation is not as specified, replace the blower motor.







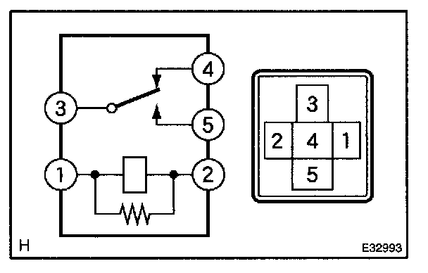
6. HEATER BLOWER MOTOR RELAY ASSY
If continuity is not as specified, replace the heater blower motor relay.







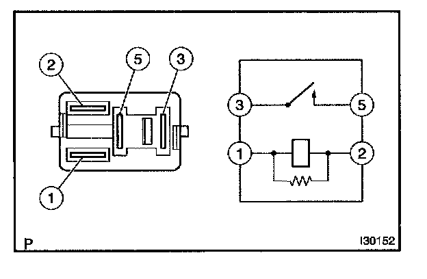
7. MAGNET-CLUTCH RELAY
If continuity is not as specified, replace the magnet-clutch relay.