Chart D - SDM Cannot Communicate Through Serial Data Circuit

Need a step-by-step guide?

Get an AI-powered repair guide with parts lists, cost estimates, and clear instructions for your 1998 Suzuki.

AI Repair Guides
CAUTION:
- When measurements are requested in this chart use specified digital multimeter with correct terminal adapter from special tool (Connector test adapter kit).
- When a check for proper connection is requested refer to "INTERMITTENTS AND POOR CONNECTIONS".
Intermittents and Poor Connections

- When an open in air bag wire harness, damaged wire harness, connector or terminal is found, replace wire harness, connectors and terminals as an assembly.


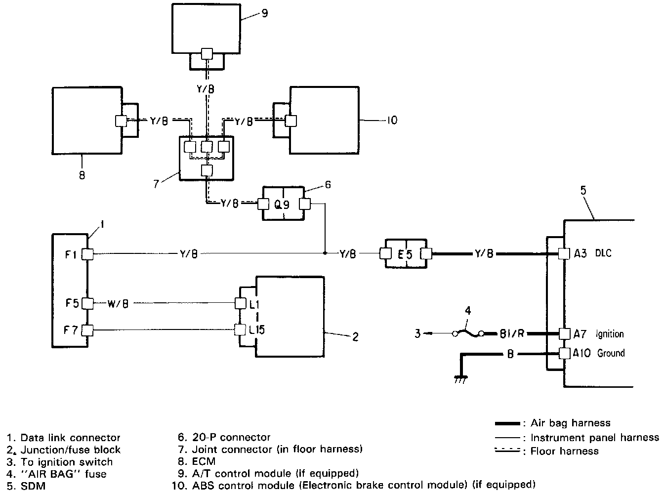
Wiring Diagram:




Diagnostic Chart:





CHART TEST DESCRIPTION: Number(s) below refer to circled number(s) on the diagnostic chart.
1. An improper connection to the data link connector will prevent communications from being established.
2. This test checks whether it is possible to communicate with other controller.
3. This test checks for an open in CKT "Y/B".
4. This test checks for an open in CKT "Y/B" (in air bag harness).
5. This test checks wether an abnormality is in other controller or in floor harness.
6. This test checks for a short from CKT "Y/B" (in air bag harness) to ground.
7. This test checks for a short from CKT "Y/B" (in air bag harness) to B+.