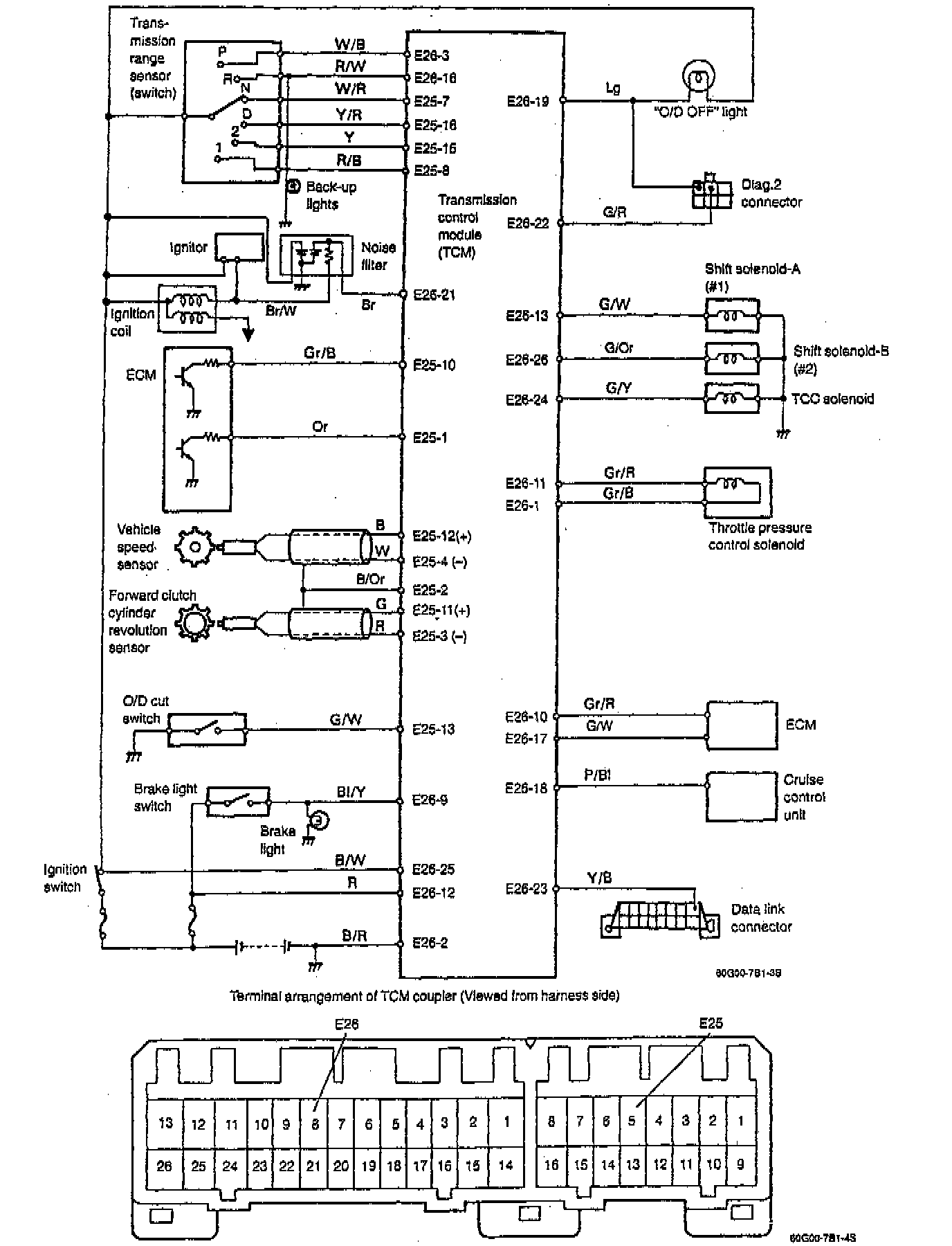
The Transmission Control Module (TCM) controls gear shift, Torque Converter Clutch (TCC), etc. according to the signals from each sensor. It is a microcomputer consisting of an IC, transistor, diode, etc. It is installed at the left side of the steering column.
Control Module: Description and Operation
Need a step-by-step guide?
Get an AI-powered repair guide with parts lists, cost estimates, and clear instructions for your 1998 Suzuki.
The Transmission Control Module (TCM) controls gear shift, Torque Converter Clutch (TCC), etc. according to the signals from each sensor. It is a microcomputer consisting of an IC, transistor, diode, etc. It is installed at the left side of the steering column.