General Description

Need a step-by-step guide?

Get an AI-powered repair guide with parts lists, cost estimates, and clear instructions for your 1998 Suzuki.

AI Repair Guides
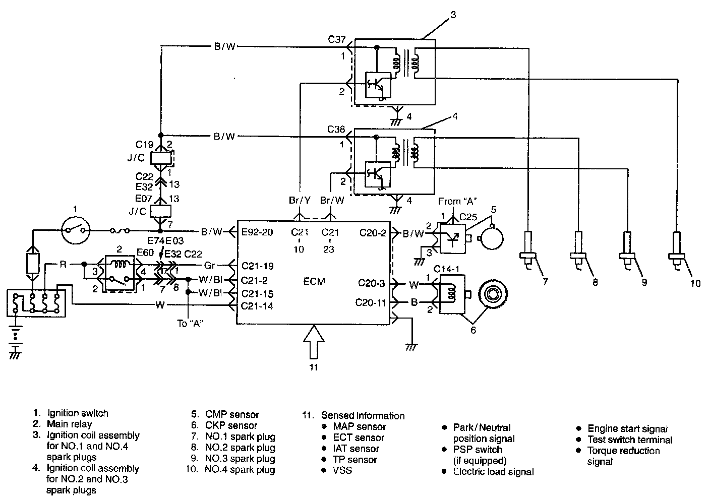
The ignition system is a distributorless ignition system. It consists of the parts as described below and has an electronic ignition control system.
- ECM
It detects the engine and vehicle conditions through the signals from the sensors, determines the most suitable ignition timing and time for electricity to flow to the primary coil and sends a signal to the ignitor (power unit) in the ignition coil assembly.
- Ignition coil assembly (including an ignitor).
The ignition coil assembly has a built-in ignitor which turns ON and OFF the current flow to the primary coil according to the signal from ECM. When the current flow to the primary coil is turned OFF, a high voltage is induced in the secondary coil.
- High tension cords and spark plugs.
- CMP sensor (Camshaft position sensor) and CKP sensor (Crankshaft position sensor).
Using signals from these sensors, ECM identifies the specific cylinder whose piston is in the compression stroke and detects the crank angle.
- TP sensor, ECT sensor, MAP sensor and other sensors/switches.
Although this ignition system does not have a distributor, it has two ignition coil assemblies (one is for No.1 and No.4 spark plugs and the other is for No.2 and No.3 spark plugs). When an ignition signal is sent from ECM to the ignitor in the ignition coil assembly for No.1 and No.4 spark plugs, a high voltage is induced in the secondary coil and that passes through the high-tension cords and causes No.1 and No.4 spark plugs to spark simultaneously. Likewise, when an ignition signal is sent to the ignitor in the other ignition coil assembly, No.2 and No.3 spark plugs spark simultaneously.





SYSTEM COMPONENTS








SYSTEM WIRING DIAGRAM

Reference
Oscilloscope waveforms is as shown in figure when connecting Oscilloscope between terminal C20-3 of ECM connector connected to ECM and body ground, and between terminal C21-1O (or C21-23) and body ground.