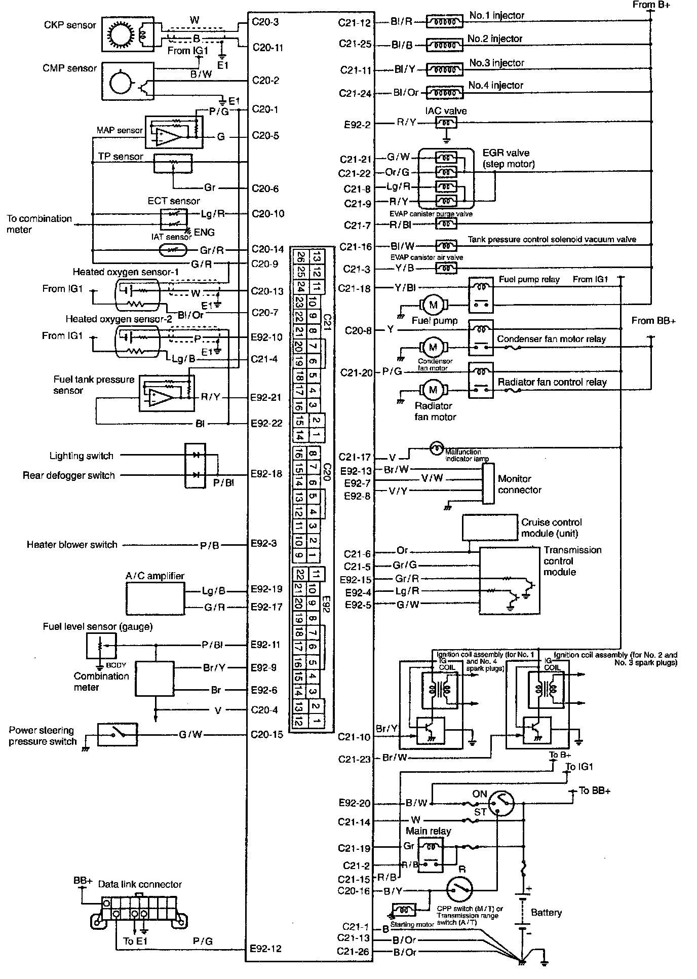
Engine Control Module (ECM)

Need a step-by-step guide?

Get an AI-powered repair guide with parts lists, cost estimates, and clear instructions for your 1998 Suzuki.

AI Repair Guides











ELECTRONIC CONTROL SYSTEM
The electronic control system consists of 1) various sensors which detect the state of engine and driving conditions, 2) ECM which controls various devices according to the signals from the sensors and 3) various controlled devices.
Functionally, it is divided into nine sub systems:
- Fuel injection control system
- Idle speed control system
- Fuel pump control system
- A/C control system (if equipped)
- Radiator tan control system
- EGR system
- Evaporative emission control system
- Oxygen sensor heater control system
- Ignition control system
Also, with A/T model, ECM sends throttle valve opening signal and coolant temp. signal to transmission control module to control A/T.






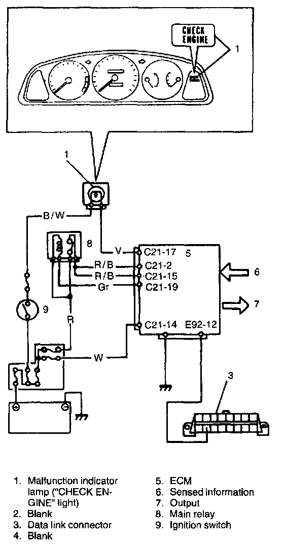
Engine Control Module (ECM)
ECM is installed to the underside of the instrument panel at the passenger's seat side.
ECM is a precision unit consisting of microcomputer, A/D (Analog/Digital) converter, I/O (Input/Output) unit, etc..
It is an essential part of the electronic control system, for its functions include not only such a major function as to control fuel injector, IAC valve, fuel pump relay, etc. but also on-board diagnostic system (self-diagnosis function) and fail-safe function.






On-board Diagnostic System (Self-diagnosis Function)
ECM performs on-board diagnosis on the system and parts that influence the vehicle emission in compliance with OBD-II regulation.
ECM and malfunction indicator lamp ("CHECK ENGINE" light) operate as follows.
- Malfunction indicator lamp lights when the ignition switch is turned ON (but the engine at stop) regardless of the condition of Engine & emission control system (Electronic Fuel Injection system). This is only to check the malfunction indicator lamp bulb and its circuit.
- If the system and parts that influence the vehicle emission is free from any malfunction after the engine start (while engine is running), malfunction indicator lamp turns OFF.
- When ECM detects a malfunction, it makes malfunction indicator lamp turn ON or flashing while the engine is running to warn the driver of such occurrence of trouble and at the same time it stores the applicable diagnostic trouble codes in ECM memory.






DTC and Engine Data Check
The DTC stored in ECM memory can be read by using OBD-II generic scan tool or SUZUKI scan tool (Tech-1). Use of these tools also enable to check the freeze frame data, current data, etc..






DTC Clearance
The DTC can be cleared by using OBD-II generic scan tool or SUZUKI scan tool (Tech-1) or by cutting the power to ECM for the time as listed below.

Fail-Safe Function
Even when a trouble has occurred in such area of engine & emission control system that includes the parts described in fail-safe table Fail Safe Operation and a failure signal is sent to ECM, control over the injector, IAC actuator and others is maintained on the basis of the standard signals and/or back-up program prestored in the ECM while ignoring that failure signal and/or CPU. This function is called "fail-safe function." Thus, with this function, a certain level of engine performance is available even when some failure occurs in such area and disability in running is avoided.