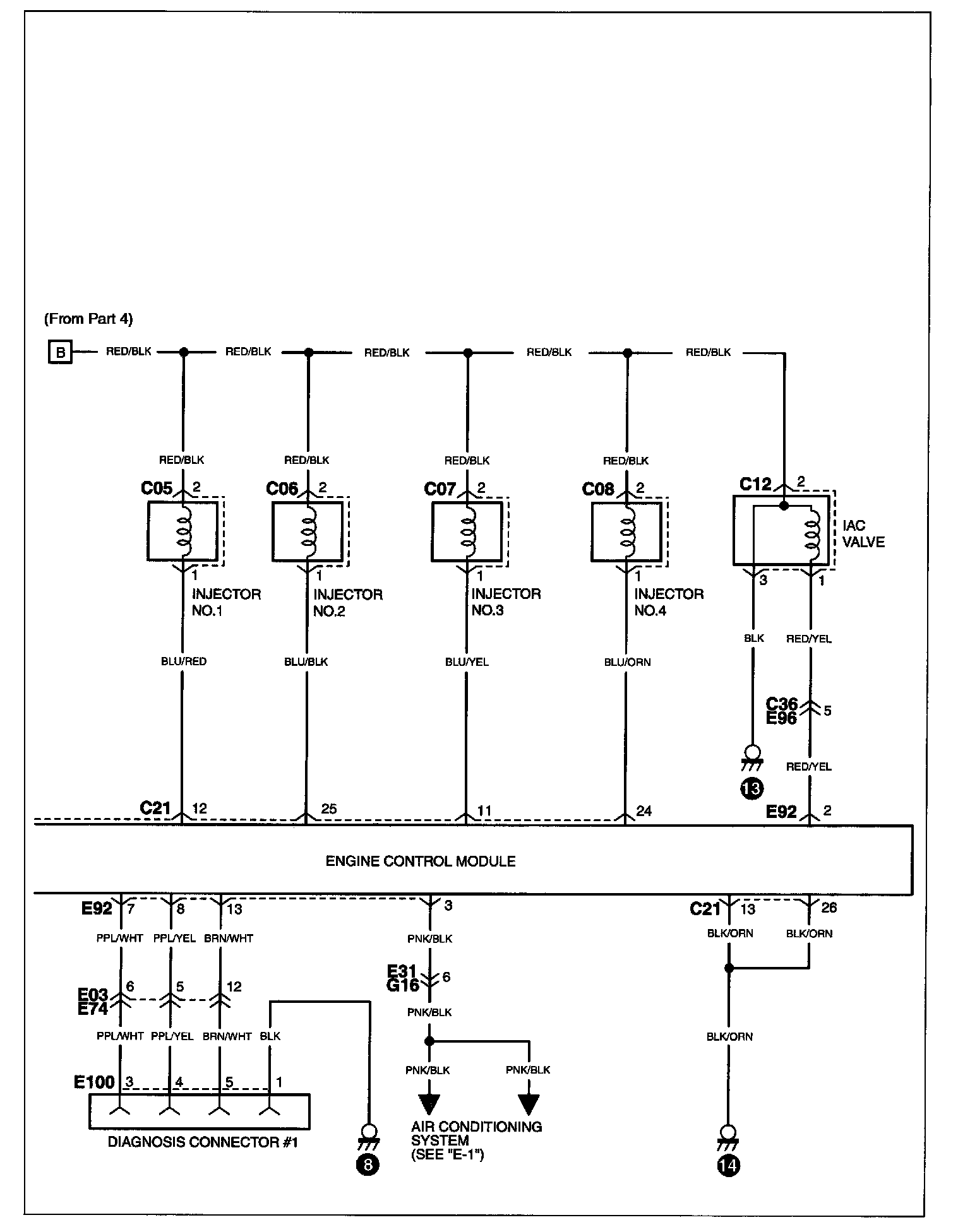
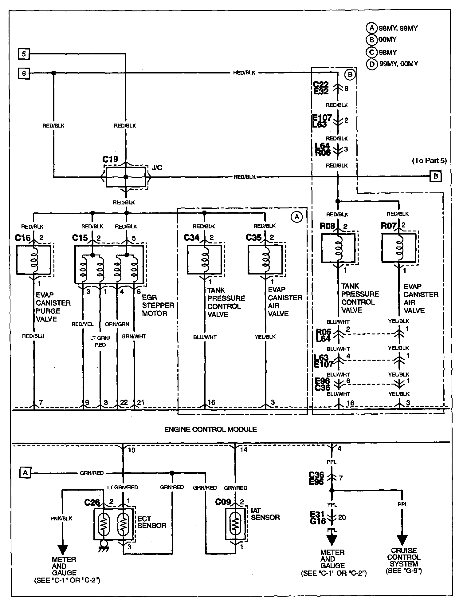
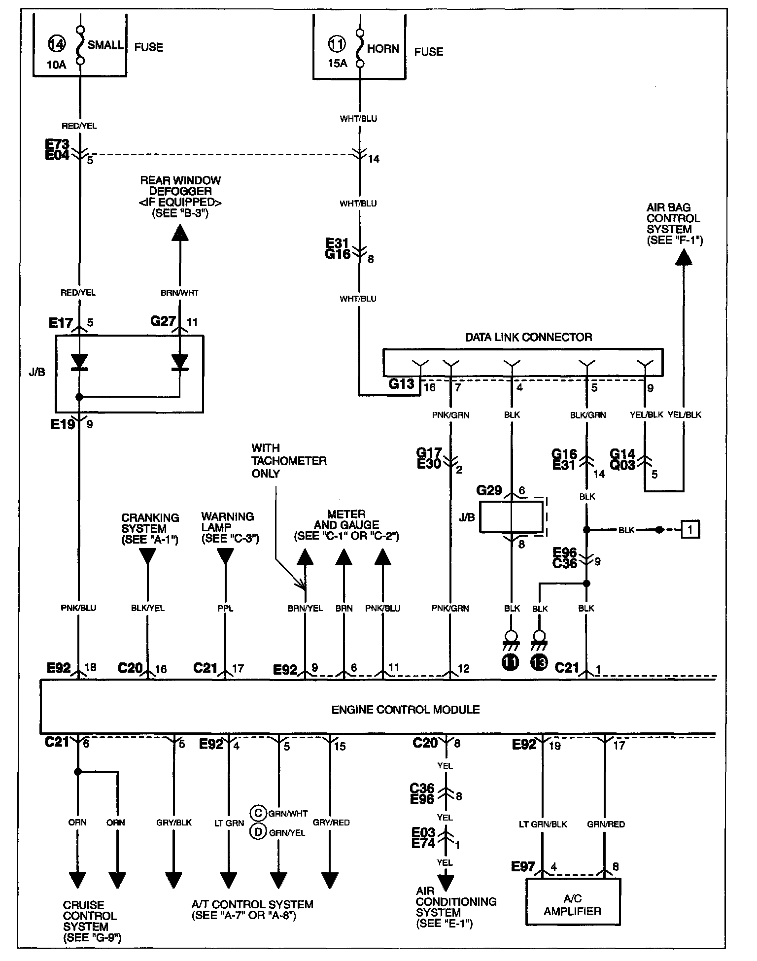
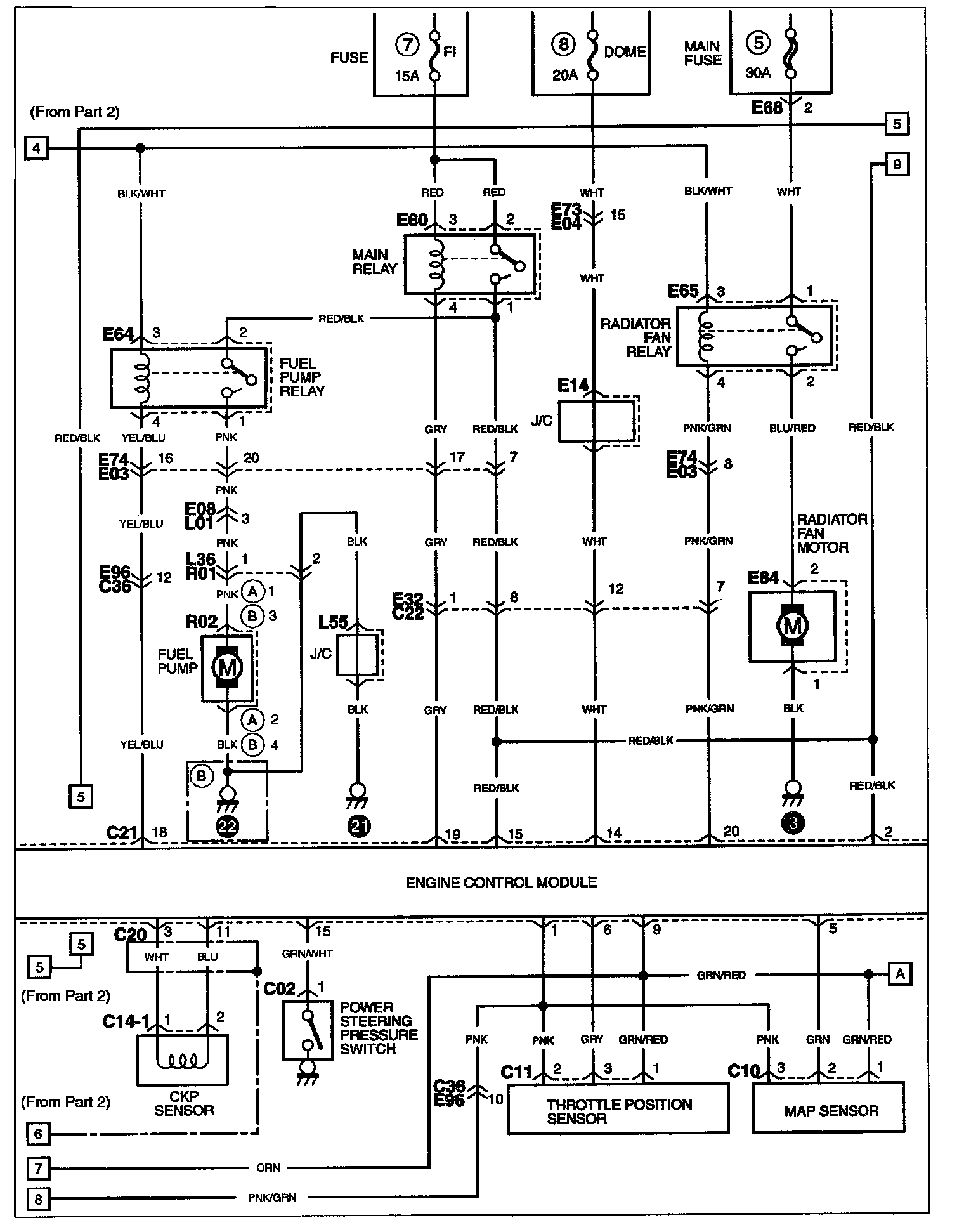
System Diagram

Need a step-by-step guide?

Get an AI-powered repair guide with parts lists, cost estimates, and clear instructions for your 1998 Suzuki.

AI Repair Guides

A-4 Electronic Fuel Injection System Part 1:




A-4 Electronic Fuel Injection System Part 2:




A-4 Electronic Fuel Injection System Part 3:




A-4 Electronic Fuel Injection System Part 4:




A-4 Electronic Fuel Injection System Part 5:






NOTE: To view other electrical diagrams referred to in these schematics, see System Circuit Diagrams by letter (A Thru Z) Electrical Diagrams