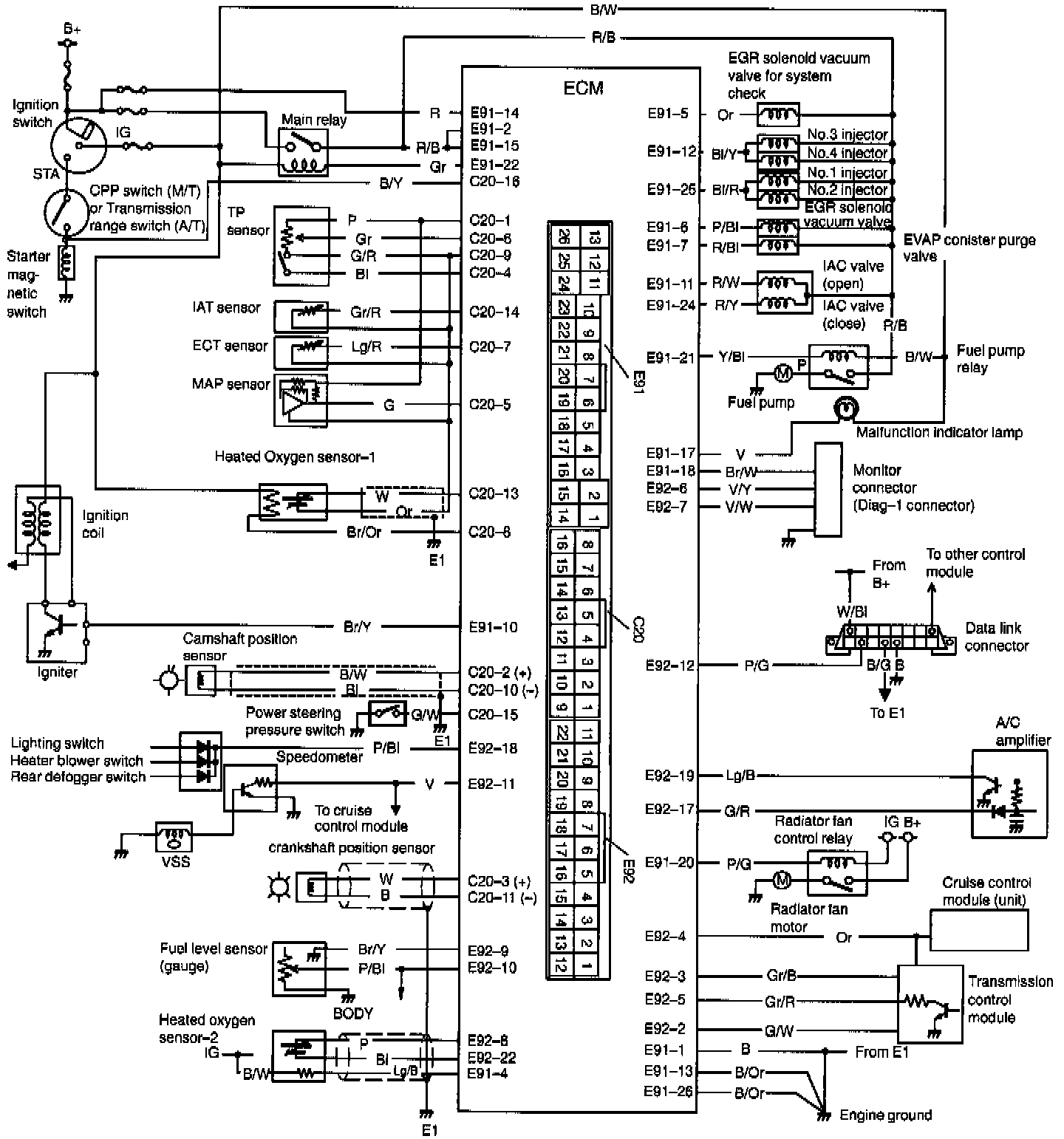
Engine Control Module

Need a step-by-step guide?

Get an AI-powered repair guide with parts lists, cost estimates, and clear instructions for your 1998 Suzuki.

AI Repair Guides




SYSTEM ELECTRICAL DIAGRAM





TERMINAL AND WIRE COLOR IDENTIFICATION