Automatic Transmission Related

Need a step-by-step guide?

Get an AI-powered repair guide with parts lists, cost estimates, and clear instructions for your 2002 Subaru.

AI Repair Guides
SPECIFICATIONS





DRIVE PLATE AND DRIVEN PLATE

COMPONENT





TORQUE CONVERTER CLUTCH AND CASE





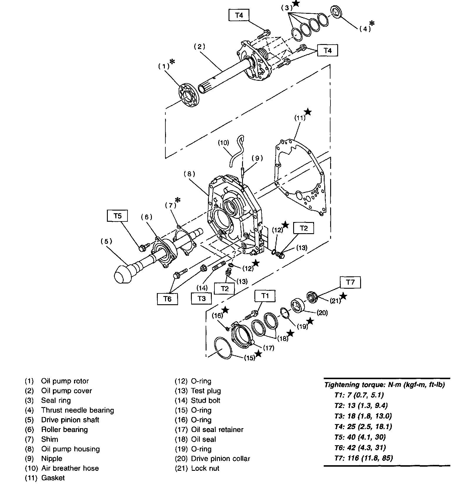
OIL PUMP








TRANSMISSION CASE AND CONTROL DEVICE





CONTROL VALVE AND HARNESS ROUTING





HIGH CLUTCH AND REVERSE CLUTCH





PLANETARY GEAR AND 2-4 BRAKE





LOW CLUTCH AND LOW & REVERSE BRAKE





REDUCTION GEAR WITHOUT VTD





REDUCTION GEAR WITH VTD





DIFFERENTIAL GEAR





TRANSFER AND EXTENSION CASE WITHOUT VTD





TRANSFER AND EXTENSION CASE WITH VTD