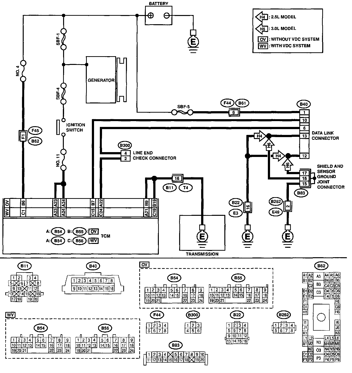
Diagnostic Procedure For Select Monitor Communication

Need a step-by-step guide?

Get an AI-powered repair guide with parts lists, cost estimates, and clear instructions for your 2002 Subaru.

AI Repair Guides
Diagnostic Procedure for Select Monitor Communication
COMMUNICATION FOR INITIALIZING IMPOSSIBLE
DIAGNOSIS:
^ Faulty harness connector
TROUBLE SYMPTOM:
^ Select the monitor communication failure











WIRING DIAGRAM: