Check Inhibitor Switch

Need a step-by-step guide?

Get an AI-powered repair guide with parts lists, cost estimates, and clear instructions for your 2002 Subaru.

AI Repair Guides
F: CHECK INHIBITOR SWITCH.
DIAGNOSIS: Input signal circuit of inhibitor switch is open or shorted.
TROUBLE SYMPTOM:
^ Shift characteristics are erroneous.
^ Engine brake is not effected when selector lever is in "3" range.
^ Engine brake is not effected when selector lever is in "2" range.
^ Engine brake is not effected when selector lever is in "1" range.





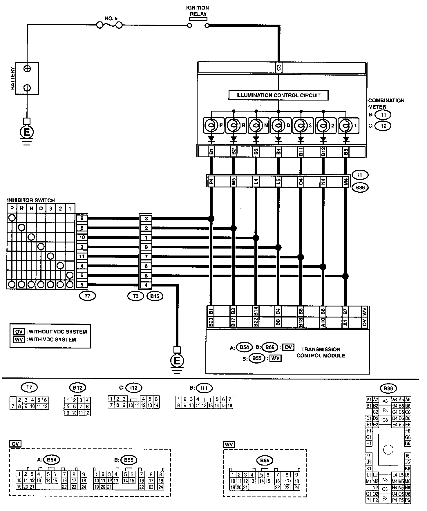
WIRING DIAGRAM:





Test Step 1 through 19





Test Step 20 through 26





Test Step 27 through 31





Test Step 32 through 36





Test Step 37 through 41





Test Step 42 through 46





Test Step 47 through 51





Test Step 52 through 56





Test Step 57 through 61





Test Step 62 through 65