M/T Torque Data

Need a step-by-step guide?

Get an AI-powered repair guide with parts lists, cost estimates, and clear instructions for your 2002 Subaru.

AI Repair Guides

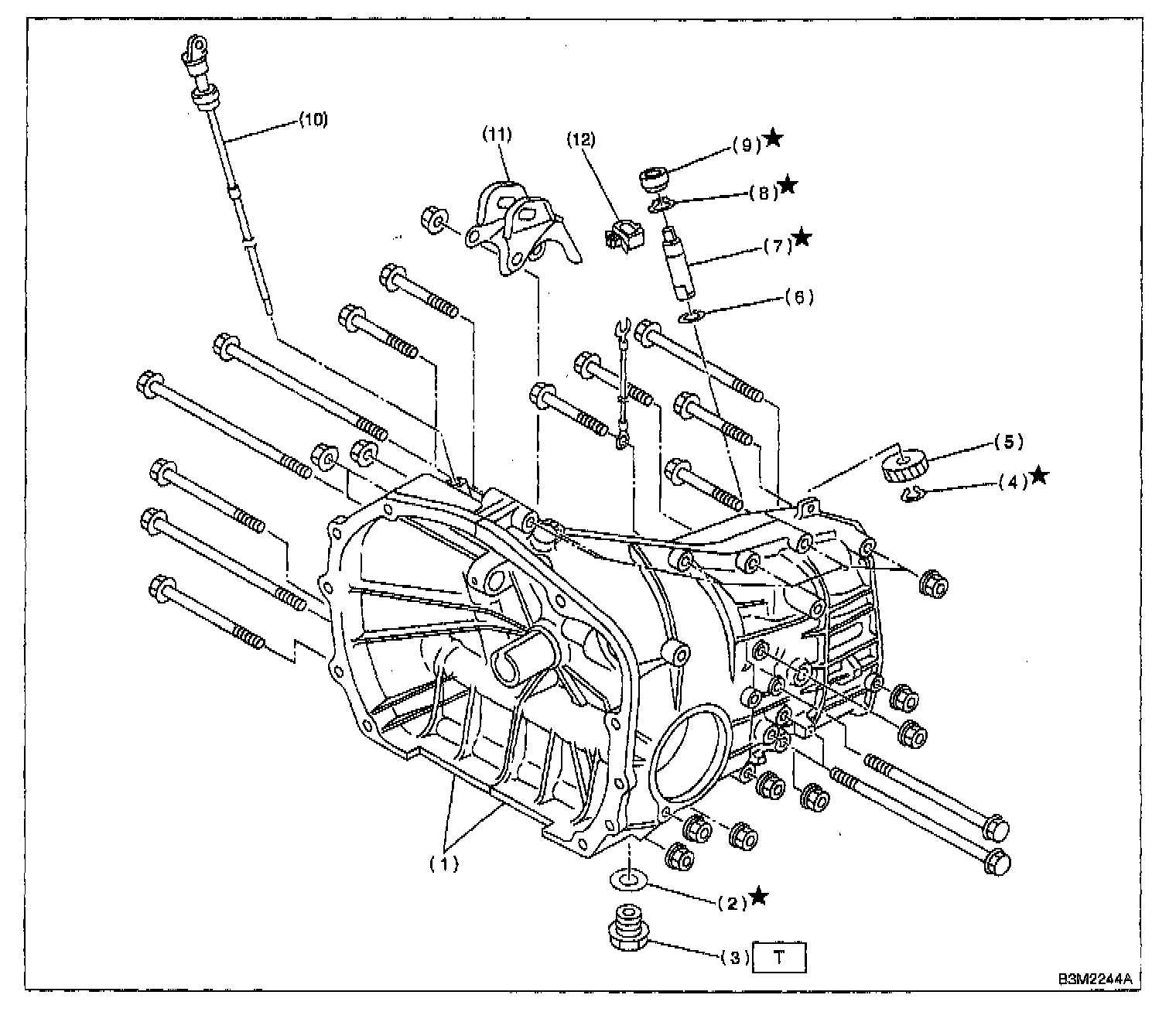
5-spd M/T, Transmission Case:



5-spd M/T, Transmission Control System (Gear Shift Lever):



5-spd M/T, Transmission Clutch Pedal:



5-spd M/T, Transmission Clutch Master Cylinder:



5-spd M/T, Transmission Clutch Pipe & Hose:



5-spd M/T, Transmission Clutch Assembly:



5-spd M/T, Transmission Mounting:



5-spd M/T, Transmission Front Differential:



5-spd M/T, Transfer Case & Transmission Extension:



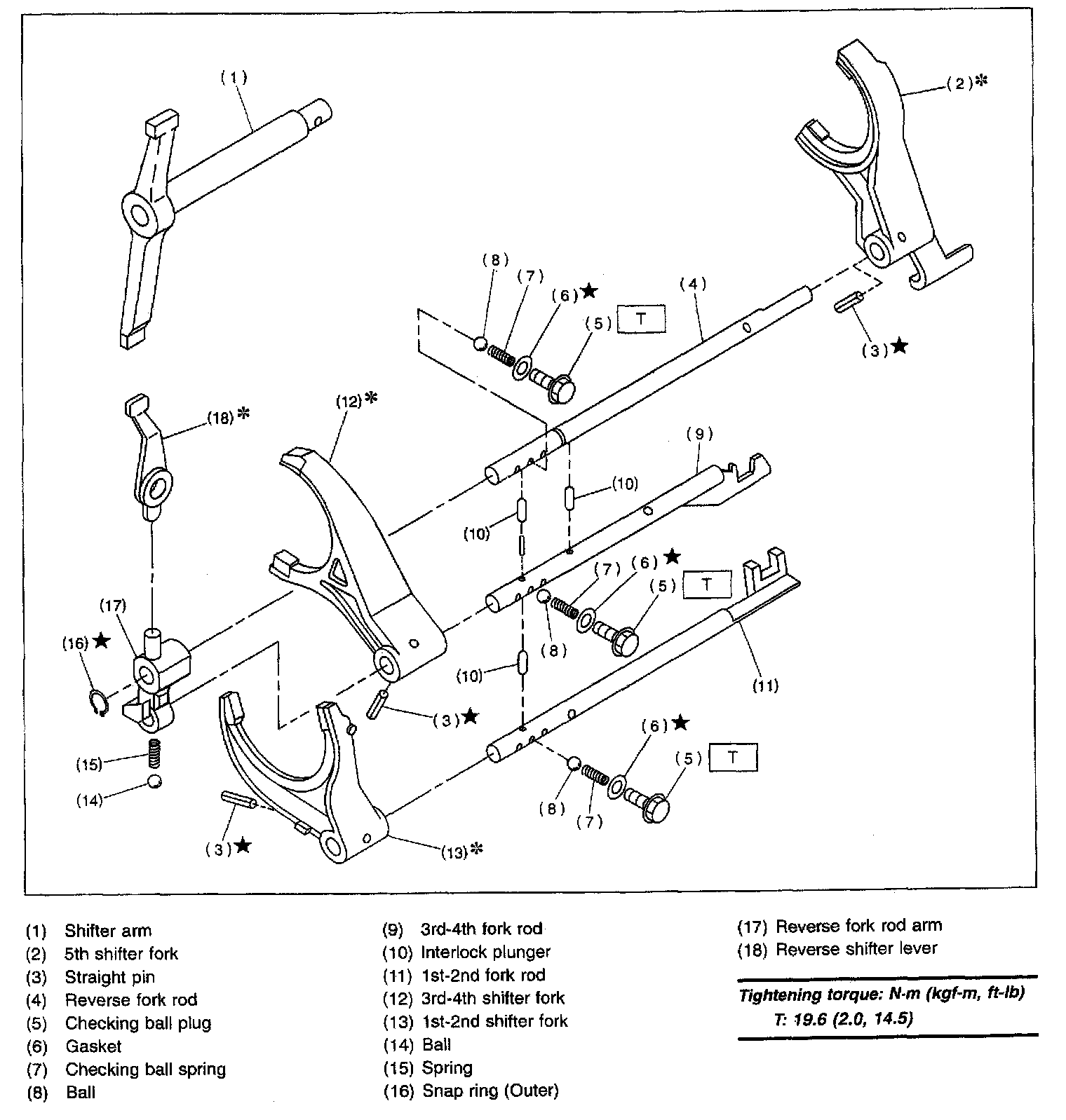
5-spd M/T, Transmission Shifter Fork & Rod:



5-spd M/T, Transmission Main Shaft Assembly:



5-spd M/T, Transmission Drive Pinion Assembly:



5-spd M/T, Transmission Case (2 Of 2):