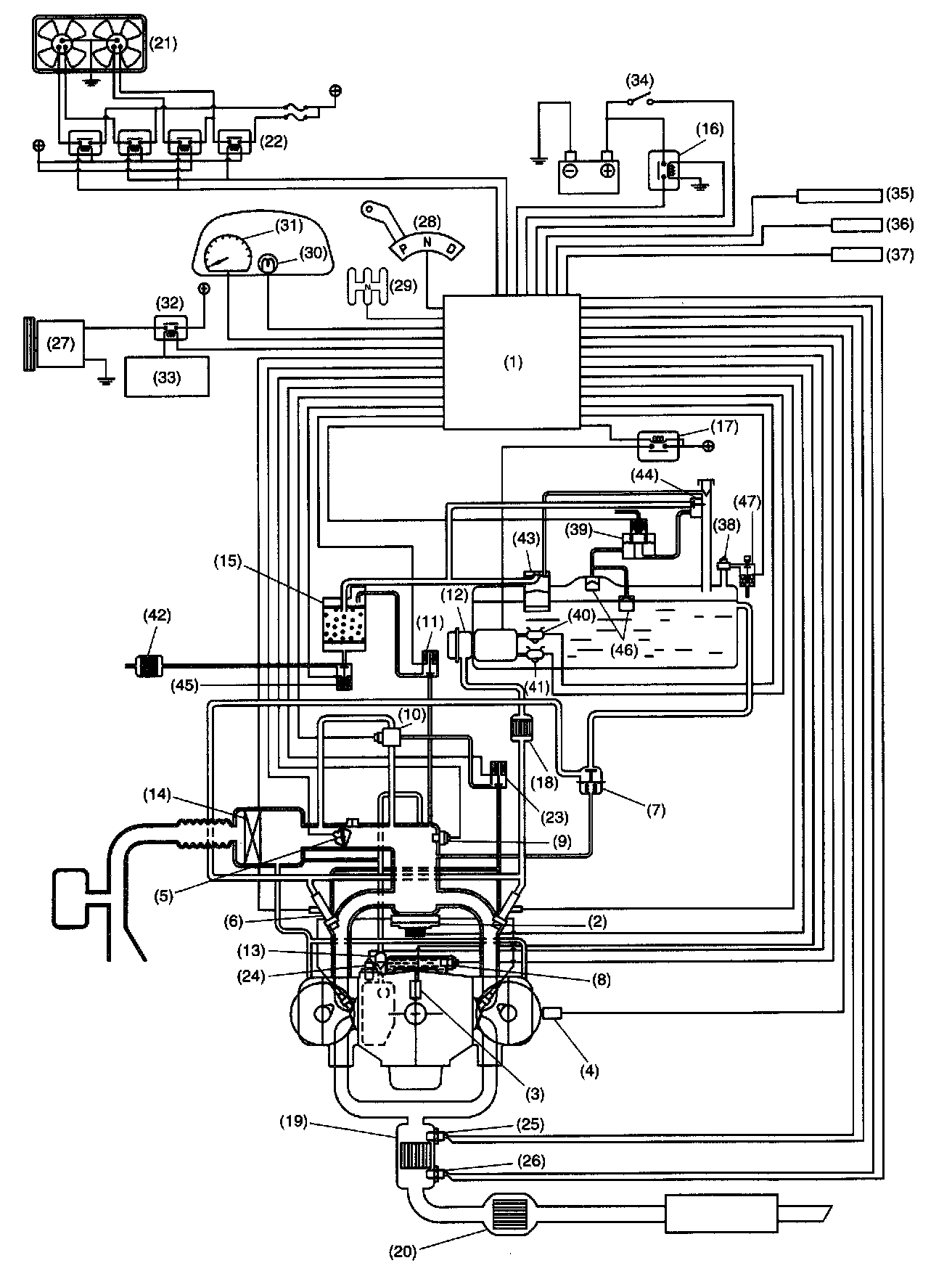
Electrical Diagrams

Need a step-by-step guide?

Get an AI-powered repair guide with parts lists, cost estimates, and clear instructions for your 2002 Subaru.

AI Repair Guides

Schematic Diagram Part 1:



Schamatic Diagram Part 2: