Ignition Control System

Need a step-by-step guide?

Get an AI-powered repair guide with parts lists, cost estimates, and clear instructions for your 2002 Subaru.

AI Repair Guides
IGNITION CONTROL SYSTEM

CAUTION: Alter repair or replacement of faulty parts, conduct Clear Memory Mode and Inspection Mode.

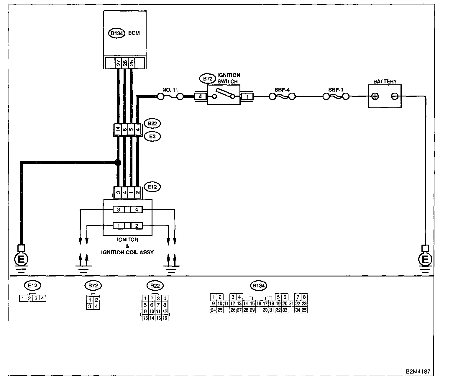
Wiring Diagram:




WIRING DIAGRAM

Step 1 - 5:




Step 6 - 9: