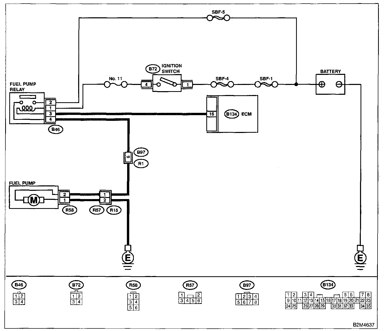
Fuel Pump Circuit

Need a step-by-step guide?

Get an AI-powered repair guide with parts lists, cost estimates, and clear instructions for your 2002 Subaru.

AI Repair Guides
FUEL PUMP CIRCUIT

CAUTION: After repair or replacement of faulty parts, conduct Clear Memory Mode and Inspection Mode.

Wiring Diagram:




WIRING DIAGRAM

Step 1:




Step 2 - 6:




Step 7 - 8: