Electrical Diagrams

Need a step-by-step guide?

Get an AI-powered repair guide with parts lists, cost estimates, and clear instructions for your 2002 Subaru.

AI Repair Guides

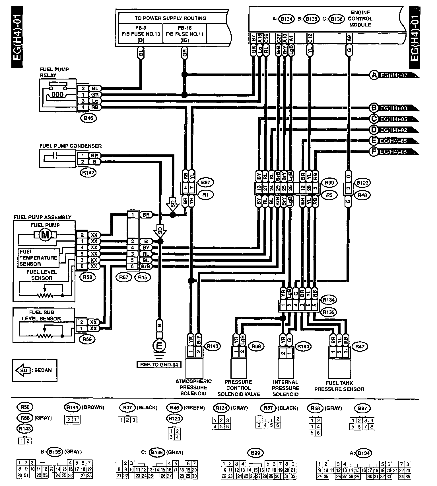
EG(H4)-01 - Engine Electrical System:




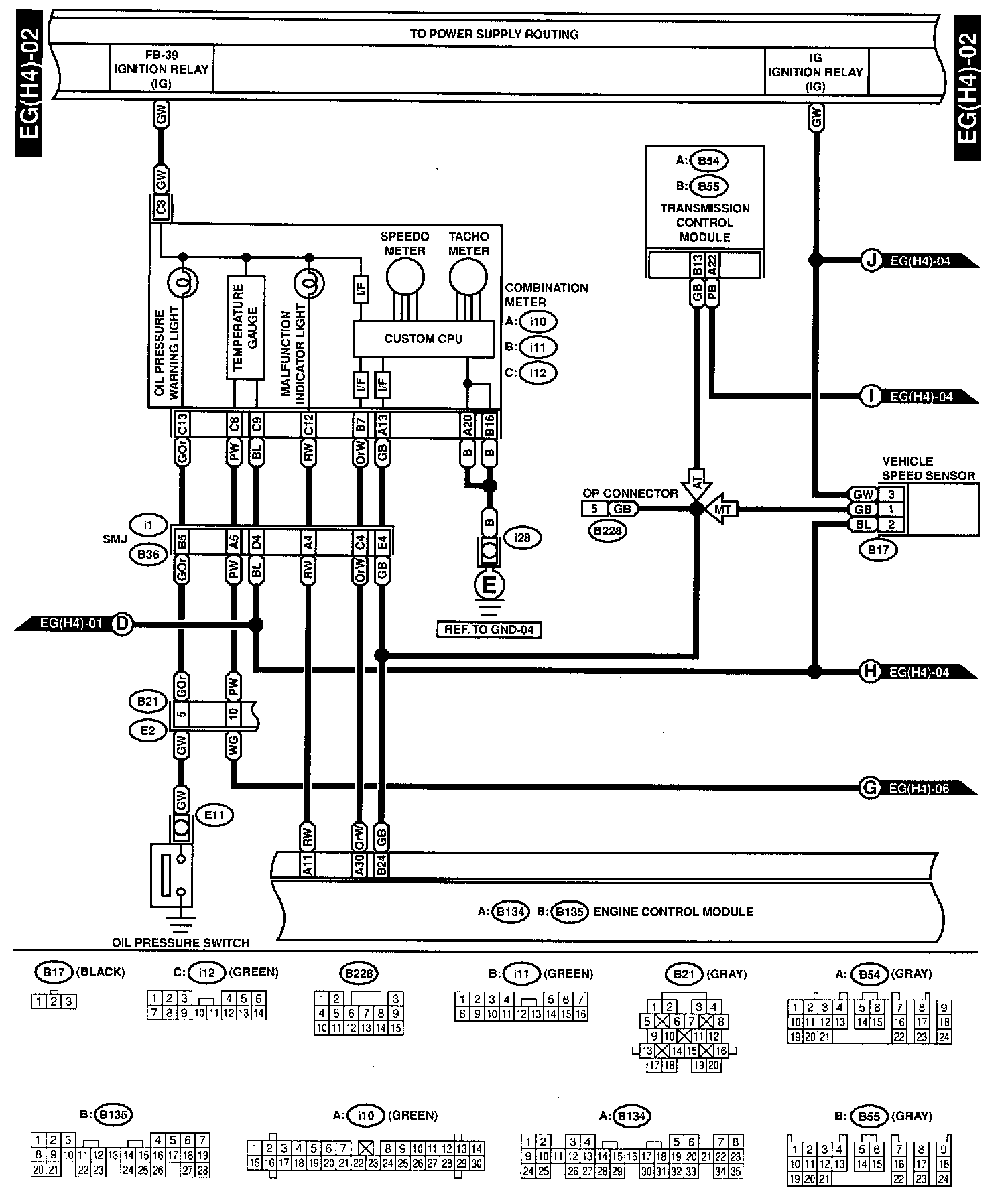
EG(H4)-02 - Engine Electrical System:




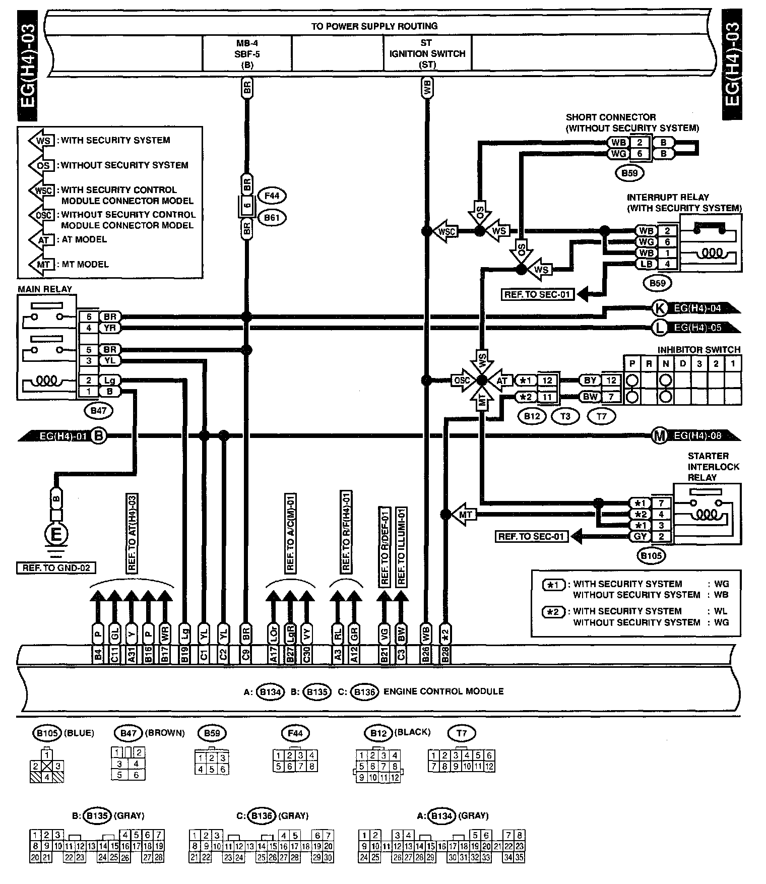
EG(H4)-03 - Engine Electrical System:




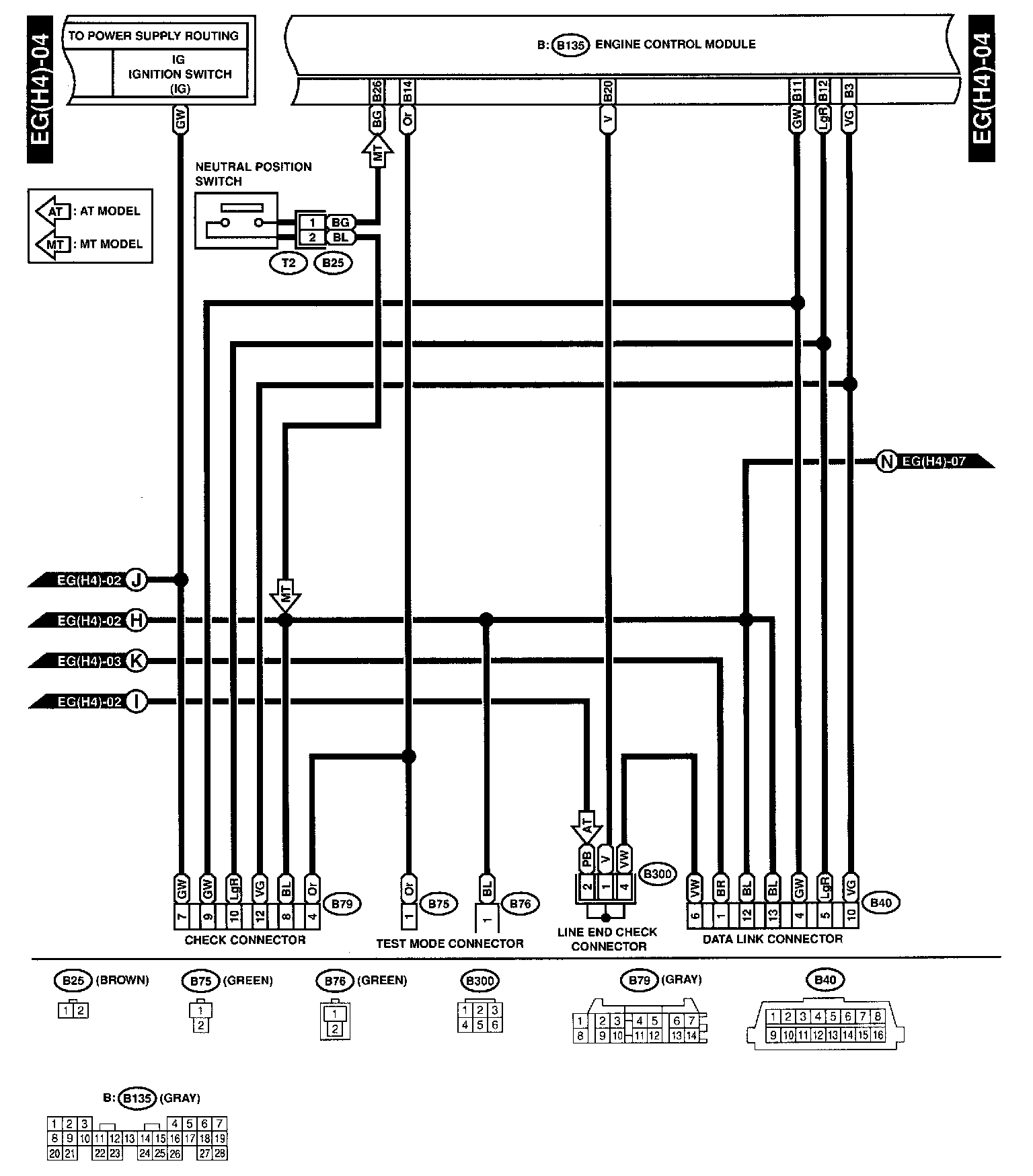
EG(H4)-04 - Engine Electrical System:




EG(H4)-05 - Engine Electrical System:




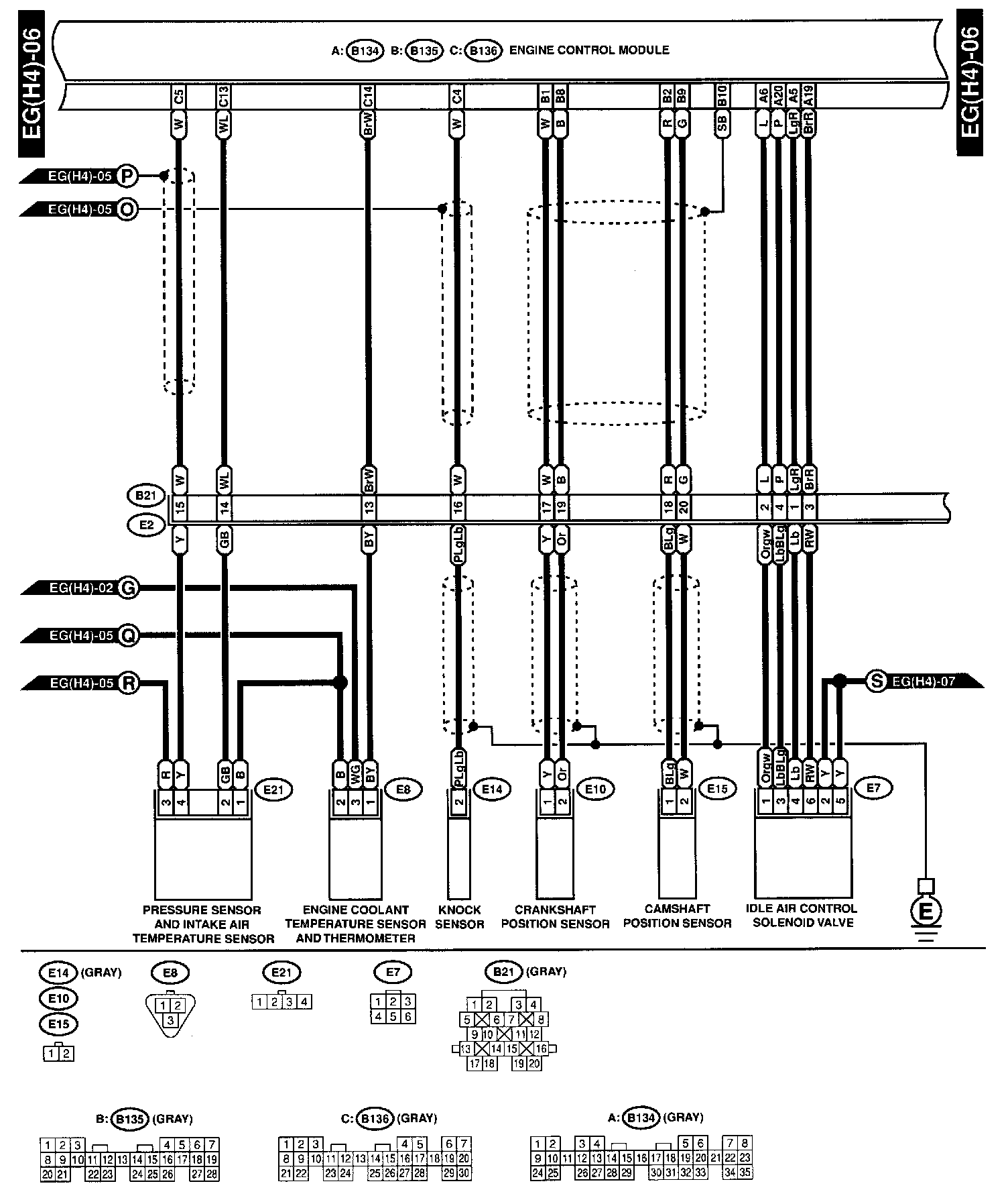
EG(H4)-06 - Engine Electrical System:




EG(H4)-07 - Engine Electrical System:




EG(H4)-08 - Engine Electrical System: