A/C And/Or Self-Diagnosis Systems Do Not Operate

Need a step-by-step guide?

Get an AI-powered repair guide with parts lists, cost estimates, and clear instructions for your 2002 Subaru.

AI Repair Guides
A/C AND/OR SELF-DIAGNOSIS SYSTEMS DO NOT OPERATE

TROUBLE SYMPTOM:

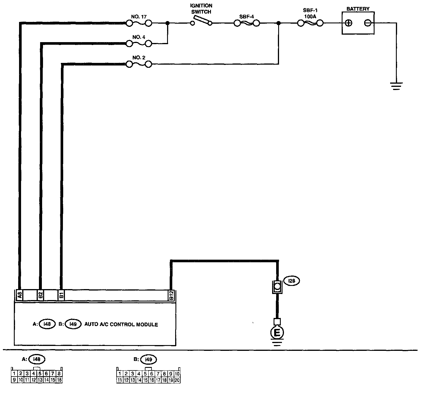
Wiring Diagram:




Step 1 - 7:




- "Set" temperature is not indicated on display, switch LEDs are faulty and switches do not operate.
- Self-diagnosis system does not operate.