Cylinder Block Assembly

Need a step-by-step guide?

Get an AI-powered repair guide with parts lists, cost estimates, and clear instructions for your 2002 Subaru.

AI Repair Guides
REMOVAL

NOTE: Before conducting this procedure, drain engine oil completely if applicable.

1) Remove intake manifold.
2) Remove V-belt.
3) Remove crankshaft pulley.
4) Remove belt cover.
5) Remove timing belt assembly.
6) Remove camshaft sprocket.
7) Remove crankshaft sprocket.
8) Remove generator and A/C compressor with their brackets.
9) Remove rocker cover.





10) Remove cylinder head bolts in alphabetical sequence shown in figure.

CAUTION: Leave bolts (a) and (b) engaged by three or four threads to prevent cylinder head from failing.

11) While tapping cylinder head with a plastic hammer, separate it from cylinder block.





12) Remove bolts (a) and (b) to remove cylinder head.
13) Remove cylinder head gasket.

CAUTION: Do not scratch the mating surface of cylinder head and cylinder block.

14) Similarly, remove right side cylinder head.
15) Remove clutch housing cover (MT vehicles only).





1 of 2





2 of 2

16) Remove flywheel (MT vehicles only) or drive plate (AT vehicles only). Using ST, lock crankshaft.
ST 498497100 CRANKSHAFT STOPPER
17) Remove oil separator cover.
18) Remove water by-pass pipe for heater.
19) Remove water pump.





20) Remove oil pump from cylinder block. Use a flat-bladed screwdriver as shown in figure when removing oil pump.

CAUTION: Be careful not to scratch the mating surface of cylinder block and oil pump.

21) Removal of oil pan
a) Turn cylinder block with #2 and #4 piston sides facing upward.
b) Remove bolts which secure oil pan to cylinder block.





c) Insert a oil pan cutter blade between cylinder block-to-oil pan clearance and remove oil pan.

CAUTION: Do not use a screwdriver or similar tool in place of oil pan cutter.

22) Remove oil strainer stay.
23) Remove oil strainer.
24) Remove baffle plate.





25) Remove oil filter using ST.
ST 498547000OIL FILTER WRENCH





26) Remove water pipe.





1 of 2





2 of 2

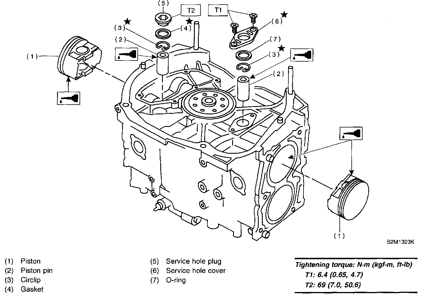
27) Remove service hole cover and service hole plugs using hexagon wrench [14 mm (0.55 inch)].





28) Rotate crankshaft to bring #1 and #2 pistons to bottom dead center position, then remove piston circlip through service hole of #1 and #2 cylinders.





29) Draw out piston pin from #1 and #2 pistons using ST.
ST 499097700 PISTON PIN REMOVER

CAUTION: Be careful not to confuse original combination of piston, piston pin and cylinder.

30) Similarly remove piston pins from #3 and #4 pistons.
31) Remove bolts which connect cylinder block on the side of #2 and #4 cylinders.
32) Back off bolts which connect cylinder block on the side of #1 and #3 cylinders two or three turns.
33) Set up cylinder block so that #1 and #3 cylinders are on the upper side, then remove cylinder block connecting bolts.
34) Separate left-hand and right-hand cylinder blocks.

CAUTION: When separating cylinder block, do not allow the connecting rod to fall and damage the cylinder block.





35) Remove rear oil seal.
36) Remove crankshaft together with connecting rod.
37) Remove crankshaft bearings from cylinder block using hammer handle.

CAUTION: Do not confuse combination of crankshaft bearings. Press bearing at the end opposite to locking lip.





INSTALLATION

CAUTION: Remove oil in the mating surface of bearing and cylinder block before installation. Also apply a coat of engine oil to crankshaft pins.

1) Position crankshaft on the #2 and #4 cylinder block.





2) Apply fluid packing to the mating surface of #1 and #3 cylinder block, and position it on #2 and #4 cylinder block.
Fluid packing: THREE BOND 1215 or equivalent

CAUTION: Do not allow fluid packing to jut into O-ring grooves, oil passages, bearing grooves, etc.





3) Temporarily tighten 10 mm cylinder block connecting bolts in alphabetical sequence shown in figure.





4) Tighten 10 mm cylinder block connecting bolts in alphabetical sequence.
Tightening torque: 47 ± 3 Nm (4.8 ± 0.3 kgf-m, 34.7 ± 2.2 ft. lbs.)





5) Tighten 8 mm and 6 mm cylinder block connecting bolts in alphabetical sequence shown in figure.
Tightening torque:
(A) - (G): 25 Nm (2.5 kgf-m, 18.1 ft. lbs.)
(H): 6.4 Nm (0.65 kgf-m, 4.7 ft. lbs.)





6) Install rear oil seal using ST1 and ST2.
ST1 499597100 OIL SEAL GUIDE
ST2 499587200 OIL SEAL INSTALLER





7) Position the top ring gap at (A) or (B) in the figure.
8) Position the second ring gap at 180° on the reverse side for, the top ring gap.





9) Position the expander gap at (C) in the figure.





10) Position the lower rail gap at (D) in the figure.





NOTE: Align lower rail spin stopper (F) with piston side surface hole (E).





11) Position the upper rail gap at (G) in the figure.

CAUTION:
^ Ensure ring gaps do not face the same direction.
^ Ensure ring gaps are not within the piston skirt area.





12) Install circlip. Install circlips in piston holes located opposite service holes in cylinder block, when positioning all pistons in the corresponding cylinders.

NOTE: Use new circlips.





CAUTION: Piston front mark faces towards the front of the engine.





13) Installing piston
a) Turn cylinder block so that #1 and #2 cylinders face upward.
b) Using ST1, turn crankshaft so that #1 and #2 connecting rods are set at bottom dead center.
ST1 499987500 CRANKSHAFT SOCKET





c) Apply a coat of engine oil to pistons and cylinders and insert pistons in their cylinders using ST2.
ST2 498747300 PISTON GUIDE
14) Installing piston pin





a) Insert ST3 into service hole to align piston pin hole with connecting rod small end.

CAUTION: Apply a coat of engine oil to ST3 before insertion.

ST3 499017100 PISTON PIN GUIDE
b) Apply a coat of engine oil to piston pin and insert piston pin into piston and connecting rod through service hole.





c) Install circlip.

CAUTION: Use new circlips.





d) Apply fluid packing around the service hole plug.
Fluid packing: THREE BOND 1215 or equivalent

CAUTION: Use a new gasket.





e) Install service hole plug and gasket.





f) Turn cylinder block so that #3 and #4 cylinders face upward. Using the same procedures as used for #1 and #2 cylinders, install pistons and piston pins.





15) Install water pipe.
16) Install baffle plate.
Tightening torque: 6.4 Nm (0.65 kgf-m, 4.7 ft. lbs.)
17) Install oil strainer and O-ring
Tightening torque: 10 Nm (1.0 kgf-m, 7 ft. lbs.)
18) Install oil strainer stay.





19) Apply fluid packing to matching surfaces and install oil pan.
Fluid packing: THREE BOND 1215 or equivalent





20) Apply fluid packing to matching surfaces and install oil separator cover.
Fluid packing: THREE BOND 1215 or equivalent





1 of 2





2 of 2

21) Install flywheel or drive plate. To lock crankshaft, use ST.
ST 498497100 CRANKSHAFT STOPPER
Tightening torque: 72 Nm (7.3 kgf-m, 52.8 ft. lbs.)
22) Install housing cover.
23) Installation of oil pump





a) Discard front oil seal after removal. Replace with a new one using ST.
ST 499587100 OIL SEAL INSTALLER





b) Apply fluid packing to matching surface of oil pump.
Fluid packing: THREE BOND 1215 or equivalent





c) Apply a coat of engine oil to the inside of the oil seal.
d) Install oil pump on cylinder block. Be careful not to damage oil seal during installation.
Tightening torque: 6.4 Nm (0.65 kgf-m, 4.7 ft. lbs.)

CAUTION:
^ Do not forget to install O-ring and seal when installing oil pump.
^ Align flat surface of oil pump's inner rotor with crankshaft before installation.

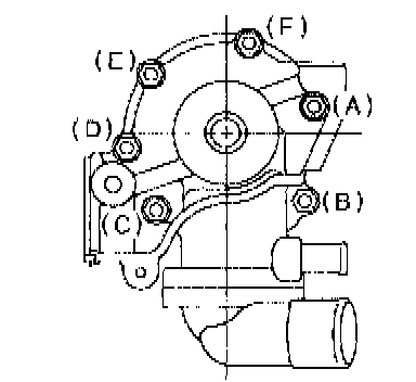
24) Install water pump and gasket.
Tightening torque:
First; 12 Nm (1.2 kgf-m, 8.7 ft. lbs.)
Second; 12 Nm (1.2 kgf-m, 8.7 ft. lbs.)

CAUTION:
^ Be sure to use a new gasket.





^ When installing water pump, tighten bolts in two stages in alphabetical sequence as shown in figure.

25) Install water by-pass pipe for heater.





26) Install oil filter using ST
ST 498547000 OIL FILTER WRENCH
27) Tighten cylinder head bolts.
a) Apply a coat of engine oil to washers and bolt threads.





b) Tighten all bolts to 29 Nm (3.0 kgf-m, 22 ft. lbs.) in alphabetical sequence.
Then tighten all bolts to 69 Nm (7.0 kgf-m, 51 ft. lbs.) in alphabetical sequence.
c) Back off all bolts by 180° first; back them off by 180° again.
d) Tighten bolts (a) and (b) to 34 Nm (3.5 kgf-m, 25 ft. lbs.).
e) Tighten bolts (c), (d), (e) and (f) to 15 Nm (1.5 kgf-m, 11 ft. lbs.).
f) Tighten all bolts by 80 to 90° in alphabetical sequence.

CAUTION: Do not tighten bolts more than 90°.

g) Further tighten all bolts by 80 to 90° in alphabetical sequence.

CAUTION: Ensure that the total "re-tightening angle" [in the former two steps], do not exceed 180°.

28) Install oil level gauge guide and tighten attaching bolt (left side only).
29) Install rocker cover.
30) Install crankshaft sprocket.
31) Install camshaft sprocket.
32) Install timing belt assembly.
33) Install belt cover.
34) Install crankshaft pulley.
35) Install generator and A/C compressor brackets on cylinder head.
36) Install V-belt.
37) Install intake manifold.





DISASSEMBLY
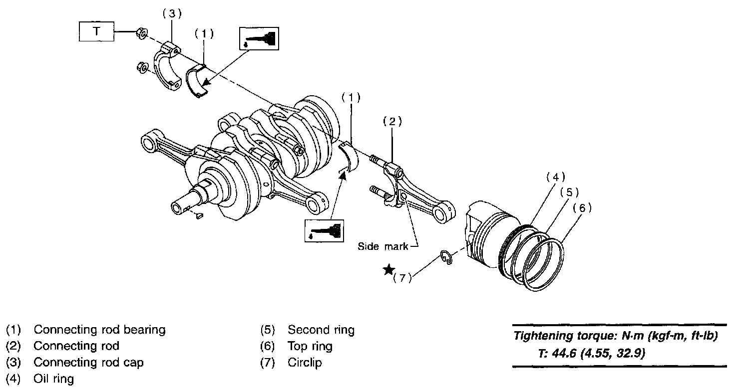
1) Remove connecting rod cap.
2) Remove connecting rod bearing.

CAUTION: Arrange removed connecting rod, connecting rod cap and bearing in order to prevent confusion.

3) Remove piston rings using the piston ring expander.
4) Remove the oil ring by hand.

CAUTION: Arrange the removed piston rings in good order to prevent confusion.

5) Remove circlip.





ASSEMBLY
1) Install connecting rod bearings on connecting rods and connecting rod caps.

CAUTION: Apply oil to the surfaces of the connecting rod bearings.

2) Install connecting rod on crankshaft.

CAUTION: Position each connecting rod with the side marked facing forward.

3) Install connecting rod cap with connecting rod nut.
Ensure the arrow on connecting rod cap faces the front during installation.

CAUTION:
^ Each connecting rod has its own mating cap. Make sure that they are assembled correctly by checking their matching number.
^ When tightening the connecting rod nuts, apply oil on the threads.

4) Install oil ring spacer, lower rail and upper rail in this order by hand. Then install second ring and top ring with a piston ring expander.

INSPECTION
1. CYLINDER BLOCK
a) Visually check for cracks and damage. Especially, inspect important parts by means of red lead check.
b) Check the oil passages for clogging.
c) Inspect crankcase surface that mates with cylinder head for warping by using a straight edge, and correct by grinding if necessary.
Warping limit: 0.05 mm (0.0020 inch)
Grinding limit: 0.1 mm (0.004 inch)
Standard height of cylinder block. 201.0 mm (7.91 inch)

2. CYLINDER AND PISTONS
a) The cylinder bore size is stamped on the cylinder block's front upper surface.

CAUTION: Measurement should be performed at a temperature 20°C (68°F).





NOTE: Standard sized pistons are classified into two grades, "A" and "B". These grades should be used as a guide line in selecting a standard piston.

Standard diameter.
A: 99.505 - 99.515 mm (3.9175 - 3.9179 inch)
B: 99.495 - 99.505 mm (3.9171 - 3.9175 inch)





b) How to measure the inner diameter of each cylinder
Measure the inner diameter of each cylinder in both the thrust and piston pin directions at the heights shown in the figure, using a cylinder bore gauge.

CAUTION: Measurement should be performed at a temperature 20°C (68°F).

Taper
Standard 0.015 mm (0.0006 inch)
Limit 0.050 mm (0.0020 inch)
Out-of-roundness:
Standard 0.010 mm (0.0004 inch)
Limit 0.050 mm (0.0020 inch)
c) When piston is to be replaced due to general or cylinder wear, determine a suitable sized piston by measuring the piston clearance.





d) How to measure the outer diameter of each piston
Measure the outer diameter of each piston at the height shown in the figure. (Thrust direction)

CAUTION: Measurement should be performed at a temperature of 20°C (68°F).

Piston grade point H: 37.0 mm (1.457 inch)
Piston outer diameter:
Standard
A: 99.485 - 99.495 mm (3.9167 - 3.9171 inch)
B: 99.475 - 99.485 mm (3.9163 - 3.9167 inch)
0.25 mm (0.0098 inch) oversize
99.725 - 99.735 mm (3.9262 - 3.9266 inch)
0.50 mm (0.0197 inch) oversize
99.975 - 99.985 mm (3.9360 - 3.9364 inch)
e) Calculate the clearance between cylinder and piston.

CAUTION: Measurement should be performed at a temperature of 20°C (68°F).

Cylinder to piston clearance at 20°C (68°F):
Standard 0.010 - 0.030 mm (0.0004 - 0.0012 inch)
Limit 0.050 mm (0.0020 inch)
f) Boring and honing
(1) If the value of taper, out-of-roundness, or cylinder-to-piston clearance measured exceeds the specified limit or if there is any damage on the cylinder wall, rebore it to use an oversize piston.

CAUTION: When any of the cylinders needs reboring, all other cylinders must be bored at the same time, and use oversize pistons. Do not perform boring on one cylinder only, nor use an oversize piston for one cylinder only.

(2) If the cylinder inner diameter exceeds the limit after boring and honing, replace the crankcase.

CAUTION: Immediately after reboring, the cylinder diameter may differ from its real diameter due to temperature rise. Thus, pay attention to this when measuring the cylinder diameter.

Limit of cylinder enlarging (boring): 0.5 mm (0.020 inch)
3. PISTON AND PISTON PIN
a) Check pistons and piston pins for damage, cracks, and wear and the piston ring grooves for wear and damage. Replace if defective.
b) Measure the piston-to-cylinder clearance at each cylinder. If any of the clearances is not to specification, replace the piston or bore the cylinder to use an oversize piston.





1 of 2





2 of 2

c) Make sure that piston pin can be inserted into the piston pin hole with a thumb at 20°C (68°F). Replace if defective.
Standard clearance between piston pin and hole in piston:
Standard 0.004 - 0.008 mm (0.0002 - 0.0003 inch)
Limit 0.020 mm (0.0008 inch)





d) Check circlip installation groove on the piston for burr. If necessary, remove burr (A) from the groove so that piston pin can lightly move.
e) Check piston pin circlip for distortion, cracks and wear.
4. PISTON RING
a) If piston ring is broken, damaged, or worn, or if its tension is insufficient, or when the piston is replaced, replace piston ring with a new one of the same size as the piston.





CAUTION:
^ Marks are shown on the end of the top and second rings. When installing the rings to the piston, face this mark upward.
^ Oil ring consists of upper rail, expander and lower rail. When installing on piston, be careful of each rail's direction.





1 of 2





2 of 2

b) Squarely place piston ring and oil ring in cylinder, and measure the piston ring gap with a thickness gauge.





1 of 2





2 of 2

c) Measure the clearance between piston ring and piston ring groove with a thickness gauge.

CAUTION: Before measuring the clearance, clean the piston ring groove and piston ring.

5. CONNECTING ROD
a) Replace connecting rod, if the large or small end thrust surface is damaged.





b) Check for bend or twist using a connecting rod aligner. Replace connecting rod if the bend or twist exceeds the limit.
Limit of bend or twist per 100 mm (3.94 inch) in length: 0.10 mm (0.0039 inch)





c) Install connecting rod fitted with bearing to crankshaft and measure the side clearance (thrust clearance). Replace connecting rod if the side clearance exceeds the specified limit.
Connecting rod side clearance:
Standard 0.070 - 0.330 mm (0.0028 - 0.0130 inch)
Limit 0.4 mm (0.016 inch)
d) Inspect connecting rod bearing for scar, peeling, seizure, melting, wear, etc.





e) Measure the oil clearance on individual connecting rod bearings by means of plastigauge. If any oil clearance is not within specification, replace the defective bearing with a new one of standard size or undersize as necessary. (See the table.)
Connecting rod oil clearance:
Standard 0.012 - 0.038 mm (0.0005 - 0.0015 inch)
Limit 0.050 mm (0.0020 inch)





1 of 2





2 of 2

f) Inspect bushing at connecting rod small end, and replace if worn or damaged. Also measure the piston pin clearance at the connecting rod small end.
Clearance between piston pin and bushing:
Standard 0 - 0.022 mm (0 - 0.0009 inch)
Limit 0.030 mm (0.0012 inch)





g) Replacement procedure is as follows.
(1) Remove bushing from connecting rod with ST and press.
(2) Press bushing with ST after applying oil on the periphery of bushing. ST 499037100 CONNECTING ROD BUSHING REMOVER AND INSTALLER
(3) Make two 3 mm (0.12 inch) holes in bushing. Ream the inside of bushing.
(4) After completion of reaming, clean bushing to remove chips.





6. CRANKSHAFT AND CRANKSHAFT BEARINGS
a) Clean crankshaft completely and check for cracks by means of red lead check etc., and replace if defective.
b) Measure the crankshaft bend, and correct or replace if it exceeds the limit.

CAUTION: If a suitable V-block is not available, install #1 and #5 crankshaft bearing on cylinder block, position crankshaft on these bearings and measure crankshaft bend using a dial gauge.

Crankshaft bend limit. 0.035 mm (0.0014 inch)





1 of 2





2 of 2

c) Inspect the crank journal and crank pin for wear. If they are not within the specifications, replace bearing with a suitable (undersize) one, and replace or recondition crankshaft as necessary. When grinding crank journal or crank pin, finish them to the specified dimensions according to the undersize bearing to be used.
Crank pin and crank journal:
Out-of-roundness 0.020 mm (0.0008 inch) or less
Taper limit 0.07 mm (0.0028 inch)
Grinding limit 0.250 mm (0.0098 inch)





d) Measure the thrust clearance of crankshaft at center bearing. If the clearance exceeds the limit, replace bearing.
Crankshaft thrust clearance:
Standard 0.030 - 0.115 mm (0.0012 - 0.0045 inch)
Limit 0.25 mm (0.0098 inch)
e) Inspect individual crankshaft bearings for signs of flaking, seizure, melting, and wear.





f) Measure the oil clearance on each crankshaft bearing by means of plastigauge. If the measurement is not within the specification, replace defective bearing with an undersize one, and replace or recondition crankshaft as necessary.